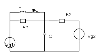
Calcolare la corrente iC(t) nel capacitore assumendo che il circuito sia in regime costante all’atto
della chiusura dell’interruttore S.
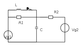
i dati sono : R1=1 Ω, R2=1 Ω, L=100 mH, C = 1 F, Vg1= 100 V, Vg2= 50 V
risoluzione :
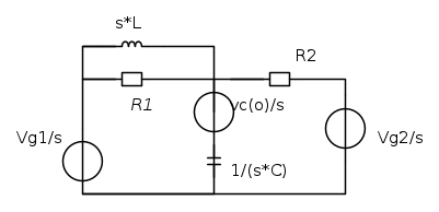
per t<0:
per prima cosa trovo le condizioni iniziali essendo a regime costante induttore diventa un corto-circuito e il condensatore un circuito aperto
posso quindi dire subito che la corrente sull'induttore è nulla mentre risolvendo l 'equazione alla maglia trovo che la vc(o) è 75 V
fin qui ci sono?
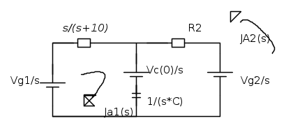
poi decido di applicare il metodo operativo della trasformata di Laplace portando la rete allo stato zero
che dovrebbe essere la seguente:
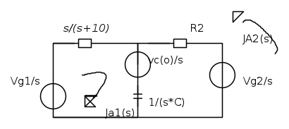
a questo punto posso andare a semplificare il parallelo tra s*L \\ R1 ottenendo

cioè sostituendo e semplificando

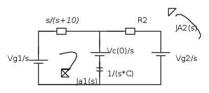
adesso posso applicare il metodo degli anelli visto che ho due maglie con nodi alla Thevenin ottenendo cosi un sistema dal quale posso calcolarmi la corrente di anello che andrò a moltiplicare * 1/(s*c) ed ad aggiungere la vc(0)/s per trovare la tensione sul condensatore nel dominio di Laplace antitrasformando ottengo la mia vc(t)
il problema è che non mi risulta per caso il procedimento è errato???

Elettrotecnica e non solo (admin)
Un gatto tra gli elettroni (IsidoroKZ)
Esperienza e simulazioni (g.schgor)
Moleskine di un idraulico (RenzoDF)
Il Blog di ElectroYou (webmaster)
Idee microcontrollate (TardoFreak)
PICcoli grandi PICMicro (Paolino)
Il blog elettrico di carloc (carloc)
DirtEYblooog (dirtydeeds)
Di tutto... un po' (jordan20)
AK47 (lillo)
Esperienze elettroniche (marco438)
Telecomunicazioni musicali (clavicordo)
Automazione ed Elettronica (gustavo)
Direttive per la sicurezza (ErnestoCappelletti)
EYnfo dall'Alaska (mir)
Apriamo il quadro! (attilio)
H7-25 (asdf)
Passione Elettrica (massimob)
Elettroni a spasso (guidob)
Bloguerra (guerra)












