Ciao a tutti,
a causa di scarsità di pin del microcontrollore del mio progetto devo poter accendere due led alternativamente utilizzando un unico pin che può assumere tre stati diversi:
-settato come pin in ingresso (alta impedenza)
-settato come pin in uscita a livello logico basso (0V)
-settato come pin in uscita a livello logico alto (5V)
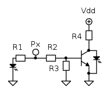
Ho fatto una prova utilizzando due resistenze da 1kohm ciascuna come da schema, ed ho notato che quando imposto il pin del microcontrollore come ingresso ad alta impedenza per spegnere entrambi i led, i led restano leggermente accesi, ma davvero poco.
Questa situazione potrebbe andarmi anche bene se non per il fatto che dopo 10, 20minuti il led a sinistra inizia ad aumentare la sua luminosità a scapito del led a destra.
Se accendo uno dei due led, la situazione ritorna normale per poi ripetersi dopo 10, 20minuti.
La tensione di alimentazione è di 5V mentre i due led sono due led da 5mm, tensione 3-3.2V / 25mA.
E' il microcontrollore che non mantiene il suo stato di alta impedenza?
Come posso comportarmi per spegnere del tutto i led ed evitare questo fenomeno?
Due led comandati da un singolo pin del microcontrollore
Moderatori:
carloc,
g.schgor,
BrunoValente,
IsidoroKZ
16 messaggi
• Pagina 1 di 2 • 1, 2
0
voti
Ah ok, hai solo una porta quindi
Beh tranne la RA3 che è solo di input, le altre possono essere usate per il tuo scopo. Dal datasheet possiamo notare come mettendo a livello altro TRISA dovremmo avere alta impedenza sul pin corrispondente, dunque non mi spiego questo cambiamento di stato nel tempo.
Hai provato a fare la serie resistori led invertendo i due a destra? Intendo dal Vcc inserire R-LED-R-LED... anche se non penso cambi molto... aspettiamo pareri elettrotecnici piu' autorevoli
Beh tranne la RA3 che è solo di input, le altre possono essere usate per il tuo scopo. Dal datasheet possiamo notare come mettendo a livello altro TRISA dovremmo avere alta impedenza sul pin corrispondente, dunque non mi spiego questo cambiamento di stato nel tempo.
Hai provato a fare la serie resistori led invertendo i due a destra? Intendo dal Vcc inserire R-LED-R-LED... anche se non penso cambi molto... aspettiamo pareri elettrotecnici piu' autorevoli

-

rusty
4.075 2 9 11 - Utente disattivato per decisione dell'amministrazione proprietaria del sito
- Messaggi: 1578
- Iscritto il: 25 gen 2009, 13:10
0
voti
E successivamente dopo un paio di minuti già si può notare che il led superiore (quello a sinistra nello schema) inizia ad aumentare la luminosità a scapito dell'altro:
aspettando ancora il led destro tende a spegnersi quasi del tutto.
aspettando ancora il led destro tende a spegnersi quasi del tutto.
-

AjKDAP
1.255 2 6 9 - Expert EY

- Messaggi: 796
- Iscritto il: 17 mag 2006, 0:13
- Località: nella coda dei pronti
3
voti
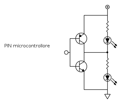
Se il problema è che se lo configuri come output non può assorbire corrente o viceversa,
Per questo potresti usare una coppia P-N già integrata in un unico IC.
O così:
O con il BJT
Ma meglio con il MOS.
Per questo potresti usare una coppia P-N già integrata in un unico IC.
O così:
O con il BJT
Ma meglio con il MOS.
1
voti
Secondo me, molto piu' semplicemente, potresti farti un ingresso NOT con due BJT, invertendo la logica di uscita dal controllore per tenere conto dell'inversione. Con i MOS sarebbe meglio ma dovrebbe funzionare ugualmente, se hai una coppia del tipo BC547/BC557 puoi provare, abbassando i resistori ad almeno 180/220 

-

rusty
4.075 2 9 11 - Utente disattivato per decisione dell'amministrazione proprietaria del sito
- Messaggi: 1578
- Iscritto il: 25 gen 2009, 13:10
16 messaggi
• Pagina 1 di 2 • 1, 2
Chi c’è in linea
Visitano il forum: Nessuno e 29 ospiti

Elettrotecnica e non solo (admin)
Un gatto tra gli elettroni (IsidoroKZ)
Esperienza e simulazioni (g.schgor)
Moleskine di un idraulico (RenzoDF)
Il Blog di ElectroYou (webmaster)
Idee microcontrollate (TardoFreak)
PICcoli grandi PICMicro (Paolino)
Il blog elettrico di carloc (carloc)
DirtEYblooog (dirtydeeds)
Di tutto... un po' (jordan20)
AK47 (lillo)
Esperienze elettroniche (marco438)
Telecomunicazioni musicali (clavicordo)
Automazione ed Elettronica (gustavo)
Direttive per la sicurezza (ErnestoCappelletti)
EYnfo dall'Alaska (mir)
Apriamo il quadro! (attilio)
H7-25 (asdf)
Passione Elettrica (massimob)
Elettroni a spasso (guidob)
Bloguerra (guerra)




