Cos'è ElectroYou | Login Iscriviti

ElectroYou - la comunità dei professionisti del mondo elettrico

Generatore di corrente equivalente a generatore di tensione

Circuiti, campi elettromagnetici e teoria delle linee di trasmissione e distribuzione dell’energia elettrica

Moderatori: Foto Utenteg.schgor, Foto UtenteIsidoroKZ

0
voti

[1] Generatore di corrente equivalente a generatore di tensione

Messaggioda Foto Utenteficium » 19 dic 2012, 13:32



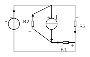
ho un dubbio su questo esercizio , in quanto i miei colleghi hanno semplificato la rete in questo modo :



dove al generatore di corrente in parallelo con la resistenza R_{2} associano un generatore di tensione, di tensione J\times R_{2} in serie con R_{2} .
Io mi ricordo che un generatore di corrente J è equivalente a un generatore di tensione E conE=J\times R_{eq} dove R_{eq} è la resistenza equivalente di tutte le resistenze ai capi del generatore , quindi nel nostro caso non solo R_{2} ma anche le altre resistenze , voi che ne dite ?
Avatar utente
Foto Utenteficium
40 4
 
Messaggi: 36
Iscritto il: 28 nov 2012, 23:01

0
voti

[2] Re: Generatore di corrente equivalente a generatore di tensi

Messaggioda Foto Utenteadmin » 19 dic 2012, 14:34

ficium ha scritto:[..] voi che ne dite ?

che i tuoi colleghi hanno ragione
Avatar utente
Foto Utenteadmin
196,6k 9 12 17
Manager
Manager
 
Messaggi: 11949
Iscritto il: 6 ago 2004, 13:14

0
voti

[3] Re: Generatore di corrente equivalente a generatore di tensi

Messaggioda Foto Utentekotek » 19 dic 2012, 14:34

Quando calcoli la tensione equivalente a dei morsetti devi scollegare tutto ciò che è collegato a lati morsetti, quindi in questo caso quello che ti rimarrebbe sarebbe la J e laR2
Avatar utente
Foto Utentekotek
202 2 4 9
Stabilizzato
Stabilizzato
 
Messaggi: 481
Iscritto il: 9 giu 2011, 17:22

0
voti

[4] Re: Generatore di corrente equivalente a generatore di tensi

Messaggioda Foto Utentekotek » 19 dic 2012, 14:40

admin ha scritto:che i tuoi colleghi hanno ragione

La resistenza equivalente non è R2||R1? Perché cortocircuitando il generatore R1 viene in parallelo a R2...
Ultima modifica di Foto Utentekotek il 19 dic 2012, 14:41, modificato 1 volta in totale.
Avatar utente
Foto Utentekotek
202 2 4 9
Stabilizzato
Stabilizzato
 
Messaggi: 481
Iscritto il: 9 giu 2011, 17:22

0
voti

[5] Re: Generatore di corrente equivalente a generatore di tensi

Messaggioda Foto Utenteadmin » 19 dic 2012, 14:41

No
Avatar utente
Foto Utenteadmin
196,6k 9 12 17
Manager
Manager
 
Messaggi: 11949
Iscritto il: 6 ago 2004, 13:14

0
voti

[6] Re: Generatore di corrente equivalente a generatore di tensi

Messaggioda Foto Utentekotek » 19 dic 2012, 14:43

admin ha scritto:No

Perché scusa? Quando calcolo la Req la E diventa un cortocircuito e la J un circuito aperto, applicando una tensione ai morsetti di R2 e misurando il rapporto tra la tensione applicata e la corrente che scorre in esso ho R1||R2, no?


P.S Chiariamoci Veq= Jx R2

Io sto parlando della della R in serie alla Veq
Avatar utente
Foto Utentekotek
202 2 4 9
Stabilizzato
Stabilizzato
 
Messaggi: 481
Iscritto il: 9 giu 2011, 17:22

0
voti

[7] Re: Generatore di corrente equivalente a generatore di tensi

Messaggioda Foto Utenteadmin » 19 dic 2012, 14:48

Ma hai letto cosa ha chiesto? Ha chiesto se la sostituzione che i colleghi hanno fatta è giusta o meno. I colleghi hanno sostituito al parallelo del GIC con R2 il GIT EJ con in serie R2. E questo va bene. A cosa tu voglia rispondere non l'ho proprio capito.
Avatar utente
Foto Utenteadmin
196,6k 9 12 17
Manager
Manager
 
Messaggi: 11949
Iscritto il: 6 ago 2004, 13:14

0
voti

[8] Re: Generatore di corrente equivalente a generatore di tensi

Messaggioda Foto Utentekotek » 19 dic 2012, 14:54

Io parlo della Req ai capi del GIC
Avatar utente
Foto Utentekotek
202 2 4 9
Stabilizzato
Stabilizzato
 
Messaggi: 481
Iscritto il: 9 giu 2011, 17:22

0
voti

[9] Re: Generatore di corrente equivalente a generatore di tensi

Messaggioda Foto Utenteadmin » 19 dic 2012, 14:55

Ed io ti ripeto: cos'ha a che fare con la domanda iniziale di Foto Utenteficium
Avatar utente
Foto Utenteadmin
196,6k 9 12 17
Manager
Manager
 
Messaggi: 11949
Iscritto il: 6 ago 2004, 13:14

0
voti

[10] Re: Generatore di corrente equivalente a generatore di tensi

Messaggioda Foto Utentekotek » 19 dic 2012, 14:57

Che secondo me il circuito equivalente è il seguente:
Avatar utente
Foto Utentekotek
202 2 4 9
Stabilizzato
Stabilizzato
 
Messaggi: 481
Iscritto il: 9 giu 2011, 17:22

Prossimo

Torna a Elettrotecnica generale

Chi c’è in linea

Visitano il forum: Nessuno e 16 ospiti