Salve vorrei porvi una domandina che mi sta facendo pensare da giorni
vorrei utilizzare questo sensore di movimento
http://www.ebay.it/itm/200818657609?ssP ... 1438.l2649
per staccare la corrente ad un impianto per non dare nell'occhio ad un lavoretto che sto facendo.
Esempio: scendo le scale passo il sensore = si stacca la luce nella zona prefissata......come va impostata la cosa?
Utilizzo sensore movimento
19 messaggi
• Pagina 1 di 2 • 1, 2
1
voti
Messaggio nome e titolo in maiuscolo O_o... su internet si usa fare così per urlare. Ti prego correggi il post!
"640K ought to be enough for anybody" Bill Gates (?) 1981
Qualcosa non ha funzionato...
Lo sapete che l'arroganza in informatica si misura in nanodijkstra?
Qualcosa non ha funzionato...
Lo sapete che l'arroganza in informatica si misura in nanodijkstra?
-

fairyvilje
15,0k 4 9 12 - G.Master EY

- Messaggi: 3047
- Iscritto il: 24 gen 2012, 19:23
1
voti
Alcune considerazioni.
1. E' cosa gradita evitare il maiuscolo, sembra infatti tu stia URLANDO!
2. La problematica evidenziata, così come l'hai esposta, si può prestare ad interpetazioni equivoche. Che vuol dire "per non dare nell'occhio"? A chi non devi dare nell'occhio? E perché?
3. La cosa è fattibile, il solo sensore però non è sufficente. Tuttavia non si è capito pienamente come tu voglia utilizzare il sensore!
...vai fuori del raggio di azione del sensore e dopo un tempo "ics" si riattiva la luce. In questo caso si sta facendo funzionare il rilevatore come un contatto N.C.
Se non c'è nulla di illegale, spiega meglio cosa devi fare, altrimenti la discussione non andrà avanti.
1. E' cosa gradita evitare il maiuscolo, sembra infatti tu stia URLANDO!
2. La problematica evidenziata, così come l'hai esposta, si può prestare ad interpetazioni equivoche. Che vuol dire "per non dare nell'occhio"? A chi non devi dare nell'occhio? E perché?
3. La cosa è fattibile, il solo sensore però non è sufficente. Tuttavia non si è capito pienamente come tu voglia utilizzare il sensore!
TOTINAPOLI ha scritto:SCENDO LE SCALE PASSO IL SENSORE = SI STACCA LA LUCE NELLA ZONA PREFISSATA
...vai fuori del raggio di azione del sensore e dopo un tempo "ics" si riattiva la luce. In questo caso si sta facendo funzionare il rilevatore come un contatto N.C.
Se non c'è nulla di illegale, spiega meglio cosa devi fare, altrimenti la discussione non andrà avanti.
Ognuno sta solo sul cuor della terra
trafitto da un raggio di sole:
ed è subito sera
Salvatore Quasimodo
trafitto da un raggio di sole:
ed è subito sera
Salvatore Quasimodo
0
voti
Un rilevatore finder per esempio l' 18.01 o l' 18.11 abbinato ad un relè potrebbe essere una soluzione
MCSA Windows Server 2012 R2
Cisco CCNA R&S - Cisco CCNA Security - Cisco CCNA Cyber Ops
CompTia A+ - CompTia Linux+ - CompTIA Systems Support Specialist CSSS
CompTia Pentest+ LPIC-1 - VCP VMware - Cisco CCNP Enterprise
Cisco CCNA R&S - Cisco CCNA Security - Cisco CCNA Cyber Ops
CompTia A+ - CompTia Linux+ - CompTIA Systems Support Specialist CSSS
CompTia Pentest+ LPIC-1 - VCP VMware - Cisco CCNP Enterprise
0
voti
Chiedo scusa per il maiuscolo, ma proprio non so come modificare il post!!!!!
per quanto riguarda il mio problema mi spiego meglio
lavoro con elaborazioni video ed ho collegata un apparecchiatura alimentata a 12v vicino il mio PC
siccome lascio l'apparecchiatura accesa tutto il giorno vorrei evitare che i bimbi gironzolando per casa potessero sabotare il mio lavoro.....
e cosi avevo pensato di installare questo rilevatore in modo tale che quando mi assenti dalla postazione chiunque entri staccasse l'apparecchiatura, per poi attivarla al mio ritorno.....
spero di essermi spiegato al meglio
mi scuso terribilmente ancora per il maiuscolo cercherò di correggere
per quanto riguarda il mio problema mi spiego meglio
lavoro con elaborazioni video ed ho collegata un apparecchiatura alimentata a 12v vicino il mio PC
siccome lascio l'apparecchiatura accesa tutto il giorno vorrei evitare che i bimbi gironzolando per casa potessero sabotare il mio lavoro.....
e cosi avevo pensato di installare questo rilevatore in modo tale che quando mi assenti dalla postazione chiunque entri staccasse l'apparecchiatura, per poi attivarla al mio ritorno.....
spero di essermi spiegato al meglio
mi scuso terribilmente ancora per il maiuscolo cercherò di correggere
-

TOTINAPOLI
0 2 - Messaggi: 5
- Iscritto il: 26 dic 2012, 13:38
0
voti
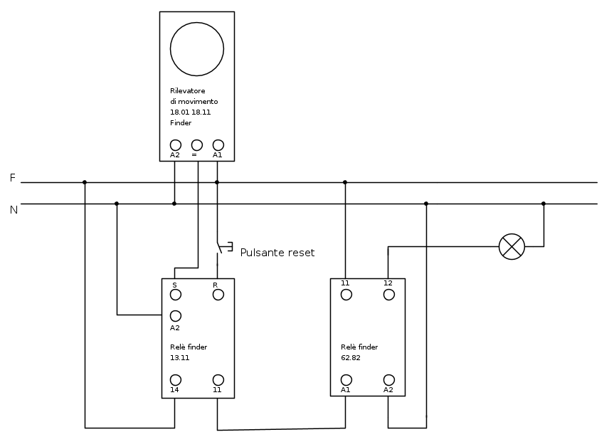
A valle del rilevatore potresti mettere il finder 13.11 - 13.12 che sono Relè di chiamata con comando di reset.
Il che chiude il contatto al primo inpulso di set e per riaprirlo va resettato con l' apposito impulso di reset.
Il problema è che il relè è un NO e quindi per fare quello che ti serve dovresti mettere a valle dello stesso un' altro relè NC.
Il che chiude il contatto al primo inpulso di set e per riaprirlo va resettato con l' apposito impulso di reset.
Il problema è che il relè è un NO e quindi per fare quello che ti serve dovresti mettere a valle dello stesso un' altro relè NC.
MCSA Windows Server 2012 R2
Cisco CCNA R&S - Cisco CCNA Security - Cisco CCNA Cyber Ops
CompTia A+ - CompTia Linux+ - CompTIA Systems Support Specialist CSSS
CompTia Pentest+ LPIC-1 - VCP VMware - Cisco CCNP Enterprise
Cisco CCNA R&S - Cisco CCNA Security - Cisco CCNA Cyber Ops
CompTia A+ - CompTia Linux+ - CompTIA Systems Support Specialist CSSS
CompTia Pentest+ LPIC-1 - VCP VMware - Cisco CCNP Enterprise
0
voti
Solo una cosa ma che ci sia te alla postazione di lavoro o tuo figlio il sensore non lo capisce. Quando uno ritorna alla postazione, uno qualsiasi, con un sensore di movimento il tutto sarebbe comunque acceso no?
"640K ought to be enough for anybody" Bill Gates (?) 1981
Qualcosa non ha funzionato...
Lo sapete che l'arroganza in informatica si misura in nanodijkstra?
Qualcosa non ha funzionato...
Lo sapete che l'arroganza in informatica si misura in nanodijkstra?
-

fairyvilje
15,0k 4 9 12 - G.Master EY

- Messaggi: 3047
- Iscritto il: 24 gen 2012, 19:23
0
voti
Purtroppo ora sono con il mac sul quale non ho installato fidocadj ma appena ne avrò l' occasione posterò lo schema di quanto da me descritto.
MCSA Windows Server 2012 R2
Cisco CCNA R&S - Cisco CCNA Security - Cisco CCNA Cyber Ops
CompTia A+ - CompTia Linux+ - CompTIA Systems Support Specialist CSSS
CompTia Pentest+ LPIC-1 - VCP VMware - Cisco CCNP Enterprise
Cisco CCNA R&S - Cisco CCNA Security - Cisco CCNA Cyber Ops
CompTia A+ - CompTia Linux+ - CompTIA Systems Support Specialist CSSS
CompTia Pentest+ LPIC-1 - VCP VMware - Cisco CCNP Enterprise
0
voti
Scusa mi era sfuggito :)
"640K ought to be enough for anybody" Bill Gates (?) 1981
Qualcosa non ha funzionato...
Lo sapete che l'arroganza in informatica si misura in nanodijkstra?
Qualcosa non ha funzionato...
Lo sapete che l'arroganza in informatica si misura in nanodijkstra?
-

fairyvilje
15,0k 4 9 12 - G.Master EY

- Messaggi: 3047
- Iscritto il: 24 gen 2012, 19:23
0
voti
Eccovi lo schema di collegamento relativo al post [6] i componenti utilizzati sono finder in specifico 18.01 - 13.11 - 62.82
MCSA Windows Server 2012 R2
Cisco CCNA R&S - Cisco CCNA Security - Cisco CCNA Cyber Ops
CompTia A+ - CompTia Linux+ - CompTIA Systems Support Specialist CSSS
CompTia Pentest+ LPIC-1 - VCP VMware - Cisco CCNP Enterprise
Cisco CCNA R&S - Cisco CCNA Security - Cisco CCNA Cyber Ops
CompTia A+ - CompTia Linux+ - CompTIA Systems Support Specialist CSSS
CompTia Pentest+ LPIC-1 - VCP VMware - Cisco CCNP Enterprise
19 messaggi
• Pagina 1 di 2 • 1, 2
Chi c’è in linea
Visitano il forum: Nessuno e 4 ospiti

Elettrotecnica e non solo (admin)
Un gatto tra gli elettroni (IsidoroKZ)
Esperienza e simulazioni (g.schgor)
Moleskine di un idraulico (RenzoDF)
Il Blog di ElectroYou (webmaster)
Idee microcontrollate (TardoFreak)
PICcoli grandi PICMicro (Paolino)
Il blog elettrico di carloc (carloc)
DirtEYblooog (dirtydeeds)
Di tutto... un po' (jordan20)
AK47 (lillo)
Esperienze elettroniche (marco438)
Telecomunicazioni musicali (clavicordo)
Automazione ed Elettronica (gustavo)
Direttive per la sicurezza (ErnestoCappelletti)
EYnfo dall'Alaska (mir)
Apriamo il quadro! (attilio)
H7-25 (asdf)
Passione Elettrica (massimob)
Elettroni a spasso (guidob)
Bloguerra (guerra)

