Cos'è ElectroYou | Login Iscriviti

ElectroYou - la comunità dei professionisti del mondo elettrico

Parallelo di due LM317

Elettronica lineare e digitale: didattica ed applicazioni

Moderatori: Foto Utentecarloc, Foto Utenteg.schgor, Foto UtenteBrunoValente, Foto UtenteIsidoroKZ

0
voti

[1] Parallelo di due LM317

Messaggioda Foto UtenteSICILIANTRIPHASE » 29 dic 2012, 1:08

Buona sera a tutti O_/
Ho progettato e costruito un convertitore DC-DC che mi avrebbe dovuto erogare 1,5 A.
Ho utilizzato l'integrato LM317 ma ho l'impressione che non soddisfi il fabbisogno energetico del mio apparecchio. Mi chiedevo se fosse possibile mettere in parallelo due LM317 in modo da riuscire a prelevare 2,5/3 A. E' possibile?
Avatar utente
Foto UtenteSICILIANTRIPHASE
-4 6
Frequentatore
Frequentatore
 
Messaggi: 187
Iscritto il: 6 dic 2011, 14:13

0
voti

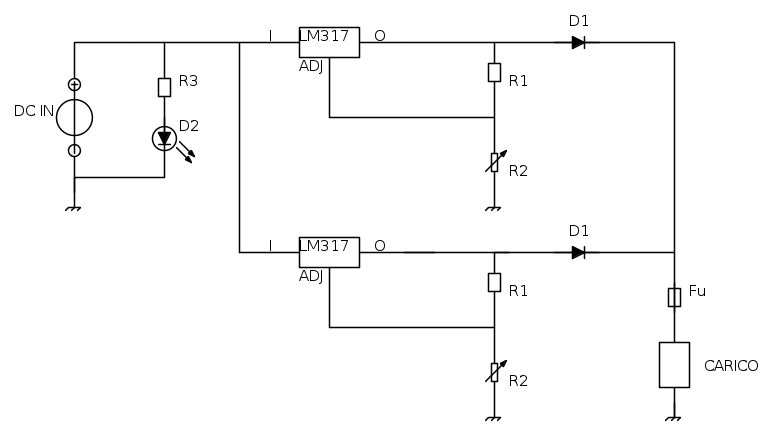
[2] Parallelo di due LM317

Messaggioda Foto UtenteSICILIANTRIPHASE » 29 dic 2012, 1:13

Posto un file in FidoCAD così da rendere idea di cosa ho intenzione di fare...
Avatar utente
Foto UtenteSICILIANTRIPHASE
-4 6
Frequentatore
Frequentatore
 
Messaggi: 187
Iscritto il: 6 dic 2011, 14:13

0
voti

[3] Re: Parallelo di due LM317

Messaggioda Foto UtenteTardoFreak » 29 dic 2012, 1:17

Puoi sempre usare un LM338.
Se non ricordo male è in grado di erogare molta più corrente.
"La follia sta nel fare sempre la stessa cosa aspettandosi risultati diversi".
"Parla soltanto quando sei sicuro che quello che dirai è più bello del silenzio".
Rispondere è cortesia, ma lasciare l'ultima parola ai cretini è arte.
Avatar utente
Foto UtenteTardoFreak
73,9k 8 12 13
-EY Legend-
-EY Legend-
 
Messaggi: 15754
Iscritto il: 16 dic 2009, 11:10
Località: Torino - 3° pianeta del Sistema Solare

0
voti

[4] Re: Parallelo di due LM317

Messaggioda Foto UtenteSICILIANTRIPHASE » 29 dic 2012, 1:20

Grazie della risposta Foto UtenteTardoFreak, ma la mia domanda era precisa.. So che posso utilizzare l' LM338 ma volevo solo sapere se la configurazione dello schema postato era valida o meno. Grazie comunque del consiglio.
Avatar utente
Foto UtenteSICILIANTRIPHASE
-4 6
Frequentatore
Frequentatore
 
Messaggi: 187
Iscritto il: 6 dic 2011, 14:13

0
voti

[5] Re: Parallelo di due LM317

Messaggioda Foto Utentesimo85 » 29 dic 2012, 1:34

A cosa servirebbero i diodi?
Avatar utente
Foto Utentesimo85
30,9k 7 12 13
Disattivato su sua richiesta
 
Messaggi: 9927
Iscritto il: 30 ago 2010, 4:59

0
voti

[6] Re: Parallelo di due LM317

Messaggioda Foto UtenteSICILIANTRIPHASE » 29 dic 2012, 1:46

Per evitare inversioni di polarità ma cosa c'entra con la mia domanda?
Avatar utente
Foto UtenteSICILIANTRIPHASE
-4 6
Frequentatore
Frequentatore
 
Messaggi: 187
Iscritto il: 6 dic 2011, 14:13

0
voti

[7] Re: Parallelo di due LM317

Messaggioda Foto Utentesimo85 » 29 dic 2012, 3:05

SICILIANTRIPHASE ha scritto:ma cosa c'entra con la mia domanda?

Niente, non centra niente.. ma di diodo te ne basta ... uno solo...
Avatar utente
Foto Utentesimo85
30,9k 7 12 13
Disattivato su sua richiesta
 
Messaggi: 9927
Iscritto il: 30 ago 2010, 4:59

3
voti

[8] Re: Parallelo di due LM317

Messaggioda Foto UtenteIsidoroKZ » 29 dic 2012, 3:28

SICILIANTRIPHASE ha scritto:Mi chiedevo se fosse possibile mettere in parallelo due LM317 in modo da riuscire a prelevare 2,5/3 A. E' possibile?


No. In generale e` difficile da farsi con il 317. Lo schema che hai fatto non funziona, ma sono gia` andato fuori tema alla domanda precisa, la cui risposta e` NO!
Per usare proficuamente un simulatore, bisogna sapere molta più elettronica di lui
Plug it in - it works better!
Il 555 sta all'elettronica come Arduino all'informatica! (entrambi loro malgrado)
Se volete risposte rispondete a tutte le mie domande
Avatar utente
Foto UtenteIsidoroKZ
121,2k 1 3 8
G.Master EY
G.Master EY
 
Messaggi: 21059
Iscritto il: 17 ott 2009, 0:00

0
voti

[9] Re: Parallelo di due LM317

Messaggioda Foto UtenteSICILIANTRIPHASE » 29 dic 2012, 11:51

[user]gohan[/user] diodo me ne basta uno perché lo posso mettere poco prima del fusibile prima del nodo?
Foto UtenteIsidoroKZ potresti aiutarmi con uno schema nuovo?
Grazie sempre a tutti!
Avatar utente
Foto UtenteSICILIANTRIPHASE
-4 6
Frequentatore
Frequentatore
 
Messaggi: 187
Iscritto il: 6 dic 2011, 14:13

1
voti

[10] Re: Parallelo di due LM317

Messaggioda Foto UtenteCandy » 29 dic 2012, 12:19

Quello schema è inutile. E' praticamente impossibile, se non con circuiti complessi e controproducenti, bilanciare ed egualiare le correnti nei due regolatori. Figuriamoci con due trimmer esterni.
Se vuoi realizzare un alimentatore lineare, per elevata corrente, considera prima che tipo di ripple ti puoi permettere, che tensione massima vuoi ottenere e, in funzione di questo e della massia tensione disponibile al raddrizzatore, scegliere la tecnica di regolazione.
Ti verrà fuori in ogni caso che serviranno almeno 5 V in più a monte del regolatore. Taqnto vale allora usare un transistor PNP come bypass di corrente. Ne abbiamo già visto molti qua e la sul forum.


E' una soluzione semplice ed efficace se si controlla bene la temperatura del regolatore e del transistor. Quindi molta attensione al progetto termico. Se il transistor scalda troppo diventa incontrollabile ed, allora, addio regolatore, e forse anche carico.
Avatar utente
Foto UtenteCandy
32,5k 7 10 13
CRU - Account cancellato su Richiesta utente
 
Messaggi: 10123
Iscritto il: 14 giu 2010, 22:54

Prossimo

Torna a Elettronica generale

Chi c’è in linea

Visitano il forum: Nessuno e 96 ospiti