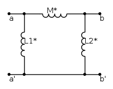
tipu91 ha scritto: ... se mi trovo di fronte ad un muto accoppiamento, nel quale le due induttanze hanno un nodo in comune ... si possono applicare delle trasformazioni che rendono più semplice lo studio del circuito: la trasformazione a

o quella a

, giusto?
Si, anche se non vedo un gran vantaggio semplificativo in quanto utilizzando tensioni e correnti alle due porte associate alle due equazioni costitutive si può fare tranquillamente a meno delle suddette semplificazioni.
tipu91 ha scritto:... si introduce un nuovo nodo (

) e i nuovi valori delle induttanze e del mutuo accoppiamento sono:

,

e

, prendendo il segno "sopra" se i contrassegni sono rivolti verso il nodo in comune.. giusto??
Giusto, ma anche se i due contrassegni
sono entrambi opposti; a mio parere però, se gli induttori sono in serie non serviva trasformare nella rete s "T", che porta solo ad un ramo inutilizzato, ma bastava sottrarre le tensioni v1-v2 (ricordando che i2=-i1) per ricavare il coefficiente di autoinduzione complessivo della serie.
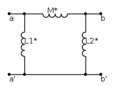
tipu91 ha scritto: ... si introduce una nuova maglia (

) con i nuovi parametri:

,

e

con

, e per i contrassegni si usa la regola spiegata in precedenza per la trasformazione a

, giusto?
Giusto, ma scusa, se i due mutui induttori sono in serie, non ti sembra che questa sia una complicazione e non una semplificazione?
tipu91 ha scritto:... il mio preblema sta nella valutazione dei contrassegni e di conseguenza nella scelta del +/-

e il collegamente "serie" come funziona?
Questa non l'ho capita; per la scelta dei segni dei parametri equivalenti, funziona come hai detto tu, aggiungendo solo che i contrassegni possono essere (equivalentemente) anche opposti al morsetto in comune.
BTW per l'apice in Latex usa
\prime come esponente, per es

... se poi vuoi spaziare un po' l'apice, aggiungi
\, per es
