Aiuto esercizio elettrotecnica
Moderatori:
g.schgor,
IsidoroKZ
4 messaggi
• Pagina 1 di 1
-2
voti
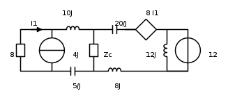
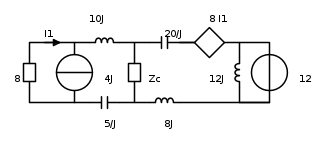
Buonasera, dovrei determinare il valore di Zc affinchè essa assorba massima potenza attiva, mi date dei consigli per iniziare? vi ringrazio in anticipo
Ultima modifica di
mir il 18 gen 2013, 12:42, modificato 1 volta in totale.
Motivazione: correzione titolo : elettroecnica in elettrotecnica
Motivazione: correzione titolo : elettroecnica in elettrotecnica
-

morbidoso88
9 3 - Messaggi: 20
- Iscritto il: 4 dic 2012, 4:52
2
voti
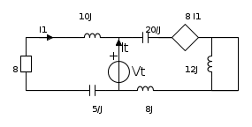
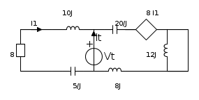
Finché non inserisci le poralità dei generatori di tensione (dipendenti e indipendenti) e il verso di corrente del generatore indipendente di corrente, non si può cominciare un bel nulla...
"Lo scienziato descrive ciò che esiste, l'ingegnere crea ciò che non era mai stato."
(T. von Kármán)
(T. von Kármán)
2
voti
Rimuovi Zc e determina l'impedenza o l'ammettenza equivalente vista dai suoi morsetti, annullando i generatori indipendenti. Per esempio:
da cui ricavi

e
da cui ricavi

e

It's a sin to write
instead of
(Anonimo).
...'cos you know that
ain't
, right?
You won't get a sexy tan if you write
in lieu of
.
Take a log for a fireplace, but don't take
for
arithm.
instead of
(Anonimo)....'cos you know that
ain't
, right?You won't get a sexy tan if you write
in lieu of
.Take a log for a fireplace, but don't take
for
arithm.-

DirtyDeeds
55,9k 7 11 13 - G.Master EY

- Messaggi: 7012
- Iscritto il: 13 apr 2010, 16:13
- Località: Somewhere in nowhere
0
voti
jordan20 ha scritto:Finché non inserisci le poralità dei generatori di tensione (dipendenti e indipendenti) e il verso di corrente del generatore indipendente di corrente, non si può cominciare un bel nulla...

"Il circuito ha sempre ragione" (Luigi Malesani)
4 messaggi
• Pagina 1 di 1
Torna a Elettrotecnica generale
Chi c’è in linea
Visitano il forum: Nessuno e 32 ospiti

Elettrotecnica e non solo (admin)
Un gatto tra gli elettroni (IsidoroKZ)
Esperienza e simulazioni (g.schgor)
Moleskine di un idraulico (RenzoDF)
Il Blog di ElectroYou (webmaster)
Idee microcontrollate (TardoFreak)
PICcoli grandi PICMicro (Paolino)
Il blog elettrico di carloc (carloc)
DirtEYblooog (dirtydeeds)
Di tutto... un po' (jordan20)
AK47 (lillo)
Esperienze elettroniche (marco438)
Telecomunicazioni musicali (clavicordo)
Automazione ed Elettronica (gustavo)
Direttive per la sicurezza (ErnestoCappelletti)
EYnfo dall'Alaska (mir)
Apriamo il quadro! (attilio)
H7-25 (asdf)
Passione Elettrica (massimob)
Elettroni a spasso (guidob)
Bloguerra (guerra)


