Dato che il timer della lavastoglie "Indesit D 6050" è andato in corto, vorrei sostituirlo con un timer (possibilmente elettronico) autocostruito che mi dia la possibilità di alimentare l'elettrodomestico con acqua calda quando è previsto l'ntervento della resistenza da 2.000 W.
Ho lo schema dei tempi dei vari interventi del timer meccanico che inserisco in allegato
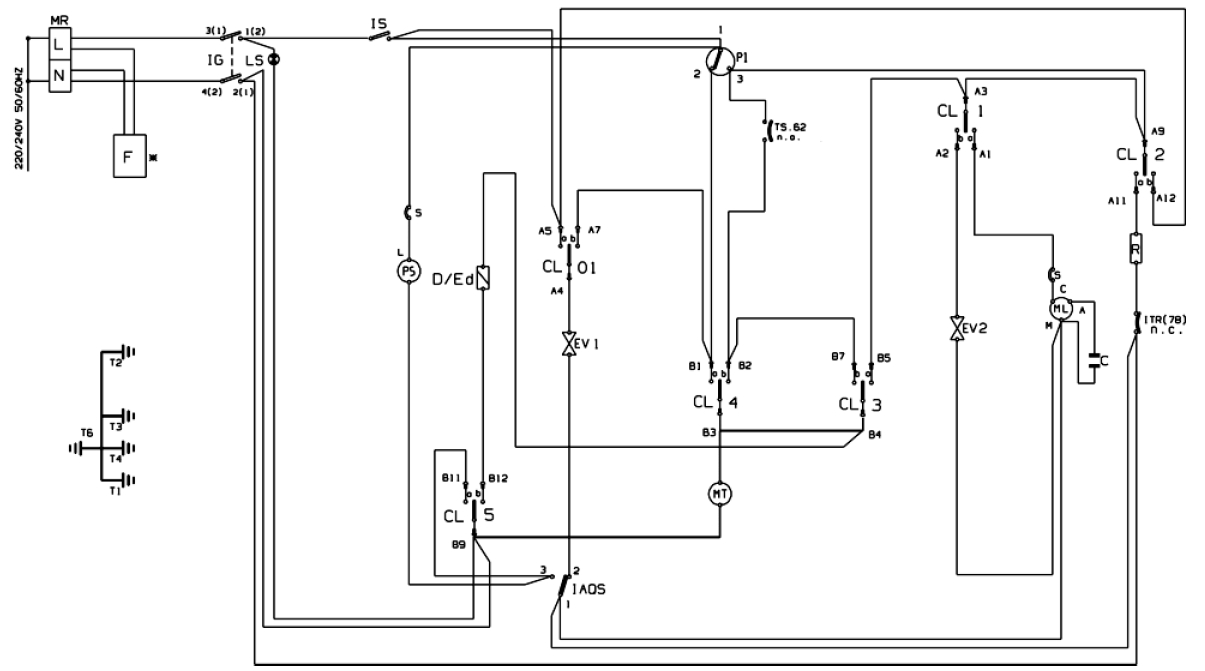
oltre che lo schema dell'impianto totale
Potrebbe essere interessante, in seguito, adattarlo anche alla lavatrice
Ho cercato in forum ma non ho trovato
Qualcuno ha esperienza sull' argomento ?
ALIMENTAZIONE LAVASTOVIGLIE - ACQUA CALDA
1 messaggio
• Pagina 1 di 1
0
voti
- Allegati
-
- MARCATURE TIMER LAVASTOV.jpg (334.64 KiB) Osservato 3318 volte
-
- SCHEMA ELETTRICO LAVASTOVIGLIE.jpg (129.41 KiB) Osservato 3318 volte
-
- TEMPI TIMER LAVASTOVIGLIE.jpg (395.44 KiB) Osservato 3325 volte
-

ettorecastallo
10 3 - New entry

- Messaggi: 57
- Iscritto il: 13 ott 2011, 10:18
1 messaggio
• Pagina 1 di 1
Chi c’è in linea
Visitano il forum: Nessuno e 5 ospiti

Elettrotecnica e non solo (admin)
Un gatto tra gli elettroni (IsidoroKZ)
Esperienza e simulazioni (g.schgor)
Moleskine di un idraulico (RenzoDF)
Il Blog di ElectroYou (webmaster)
Idee microcontrollate (TardoFreak)
PICcoli grandi PICMicro (Paolino)
Il blog elettrico di carloc (carloc)
DirtEYblooog (dirtydeeds)
Di tutto... un po' (jordan20)
AK47 (lillo)
Esperienze elettroniche (marco438)
Telecomunicazioni musicali (clavicordo)
Automazione ed Elettronica (gustavo)
Direttive per la sicurezza (ErnestoCappelletti)
EYnfo dall'Alaska (mir)
Apriamo il quadro! (attilio)
H7-25 (asdf)
Passione Elettrica (massimob)
Elettroni a spasso (guidob)
Bloguerra (guerra)