Salve a tutti.
Vorrei fare,come tesina,un plastico in movimento.
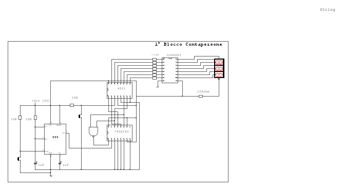
Avevo in mente,innanzitutto,una serie di "omini" che si muovevano da soli e passavano sotto un contapersone.
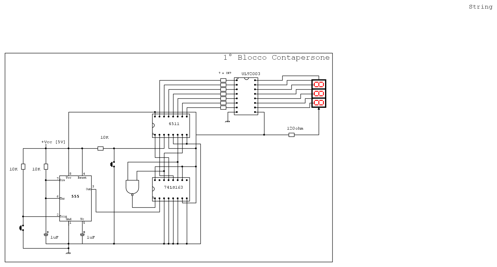
Ho progettato il contapersone come quello nella figura sotto,ma come faccio a fare muovere gli omini da soli?
Mi servirebbe tipo un rullo dove ci scorrono boh non saprei chiedo aiuto a voi.
Quello in figura è il contapersone,dove sotto dovrebbero passare gli omini che però non so come far muovere
Tesina V superiore.
Moderatori:
carloc,
g.schgor,
BrunoValente,
IsidoroKZ
3 messaggi
• Pagina 1 di 1
0
voti
0
voti
Piccole considerazioni sul circuito postato.
1) La serie TTL 74LS è vecchia e obsoleta e non so se si trova ancora. Usa la serie CMOS 74HC che consuma anche meno.
2) Le resistenze in ingresso all' ULN2003 non servono. Questo driver di corrente ha già le resistenza sulle basi dei transistori interni. Piuttosto, le resistenze sui segmenti? E la resistenza da 120Ω? A cosa serve?
3) Al posto di un 555 potrebbe esserti più comodo un semplice interruttore con una rete RC per evitare i rimbalzi. Alcuni contatori (se non erro) hanno l'ingresso di clock ad isteresi, e questo è un bene. Al limite usi una porta logica a trigger di Schmitt e risolvi.
Controlla bene lo schema. Il secondo interruttore tra il 555 e la NAND, a cosa serve? Non capisco.
Con una coppia di fotodiodi (emettitore e ricevitore) puoi fare il rilevatore di oggetti/persone.. Lo potresti interfacciare direttamente con il contatore senza interruttore.
EDIT2: con la resistenza da 120Ω vuoi limitare la corrente di tutti i segmenti se ho capito bene.
1) La serie TTL 74LS è vecchia e obsoleta e non so se si trova ancora. Usa la serie CMOS 74HC che consuma anche meno.
2) Le resistenze in ingresso all' ULN2003 non servono. Questo driver di corrente ha già le resistenza sulle basi dei transistori interni. Piuttosto, le resistenze sui segmenti? E la resistenza da 120Ω? A cosa serve?
3) Al posto di un 555 potrebbe esserti più comodo un semplice interruttore con una rete RC per evitare i rimbalzi. Alcuni contatori (se non erro) hanno l'ingresso di clock ad isteresi, e questo è un bene. Al limite usi una porta logica a trigger di Schmitt e risolvi.
Controlla bene lo schema. Il secondo interruttore tra il 555 e la NAND, a cosa serve? Non capisco.
Mi servirebbe tipo un rullo dove ci scorrono boh non saprei chiedo aiuto a voi.
Con una coppia di fotodiodi (emettitore e ricevitore) puoi fare il rilevatore di oggetti/persone.. Lo potresti interfacciare direttamente con il contatore senza interruttore.
EDIT2: con la resistenza da 120Ω vuoi limitare la corrente di tutti i segmenti se ho capito bene.
0
voti
Se hai realmente voglia di farlo, non è impossibile. Prendi alcuni soldatini di qualche specie, pressapoco della stessa misura, e li incolli ad un disco di un diametro significatico, ma non esagerato, per poterlo poi trasportare. Un vecchio piatto di plastica oppure il fondo di cartone di qualche torta.
Al centro del piatto praticherai un foro e, ad esempio, col motorino di un vecchio programmatore lavatrice lo farai girare. Oppure anche solo manualmente. Ed ecco che gli "omini" si muoveranno.
Al centro del piatto praticherai un foro e, ad esempio, col motorino di un vecchio programmatore lavatrice lo farai girare. Oppure anche solo manualmente. Ed ecco che gli "omini" si muoveranno.
-

Candy
32,5k 7 10 13 - CRU - Account cancellato su Richiesta utente
- Messaggi: 10123
- Iscritto il: 14 giu 2010, 22:54
3 messaggi
• Pagina 1 di 1
Chi c’è in linea
Visitano il forum: Nessuno e 43 ospiti

Elettrotecnica e non solo (admin)
Un gatto tra gli elettroni (IsidoroKZ)
Esperienza e simulazioni (g.schgor)
Moleskine di un idraulico (RenzoDF)
Il Blog di ElectroYou (webmaster)
Idee microcontrollate (TardoFreak)
PICcoli grandi PICMicro (Paolino)
Il blog elettrico di carloc (carloc)
DirtEYblooog (dirtydeeds)
Di tutto... un po' (jordan20)
AK47 (lillo)
Esperienze elettroniche (marco438)
Telecomunicazioni musicali (clavicordo)
Automazione ed Elettronica (gustavo)
Direttive per la sicurezza (ErnestoCappelletti)
EYnfo dall'Alaska (mir)
Apriamo il quadro! (attilio)
H7-25 (asdf)
Passione Elettrica (massimob)
Elettroni a spasso (guidob)
Bloguerra (guerra)


