Buongiorno a tutti,
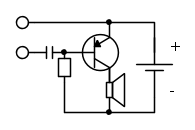
volevo realizzare questo circuito di un piccolo e semplicissimo amplificatore trovato qui: http://elettroportale.altervista.org/Ampli_A.html
tuttavia anziché un BD139 possiedo un BD138; speravo che il nome simile indicasse similarità di parametri ed invece anziché un NPN il BD138 è un PNP...
è possibile creare un circuito semplice come quello proposto ma adatto a questa tipologia di transistor? perché ne ho alcuni in casa e sinceramente non so che farmene xD
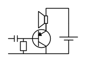
Io ho buttato giù questo circuito (anche se senza sapere bene cosa stavo facendo) xD... Pensate possa essere ok? oppure cosa ho sbagliato??
Vi ringrazio tantissimo
Amplificatore tipo A con PNP anziché NPN
Moderatori:
carloc,
g.schgor,
BrunoValente,
IsidoroKZ
6 messaggi
• Pagina 1 di 1
0
voti
1
voti
Sì, puoi utilizzare i tuoi PNP, ma il circuito va fatto così
Tieni conto del fatto che questo circuto è adatto solo per giocare, non è vero che non distorce, anzi...
Tieni conto del fatto che questo circuto è adatto solo per giocare, non è vero che non distorce, anzi...
-

BrunoValente
39,6k 7 11 13 - G.Master EY

- Messaggi: 7796
- Iscritto il: 8 mag 2007, 14:48
1
voti
BrunoValente ha scritto: ...Tieni conto del fatto che questo circuto è adatto solo per giocare, non è vero che non distorce, anzi...
Come "Non farei mai parte di un club che accettasse la mia iscrizione" (G. Marx)
-

claudiocedrone
21,3k 4 7 9 - Master EY

- Messaggi: 15300
- Iscritto il: 18 gen 2012, 13:36
0
voti
claudiocedrone ha scritto:BrunoValente ha scritto: ...Tieni conto del fatto che questo circuto è adatto solo per giocare, non è vero che non distorce, anzi...
Come
Ma se è un pregevole ampli monotransistor ad accoppiamento diretto senza alcuna controreazione...
![]()
![]()
![]()
![]()
![]()
Hai ragione! mi erano sfiggite certe peculiarità.
Potremmo provare a costruirlo e a venderlo: se ti interessa potresti entrare in società...conosco certi ambientini frequentati da gente in gamba dove potremmo rifilarlo facilmente a 5000€ e oltre

-

BrunoValente
39,6k 7 11 13 - G.Master EY

- Messaggi: 7796
- Iscritto il: 8 mag 2007, 14:48
0
voti

"Non farei mai parte di un club che accettasse la mia iscrizione" (G. Marx)
-

claudiocedrone
21,3k 4 7 9 - Master EY

- Messaggi: 15300
- Iscritto il: 18 gen 2012, 13:36
0
voti
Grazie mille
BrunoValente
lo schema del super e "pregevole ampli monotransistor ad accoppiamento diretto senza alcuna controreazione..." ha avuto immenso successo!!
Grazie, grazie, grazie mille
lo schema del super e "pregevole ampli monotransistor ad accoppiamento diretto senza alcuna controreazione..." ha avuto immenso successo!!
Grazie, grazie, grazie mille

6 messaggi
• Pagina 1 di 1
Chi c’è in linea
Visitano il forum: Nessuno e 57 ospiti

Elettrotecnica e non solo (admin)
Un gatto tra gli elettroni (IsidoroKZ)
Esperienza e simulazioni (g.schgor)
Moleskine di un idraulico (RenzoDF)
Il Blog di ElectroYou (webmaster)
Idee microcontrollate (TardoFreak)
PICcoli grandi PICMicro (Paolino)
Il blog elettrico di carloc (carloc)
DirtEYblooog (dirtydeeds)
Di tutto... un po' (jordan20)
AK47 (lillo)
Esperienze elettroniche (marco438)
Telecomunicazioni musicali (clavicordo)
Automazione ed Elettronica (gustavo)
Direttive per la sicurezza (ErnestoCappelletti)
EYnfo dall'Alaska (mir)
Apriamo il quadro! (attilio)
H7-25 (asdf)
Passione Elettrica (massimob)
Elettroni a spasso (guidob)
Bloguerra (guerra)

