Ciao, vorrei collegare una tastiera a matrice 4x4 (non un tastierino numerico) ad un pic18f4450, è possibile far vedere al PIC la pressione di più tasti contemporaneamente?
Mi serve per uno strumento musicale.
Grazie
tastiera a matrice
Moderatore:
Paolino
8 messaggi
• Pagina 1 di 1
0
voti
Se per a matrice intendi multiplexing no (quasi...alcune combinazioni potrebbero essere distinguibili) è lo svantagio di usare meno linee di controllo.
Ultima modifica di
fairyvilje il 20 feb 2013, 21:13, modificato 1 volta in totale.
"640K ought to be enough for anybody" Bill Gates (?) 1981
Qualcosa non ha funzionato...
Lo sapete che l'arroganza in informatica si misura in nanodijkstra?
Qualcosa non ha funzionato...
Lo sapete che l'arroganza in informatica si misura in nanodijkstra?
-

fairyvilje
15,0k 4 9 12 - G.Master EY

- Messaggi: 3047
- Iscritto il: 24 gen 2012, 19:23
1
voti
quanti contemporaneamente?
Pietro
Pietro
-

PietroBaima
90,7k 7 12 13 - G.Master EY

- Messaggi: 12206
- Iscritto il: 12 ago 2012, 1:20
- Località: Londra
0
voti
Tre oppure quattro. Vi sono altre soluzioni? Una volta ho smontato una tastiera musicale e ho notato che c'erano solo quattro piste che collegavano tutti i pulsanti alla scheda.
-

guidonetto
13 1 5 - Frequentatore

- Messaggi: 124
- Iscritto il: 8 mag 2011, 21:08
1
voti
In genere quelle tastiere usano delle reti resistive per creare una tensione analogica che viene campionata con l'ADC interno (tipo, per esempio una R-2R, che però non va bene per le tastiere a matrice) oppure si usa la rete resistiva per variare la frequenza di un oscillatore che viene letta dal microcontrollore attraverso un pin. Dalla tensione analogica o dalla frequenza si ricostruisce la configurazione di tasti premuta tramite una look-up table.
Ho fatto di queste cose, ma, in effetti, mai con una tastiera a matrice.
Devi per forza usare una tastiera a matrice o puoi collegare i tasti come vuoi?
Potresti provare a chiedere anche a
TardoFreak se ne sa qualcosa. Lui è molto esperto di micro.
Pietro.
Ho fatto di queste cose, ma, in effetti, mai con una tastiera a matrice.
Devi per forza usare una tastiera a matrice o puoi collegare i tasti come vuoi?
Potresti provare a chiedere anche a
Pietro.
-

PietroBaima
90,7k 7 12 13 - G.Master EY

- Messaggi: 12206
- Iscritto il: 12 ago 2012, 1:20
- Località: Londra
0
voti
Ciao, mi scrivi che genere di cose ha fatto? Ti riferisci alla tastiera come strumento?
-

guidonetto
13 1 5 - Frequentatore

- Messaggi: 124
- Iscritto il: 8 mag 2011, 21:08
2
voti
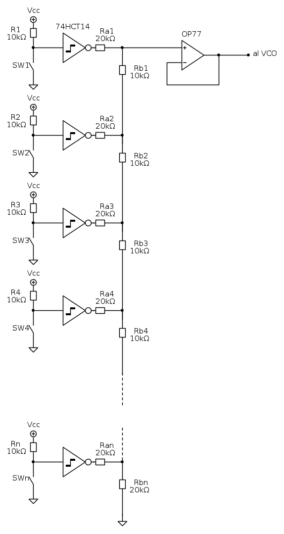
Se hai abbastanza memoria potresti usare una rete del tipo postato qui sotto.
Il VCO trasforma la tensione al suo ingresso in una frequenza di uscita, che puoi misurare molto bene facendo funzionare il microcontrollore da frequenzimetro.
Devi curare molto bene lo stampato e devi avere anche cura di creare una alimentazione apposita per la tastiera, le porte logiche, l'operazionale e il VCO.
Dopodichè potrai leggere qualunque combinazione di tasti da te voluta, anche 16 contemporaneamente.
Avevo fatto così per 8 tasti e funzionava molto bene.
Il VCO trasforma la tensione al suo ingresso in una frequenza di uscita, che puoi misurare molto bene facendo funzionare il microcontrollore da frequenzimetro.
Devi curare molto bene lo stampato e devi avere anche cura di creare una alimentazione apposita per la tastiera, le porte logiche, l'operazionale e il VCO.
Dopodichè potrai leggere qualunque combinazione di tasti da te voluta, anche 16 contemporaneamente.
Avevo fatto così per 8 tasti e funzionava molto bene.
-

PietroBaima
90,7k 7 12 13 - G.Master EY

- Messaggi: 12206
- Iscritto il: 12 ago 2012, 1:20
- Località: Londra
0
voti
Stavo pensando che effettivamente con 16 bit diventa difficile da fare perché sarebbe molto sensibile al rumore.
Potresti dividere la tastiera in due tastiere da 8 tasti (utilizzando due bit del microcontrollore), oppure, meglio, potresti usare anche un sistema chiamato N-key roll over. (grazie
IsidoroKZ!)
Consiste nell'inserire in serie al tasto della matrice un diodo, che eviterà il crearsi di corto circuiti quando farai la scansione.
Trovi informazioni in proposito qui.
Pietro.
Potresti dividere la tastiera in due tastiere da 8 tasti (utilizzando due bit del microcontrollore), oppure, meglio, potresti usare anche un sistema chiamato N-key roll over. (grazie
Consiste nell'inserire in serie al tasto della matrice un diodo, che eviterà il crearsi di corto circuiti quando farai la scansione.
Trovi informazioni in proposito qui.
Pietro.
-

PietroBaima
90,7k 7 12 13 - G.Master EY

- Messaggi: 12206
- Iscritto il: 12 ago 2012, 1:20
- Località: Londra
8 messaggi
• Pagina 1 di 1
Torna a Firmware e programmazione
Chi c’è in linea
Visitano il forum: Nessuno e 0 ospiti

Elettrotecnica e non solo (admin)
Un gatto tra gli elettroni (IsidoroKZ)
Esperienza e simulazioni (g.schgor)
Moleskine di un idraulico (RenzoDF)
Il Blog di ElectroYou (webmaster)
Idee microcontrollate (TardoFreak)
PICcoli grandi PICMicro (Paolino)
Il blog elettrico di carloc (carloc)
DirtEYblooog (dirtydeeds)
Di tutto... un po' (jordan20)
AK47 (lillo)
Esperienze elettroniche (marco438)
Telecomunicazioni musicali (clavicordo)
Automazione ed Elettronica (gustavo)
Direttive per la sicurezza (ErnestoCappelletti)
EYnfo dall'Alaska (mir)
Apriamo il quadro! (attilio)
H7-25 (asdf)
Passione Elettrica (massimob)
Elettroni a spasso (guidob)
Bloguerra (guerra)
pigreco]=π