Ciao a tutti,
devo montare dei TA 1000/5( serie apribile ) in quadro di distribuzione 400V ,la bandellatura che parte dall'interruttore si dirama T, se metto i TA subito dopo la diramazione la corrente rilevata è solo quella dei carichi alimentati da quella parte di bandellatura ? Siccome a magazzino ho i TA ma non ancora gli strumenti da collegare , se monto i TA devo mettere in corto circuito i collegamenti destinati allo strumento o posso lasciarli aperti? Un ultima domanda, il TA deve essere messo a terra?
Grazie
Montaggio e collegamento TA
6 messaggi
• Pagina 1 di 1
0
voti
se monto i TA devo mettere in corto circuito i collegamenti destinati allo strumento o posso lasciarli aperti? Un’ultima domanda, il TA deve essere messo a terra?
I TA in assenza degli strumenti devono essere chiusi in cortocircuito; inoltre un terminale secondario TA di ognuno, devono essere messi a terra.
-

StefanoSunda
2.880 3 6 10 - Master

- Messaggi: 1962
- Iscritto il: 16 set 2010, 19:29
0
voti
Grazie per le risposte..
per quanto riguarda invece il posizionamento dei TA sulla bandellatura?
per quanto riguarda invece il posizionamento dei TA sulla bandellatura?
0
voti
saka74 ha scritto:per quanto riguarda invece il posizionamento dei TA sulla bandellatura?
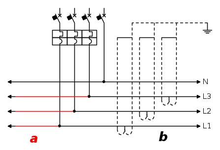
Se monti i T.A. su un ramo della T in derivazione dall'interruttore, questi misureranno solo la corrente che attraversa tale ramo.
Nel disegno sotto, una volta inserito lo strumento cui collegare i T.A. rileverai le correnti sul ramo b, ma non quelle sul ramo a.
Ognuno sta solo sul cuor della terra
trafitto da un raggio di sole:
ed è subito sera
Salvatore Quasimodo
trafitto da un raggio di sole:
ed è subito sera
Salvatore Quasimodo
0
voti
Se vuoi cortocircuitare comondamente i secondari dei TA, in modo tale da poterli utilizzare anche togliendo lo strumento di misura, utilizza dei morsetti cortocircuitabili. Cabli il secondario di ogni TA su due morsetti di quel tipo (io utilizzo i cabur SCB.6) , abbassando o alzando un ponticello puoi decidere se cortocircuitare o meno il trasformatore amperometrico. Ovviamente i Ta vanno montati appena a valle degli attacchi dell'interruttore , altrimenti hai il problema che ha evidenziato Attilio. Nei casi in cui è impossibile montare i Ta nella posizione corretta per la lettura della corrente si puo ricorrere ai dei TA sommatori, però in quel caso serviranno tra TA sul primo ramo, tre TA sul secondo e tre TA sommatori. Alla fine 9 TA invece che tre, se è possibile meglio montare i TA in posizione opportuna
0
voti
Ciao,
anche se con parecchio ritardo ringrazio tutti per le risposte .
anche se con parecchio ritardo ringrazio tutti per le risposte .
6 messaggi
• Pagina 1 di 1
Chi c’è in linea
Visitano il forum: Nessuno e 7 ospiti

Elettrotecnica e non solo (admin)
Un gatto tra gli elettroni (IsidoroKZ)
Esperienza e simulazioni (g.schgor)
Moleskine di un idraulico (RenzoDF)
Il Blog di ElectroYou (webmaster)
Idee microcontrollate (TardoFreak)
PICcoli grandi PICMicro (Paolino)
Il blog elettrico di carloc (carloc)
DirtEYblooog (dirtydeeds)
Di tutto... un po' (jordan20)
AK47 (lillo)
Esperienze elettroniche (marco438)
Telecomunicazioni musicali (clavicordo)
Automazione ed Elettronica (gustavo)
Direttive per la sicurezza (ErnestoCappelletti)
EYnfo dall'Alaska (mir)
Apriamo il quadro! (attilio)
H7-25 (asdf)
Passione Elettrica (massimob)
Elettroni a spasso (guidob)
Bloguerra (guerra)



