i dati sono:
R1=4.5 ohm R2=R3=R4=3 ohm R5=R6=9 ohm J=5 A V=20 V
devo determinare V(ab) il cui valore come porta il risultato dovra' essere 21.25V
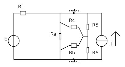
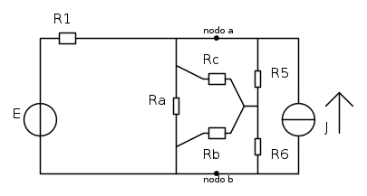
devo effettuare trasformazioni stella triangolo.. e ho pertanto proceduto trasformando il circuito come segue
ricordando che
Ra=
= 9 ohmRb=
= 9 ohmRc=
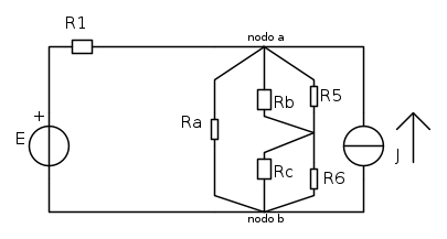
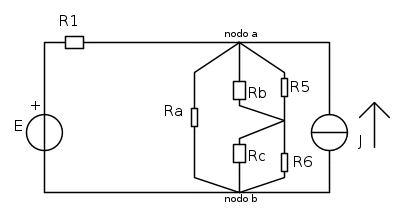
= 9 ohmottengo pertanto il seguente circuito
non me ne vogliate per il disegno ma non riesco benissimo comunque una volta fatto questa trasformazione ho applicato la sovrapposizione degli effetti spegnendo prima il gen corrente e quindi rilevando il parallelo R5 Rc e un secondo parallelo R6 Rb ..
Rilevando poi la serie tra i due paralleli e poi non sono piu sicura di nulla.. dato che non si trova.. qualcuno mi puo dare una mano?

Elettrotecnica e non solo (admin)
Un gatto tra gli elettroni (IsidoroKZ)
Esperienza e simulazioni (g.schgor)
Moleskine di un idraulico (RenzoDF)
Il Blog di ElectroYou (webmaster)
Idee microcontrollate (TardoFreak)
PICcoli grandi PICMicro (Paolino)
Il blog elettrico di carloc (carloc)
DirtEYblooog (dirtydeeds)
Di tutto... un po' (jordan20)
AK47 (lillo)
Esperienze elettroniche (marco438)
Telecomunicazioni musicali (clavicordo)
Automazione ed Elettronica (gustavo)
Direttive per la sicurezza (ErnestoCappelletti)
EYnfo dall'Alaska (mir)
Apriamo il quadro! (attilio)
H7-25 (asdf)
Passione Elettrica (massimob)
Elettroni a spasso (guidob)
Bloguerra (guerra)







