Ciao a tutti,
avrei la necessità di proteggere dalle sovratensioni lo stadio d'ingresso di uno strumento di misura.
Lo stadio d'ingresso è costituito da amplificatore operazionale nella configurazione non invertente, con amplificazione pari a 10 e alimentato con una tensione duale di ±12 V. Il campo di tensioni d'ingresso dovrebbe essere di almeno ±2 V, e la banda passante dovrebbe essere di almeno 500 kHz.
La necessità è quella di non danneggiare il dispositivo se all'ingresso viene applicata accidentalmente una tensione eccessiva (almeno fino a 600 V).
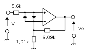
A questo scopo, ho pensato di collegare due diodi in antiparalleo tra i morsetti d'ingresso.
In questo modo, mi aspetto che i diodi siano ininfluenti fintanto che l'operazionale sia in regime lineare, e proteggano l'ingresso nel caso in cui il segnale d'ingresso superi la tensione d'alimentazione.
Questa soluzione può essere valida, oppure esistono approcci migliori?
Ciao,
Niki
Protezione dell'ingresso di un operazionale
Moderatori:
carloc,
g.schgor,
BrunoValente,
IsidoroKZ
46 messaggi
• Pagina 1 di 5 • 1, 2, 3, 4, 5
2
voti
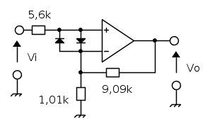
Così com'è quella protezione non è sufficiente, perché limita la tensione differenziale ma non quella di modo comune.
It's a sin to write
instead of
(Anonimo).
...'cos you know that
ain't
, right?
You won't get a sexy tan if you write
in lieu of
.
Take a log for a fireplace, but don't take
for
arithm.
instead of
(Anonimo)....'cos you know that
ain't
, right?You won't get a sexy tan if you write
in lieu of
.Take a log for a fireplace, but don't take
for
arithm.-

DirtyDeeds
55,9k 7 11 13 - G.Master EY

- Messaggi: 7012
- Iscritto il: 13 apr 2010, 16:13
- Località: Somewhere in nowhere
2
voti
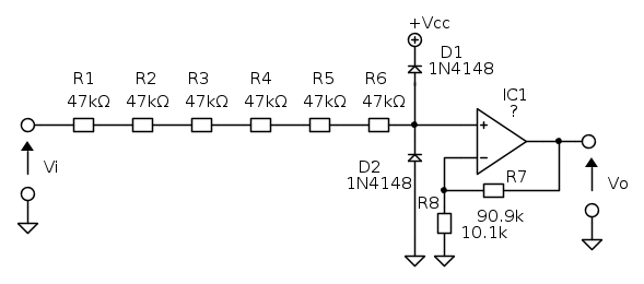
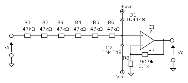
600V sono tanti, devi fare attenzione che le resistenze Through-hole classiche resistono ad un massimo di 100V, quindi dovresti metterne 6 in serie. Attenzione anche a quanta corrente scorrerebbe se davvero tu applicassi 600V nelle resistenze e nei diodi.
Io proverei così. Tutte le R sono da 1/4W.
Ciao,
Pietro.
Io proverei così. Tutte le R sono da 1/4W.
Ciao,
Pietro.
-

PietroBaima
90,7k 7 12 13 - G.Master EY

- Messaggi: 12206
- Iscritto il: 12 ago 2012, 1:20
- Località: Londra
3
voti
PietroBaima ha scritto:le resistenze Through-hole classiche resistono ad un massimo di 100V
Be' non esageriamo così verso il basso
Comunque concordo nel suddividere la tensione e la potenza dissipata su più resistori.
Con un valore di resistenza totale così alta però, la banda rischia di diventare insufficiente. E' probabile che tra diodi e op amp ti ritrovi con una quindicina di pF all'ingresso e la banda diventerebbe al più di una quarantina di kHz.
It's a sin to write
instead of
(Anonimo).
...'cos you know that
ain't
, right?
You won't get a sexy tan if you write
in lieu of
.
Take a log for a fireplace, but don't take
for
arithm.
instead of
(Anonimo)....'cos you know that
ain't
, right?You won't get a sexy tan if you write
in lieu of
.Take a log for a fireplace, but don't take
for
arithm.-

DirtyDeeds
55,9k 7 11 13 - G.Master EY

- Messaggi: 7012
- Iscritto il: 13 apr 2010, 16:13
- Località: Somewhere in nowhere
2
voti
-

PietroBaima
90,7k 7 12 13 - G.Master EY

- Messaggi: 12206
- Iscritto il: 12 ago 2012, 1:20
- Località: Londra
0
voti
DirtyDeeds ha scritto:Con un valore di resistenza totale così alta però, la banda rischia di diventare insufficiente. E' probabile che tra diodi e op amp ti ritrovi con una quindicina di pF all'ingresso e la banda diventerebbe al più di una quarantina di kHz.
Yep!
Hai ragione!!!

-

PietroBaima
90,7k 7 12 13 - G.Master EY

- Messaggi: 12206
- Iscritto il: 12 ago 2012, 1:20
- Località: Londra
3
voti
Conviene che
nikiT specifichi anche il possibile tempo di applicazione di una tensione così alta. Se è transitoria, è un conto, ma se la tensione può essere applicata anche per tempi lunghi, allora è un'altra storia.
Nel primo caso, se il transitorio durasse pochi ms, si potrebbe accettare di ridurre il valore della resistenza serie. Nel secondo, bisognerebbe invece aggiungere un circuito di rivelazione della sovratensione che inserisca poi una resistenza serie di valore più elevato.
Nel primo caso, se il transitorio durasse pochi ms, si potrebbe accettare di ridurre il valore della resistenza serie. Nel secondo, bisognerebbe invece aggiungere un circuito di rivelazione della sovratensione che inserisca poi una resistenza serie di valore più elevato.
It's a sin to write
instead of
(Anonimo).
...'cos you know that
ain't
, right?
You won't get a sexy tan if you write
in lieu of
.
Take a log for a fireplace, but don't take
for
arithm.
instead of
(Anonimo)....'cos you know that
ain't
, right?You won't get a sexy tan if you write
in lieu of
.Take a log for a fireplace, but don't take
for
arithm.-

DirtyDeeds
55,9k 7 11 13 - G.Master EY

- Messaggi: 7012
- Iscritto il: 13 apr 2010, 16:13
- Località: Somewhere in nowhere
2
voti
PietroBaima ha scritto:Errore!
Bisogna sempre tenere presente la capacità di modo comune che c'è sugli ingressi degli op amp: se alzi troppo le resistenze di retroazione ti ritrovi con un polo in più nel guadagno d'anello che può diventare abbastanza fastidioso.
It's a sin to write
instead of
(Anonimo).
...'cos you know that
ain't
, right?
You won't get a sexy tan if you write
in lieu of
.
Take a log for a fireplace, but don't take
for
arithm.
instead of
(Anonimo)....'cos you know that
ain't
, right?You won't get a sexy tan if you write
in lieu of
.Take a log for a fireplace, but don't take
for
arithm.-

DirtyDeeds
55,9k 7 11 13 - G.Master EY

- Messaggi: 7012
- Iscritto il: 13 apr 2010, 16:13
- Località: Somewhere in nowhere
0
voti
Sì, avevo alzato le resistenze di reazione per compensazione, quindi la cosa era voluta.
Come dicevo ho trascurato del tutto la banda passante
Oggi non sono in forma!!
Guilty Pietro.
Come dicevo ho trascurato del tutto la banda passante
Oggi non sono in forma!!
Guilty Pietro.
-

PietroBaima
90,7k 7 12 13 - G.Master EY

- Messaggi: 12206
- Iscritto il: 12 ago 2012, 1:20
- Località: Londra
6
voti
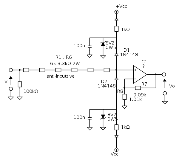
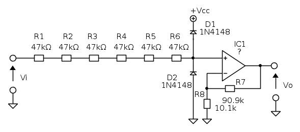
Senza complicare il circuito con soglie e relè....si potrebbe provare con questo....
si potrebbe stimare una banda intorno a
La massima corrente in ingresso varrebbe circa

che non dovrebbe dare problemi agli Zener, tralasciando il bias di un paio di mA sempre presente ma considerando invece un aumento di tensione dovuto alla resistenza differenziale,

Il vero problema sono ovviamente le resistenze serie R1...R6, in toto si beccano circa

cioè circa 3W ciascuna....
ora magari delle resistenze da 2W (più potenti non sono facile da trovare a carbone o film) resistono "un po' " dissipando 3W
allora o si aumentano in numero fermo restando la resistenza totale serie o si rivedono le richieste come banda o come tensione di "sopravvivenza".
si potrebbe stimare una banda intorno a

La massima corrente in ingresso varrebbe circa

che non dovrebbe dare problemi agli Zener, tralasciando il bias di un paio di mA sempre presente ma considerando invece un aumento di tensione dovuto alla resistenza differenziale,

Il vero problema sono ovviamente le resistenze serie R1...R6, in toto si beccano circa

cioè circa 3W ciascuna....
ora magari delle resistenze da 2W (più potenti non sono facile da trovare a carbone o film) resistono "un po' " dissipando 3W
allora o si aumentano in numero fermo restando la resistenza totale serie o si rivedono le richieste come banda o come tensione di "sopravvivenza".
Se ti serve il valore di beta: hai sbagliato il progetto!
46 messaggi
• Pagina 1 di 5 • 1, 2, 3, 4, 5
Chi c’è in linea
Visitano il forum: Nessuno e 188 ospiti

Elettrotecnica e non solo (admin)
Un gatto tra gli elettroni (IsidoroKZ)
Esperienza e simulazioni (g.schgor)
Moleskine di un idraulico (RenzoDF)
Il Blog di ElectroYou (webmaster)
Idee microcontrollate (TardoFreak)
PICcoli grandi PICMicro (Paolino)
Il blog elettrico di carloc (carloc)
DirtEYblooog (dirtydeeds)
Di tutto... un po' (jordan20)
AK47 (lillo)
Esperienze elettroniche (marco438)
Telecomunicazioni musicali (clavicordo)
Automazione ed Elettronica (gustavo)
Direttive per la sicurezza (ErnestoCappelletti)
EYnfo dall'Alaska (mir)
Apriamo il quadro! (attilio)
H7-25 (asdf)
Passione Elettrica (massimob)
Elettroni a spasso (guidob)
Bloguerra (guerra)



pigreco]=π

