Difetti di un alimentatore per LED

Elettronica lineare e digitale: didattica ed applicazioni

Moderatori: Foto Utentecarloc, Foto Utenteg.schgor, Foto UtenteBrunoValente, Foto UtenteIsidoroKZ

Avatar utente
Foto Utentecarlohak
0 4
Frequentatore
Frequentatore
Messaggi: 110
Iscritto il: 3 giu 2008, 20:10
0
voti

[1] Difetti di un alimentatore per LED

Messaggioda Foto Utentecarlohak » 3 giu 2013, 10:12

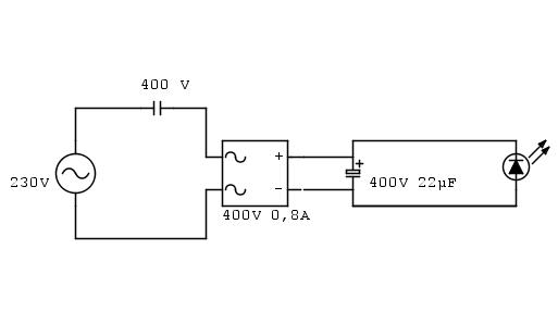
salve a tutti e mi scuso già se ho postato nella sezione errata. Avrei bisogno di qualcuno che mi trovi il difetto nel seguente alimentatore per led. io alimento i led nella seguente maniera: condensatore in poliestere sulla fase dell'alternata per limitare la corrente, ponte diodi, condensatore elettrolitico all'uscita del ponte diodi e led. il tutto funziona alla grande. però poiché non mi ritengo un genio e non riesco a capire come mai tutti i led driver in circolazione utilizzano componenti più complessi vorrei sapere che difetti ha questo alimentatore secondo voi. grazie di tutto e spero rispondiate in tanti.

Avatar utente
Foto Utentemarco438
37,1k 7 11 13
-EY Legend-
-EY Legend-
Messaggi: 16323
Iscritto il: 24 mar 2010, 14:09
Località: Versilia
0
voti

[2] Re: difetti di un alimentatore per led

Messaggioda Foto Utentemarco438 » 3 giu 2013, 10:34

Forse e' meglio se fai uno schema in FidoCadJ del tuo alimentatore (con tutti i valori dei componenti); in questo modo, chi vorra' aiutarti potra' agevolmente apportare allo schema correzioni o modifiche e se ne potra' discutere senza fraintendimenti.
marco

Avatar utente
Foto Utentecarlohak
0 4
Frequentatore
Frequentatore
Messaggi: 110
Iscritto il: 3 giu 2008, 20:10
0
voti

[3] Re: difetti di un alimentatore per led

Messaggioda Foto Utentecarlohak » 3 giu 2013, 13:46

Grazie Marco ecco il circuito stupido. il valore della capacità del condensatore in poliestere non l'ho inserito perché dipende da che corrente voglio far arrivare al led. comunque basta fare il calcolo della reattanza. spero che qualcuno mi aiuti a trovare il difetto di questo alimentatore anche se ribadisco che va alla grande
alimentatore.jpg
alimentatore.jpg (9.96 KiB) Visto 5297 volte

Avatar utente
Foto Utentemrc
10,5k 6 11 13
Expert EY
Expert EY
Messaggi: 4023
Iscritto il: 16 apr 2009, 9:32
Contatta:
0
voti

[4] Re: difetti di un alimentatore per led

Messaggioda Foto Utentemrc » 3 giu 2013, 14:05

Ciao.

Nel disegno hai sbagliato la polarità del led.
Gli schemi elettrici vanno eseguiti utilizzando FIdoCadJ; dovresti esserne a conoscenza visto che sei iscritto a questo forum già da qualche anno. ;-)

carlohak ha scritto:...qualcuno mi aiuti a trovare il difetto di questo alimentatore...

I difetti di questa configurazione sono sostanzialmente due:

1) Il carico non risulta isolato dalla tensione di rete, quindi il pericolo di "folgorazione" è molto elevato.

2) La corrente prelevabile da questo alimentatore è molto bassa, in quanto per ottenere delle correnti elevate occorrerebbe avere a disposizione dei condensatori perticolari di grossa capacità e costosi.
Quindi se i led necessitano di una corrente sostanziosa questo tipo di alimentatori non sono più indicati.

Se vuoi approfondire, ai seguenti link trovi un paio di articoli su questo argomento:

http://www.electroyou.it/isidorokz/wiki/articolo1

http://www.electroyou.it/powermos/wiki/transformerless

Avatar utente
Foto UtenteFedericoSibona
5.022 3 5 8
Master
Master
Messaggi: 3951
Iscritto il: 19 mar 2013, 10:43
1
voti

[5] Re: difetti di un alimentatore per led

Messaggioda Foto UtenteFedericoSibona » 3 giu 2013, 14:10

I driver che trovi "in giro" erogano corrente costante adatta ai LED che si usano, che è la miglior alimentazione possibile per i LED (durata maggiore), per questo hanno una maggior complessità circuitale.

---------------------------------------------
Foto Utentemrc, ha risposto mentre scrivevo ed ha detto altri validi motivi per cui si usano i driver.

Avatar utente
Foto Utentemrc
10,5k 6 11 13
Expert EY
Expert EY
Messaggi: 4023
Iscritto il: 16 apr 2009, 9:32
Contatta:
0
voti

[6] Re: difetti di un alimentatore per led

Messaggioda Foto Utentemrc » 3 giu 2013, 14:14

Hai ragione Foto UtenteFedericoSibona, mi era sfuggito! #-o

Quindi Foto Utentecarlohak, l' ulteriore "difetto" indicato, giustamente, da FedericoSibona è da aggiungere ai due che ti ho indicato nel mio post.

Avatar utente
Foto Utentecarlohak
0 4
Frequentatore
Frequentatore
Messaggi: 110
Iscritto il: 3 giu 2008, 20:10
0
voti

[7] Re: difetti di un alimentatore per led

Messaggioda Foto Utentecarlohak » 3 giu 2013, 14:22

io vi ho chiesto un consiglio però scusatemi ma questo non è un consiglio. cioè mi volete dire che un led driver eroga corrente costante e mi va bene. ma la mia domanda è stata un'altra: perché se anche il mio alimentatore eroga corrente costante non dovrebbe andare bene? che ne so ditemi pure una fesseria per esempio che avete controllato con l'oscilloscopio e la corrente in realtà ha dei picchi superiori a 30 mA. ionoltre usare un led driver non è la cosa migliore sempre. vi faccio un esempio i led driver vengono venduti per alimentare i led: chi te li vende lo fa per vendere e ti da per esempio per led che tipicamente vanno a 350mA il led driver relativo. ecco siccome sono 10 anni che sto nel settore vi garantisco che se fate questo errore altro che 50000 ore, nemmeno 10000 ore rimarranno accesi i led

Avatar utente
Foto Utentecarlohak
0 4
Frequentatore
Frequentatore
Messaggi: 110
Iscritto il: 3 giu 2008, 20:10
0
voti

[8] Re: difetti di un alimentatore per led

Messaggioda Foto Utentecarlohak » 3 giu 2013, 14:31

mrc ha scritto:1) Il carico non risulta isolato dalla tensione di rete, quindi il pericolo di "folgorazione" è molto elevato.

2) La corrente prelevabile da questo alimentatore è molto bassa, in quanto per ottenere delle correnti elevate occorrerebbe avere a disposizione dei condensatori perticolari di grossa capacità e costosi.
Quindi se i led necessitano di una corrente sostanziosa questo tipo di alimentatori non sono più indicati.


1. ho utilizzato fidocadj e non so perché tu dica il contrario
2.non ho capito perché ho sbagliato la polarizzazione del led visto che il katodo è il positivo.
3. la corrente sarà pure bassa ma per alimentare i led SMD a 30 mA va più che bene e il condensatore è davvero piccolo.
4. è vero che non è isolato dalla rete e questa è l'unica cosa che spiegherebbe perché questo alimentatore non viene venduto. ma esiste una maniera per isolarlo dalla rete?

Ho tolto una parte della citazione del messaggio perché è inutile. Quando rispondi cita solo la parte del messaggio più significativa!

Avatar utente
Foto Utentemrc
10,5k 6 11 13
Expert EY
Expert EY
Messaggi: 4023
Iscritto il: 16 apr 2009, 9:32
Contatta:
0
voti

[9] Re: difetti di un alimentatore per led

Messaggioda Foto Utentemrc » 3 giu 2013, 14:45

carlohak ha scritto:1. ho utilizzato fidocadj e non so perché tu dica il contrario

Sì hai usato FIDOCADJ ma lo hai allegato come immagine. Avresti dovuto allegare il file srgente tra i tag fcd.

carlohak ha scritto:2.non ho capito perché ho sbagliato la polarizzazione del led visto che il katodo è il positivo.

No, il catodo è il negativo.
Il modo corretto di polarizzare un led è il seguente:


carlohak ha scritto:3. la corrente sarà pure bassa ma per alimentare i led SMD a 30 mA va più che bene e il condensatore è davvero piccolo.

Sì ma la corrente che esce da un alimentatore così fatto non è costante, come ti ha già spiegato Foto UtenteFedericoSibona.

carlohak ha scritto:4...ma esiste una maniera per isolarlo dalla rete?

Con un trasformatore.

Avatar utente
Foto Utentecarlohak
0 4
Frequentatore
Frequentatore
Messaggi: 110
Iscritto il: 3 giu 2008, 20:10
0
voti

[10] Re: difetti di un alimentatore per led

Messaggioda Foto Utentecarlohak » 3 giu 2013, 14:53

mi scusi mrc ma il catodo è il polo positivo in genereale in elettronica. nel led è al contrario? mi creda non sto capendo. e secondo la corrente non costante che significa? cioè io ho effettuato misurazioni ed ho visto che la corrente varia nell'ordine dei 5 mA massimo e questo non è un problema per i led. se invece per corrente non costante intende dire che i 30mA sono la corrente efficace e cioè una media di una corrente sinusoidale comunque per i led non è un problema perché se si utilizzano per esempio led che possono andare fino a 100mA alimentati con 30mA e questo valore è una media, il picco non supererà mai i 100mA. non so se sono stato chiaro


Torna a “Elettronica generale”