Grazie.

Moderatori:
g.schgor,
IsidoroKZ

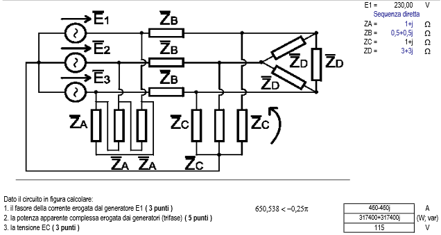
yoo ha scritto:... dopo L'analisi in AC i risultati non tornano
yoo ha scritto:... Come si può vedere gli stessi non combaciano ...
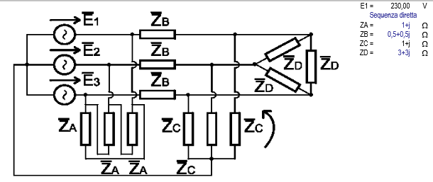
...ora proverò ad inserire nuovamente il circuito.
Come mai hai cambiato la topologia del circuito?
... Non so cosa significa forzatura a zero
Riguardo EC intuitivamente penso che sia la differenza di tensione tra i due punti della linea citata in precedenza nel punto a)
yoo ha scritto:Ho inserito il circuito come mi hai suggerito ma come puoi vedere i risultati non sono ancora corretti
Torna a Elettrotecnica generale
Visitano il forum: Nessuno e 12 ospiti