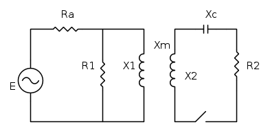
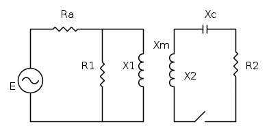
Ra=80 OHM
R1=80 OHM
X1=30 OHM
R2=10 OHM
X2=20 OHM
Xm=10 OHM
Xc=20 OHM
Potenza reattiva erogata dal generatore Q =172.8 var
f=50 Hz
A) calcolare il valore efficace della tensione del generatore e la potenza attiva da esso erogata
B) Assumendo che la corrente nella resistenza R1 sia sinusoidale con fase zero, calcolare il valore istantaneo della tensione del generatore.
L'interruttore viene chiuso e il generatore sostituito da un nuovo generatore E1= 300V
C) considerando il circuito in regime sinusoidale a 50 Hz determinare il valore efficace della corrente che percorre il condensatore.
Ciao a tutti.
Allora io ho fatto il segunte:
Q= X*I^2=VIsin

poiché e un induttore lo sfasamento della corrente sara -90°
quindi mi calcolo prima I attraverso l'induttore

Poi mi calcolo la tensione ai capi dell'induttore
.Per sicurezza l'ho fatto anche come prodotto fasoriale e viene lo stesso, angolo di fase zero.
Calcolo la corrente attraverso R1
= 0.9 AAdesso calcolo la corrente attraverso la resistenza

calcolo la tensione ai capi di della resistenza Ra= 2,5*80=205 V
Quindi la tensione del generatore dovrebbe essere 205+72=277 V
Il risultato corretto e 240V dove sto sbagliando ?
*scusate se uso un misto di latex e testo ma ho dei problemi con la tastiera*

Elettrotecnica e non solo (admin)
Un gatto tra gli elettroni (IsidoroKZ)
Esperienza e simulazioni (g.schgor)
Moleskine di un idraulico (RenzoDF)
Il Blog di ElectroYou (webmaster)
Idee microcontrollate (TardoFreak)
PICcoli grandi PICMicro (Paolino)
Il blog elettrico di carloc (carloc)
DirtEYblooog (dirtydeeds)
Di tutto... un po' (jordan20)
AK47 (lillo)
Esperienze elettroniche (marco438)
Telecomunicazioni musicali (clavicordo)
Automazione ed Elettronica (gustavo)
Direttive per la sicurezza (ErnestoCappelletti)
EYnfo dall'Alaska (mir)
Apriamo il quadro! (attilio)
H7-25 (asdf)
Passione Elettrica (massimob)
Elettroni a spasso (guidob)
Bloguerra (guerra)


a fase zero e di conseguenza la
sarà pari a 0.9-j2.4 e la 


; ho sbagliato segno, correggo subito.
a fase zero, ma non era gia prima a fase zero? Cioe se assummo la corrente a fase zero su X1, cosa che ho fatto, la corrente sara anche a fase zero su R1. Quindi poiche attraverso una resistenza I e V sono sempre in fase...
