Salve dovrei alimetare due tubi a raggi-x con queste caratteristiche:
http://www.ebay.it/itm/X-RAY-TUBE-TUBO- ... 4d0c998a7c
E in pratica dovrei fare un alimentatore dc da 90Kv e 2.2 mA da ripartire tra i due tubi.
come posso fare?
A questa domanda mi sono parzialmente risposto:
- elevo la tensione con un trasformatore fino a 90kV ma poi mi rimane il problema dell'alternata.
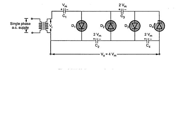
- elevo la tensione con un traformatore + un elevatore tipo cockcroft-walton ma mi sorge il problema che i condensatori mi devono lavorare a 40kV ciascuno, e devo avere 2 mA
alternative? Grazie
Alimentatore 200W, 90kV per 2 tubi a raggi x
Moderatori:
SandroCalligaro,
mario_maggi,
fpalone
43 messaggi
• Pagina 1 di 5 • 1, 2, 3, 4, 5
1
voti
Prova con i trasformatori EAT dei vecchi televisori a raggi catodici, non so che corrente danno (2mA li dovrebbero dare). Come tensione alcuni televisori molto grandi arrivavano a 35kV, fai due/tre circuiti separati, raddrizzi e carichi dei condensatori poi metti le uscite in serie. Funzionano a 15kHz e serve il suo circuito a transistor per farli accendere.
0
voti
Mah!
"La follia sta nel fare sempre la stessa cosa aspettandosi risultati diversi".
"Parla soltanto quando sei sicuro che quello che dirai è più bello del silenzio".
Rispondere è cortesia, ma lasciare l'ultima parola ai cretini è arte.
"Parla soltanto quando sei sicuro che quello che dirai è più bello del silenzio".
Rispondere è cortesia, ma lasciare l'ultima parola ai cretini è arte.
-

TardoFreak
73,9k 8 12 13 - -EY Legend-

- Messaggi: 15754
- Iscritto il: 16 dic 2009, 11:10
- Località: Torino - 3° pianeta del Sistema Solare
0
voti
grazie per la risposta. questo è quello che voglio fare.
-

danielemateriale
26 3 - New entry

- Messaggi: 66
- Iscritto il: 8 dic 2010, 18:27
0
voti
Come trasformatore potresti usare anche quelli per le insegne al neon, entri con 220 V e danno un 7kV con parecchi mA, sempre che andrebbero in serie per aumentare la tensione.
Il problema sono diodi e condensatori per quelle tensioni.
Piu alta è la frequenza meno capacità ti serve per filtrare, a 15kHz nei televisori come capacità è usata la stessa che c'è tra l'interno e l'esterno del tubo catodico quindi molto piccola, piccole capacità sono facili da fare per alte tensioni.
Con quel doppio duplicatore occhio che la corrente si dimezza ogni volta che duplichi se non sbaglio o comunque diminuisce.
Il problema sono diodi e condensatori per quelle tensioni.
Piu alta è la frequenza meno capacità ti serve per filtrare, a 15kHz nei televisori come capacità è usata la stessa che c'è tra l'interno e l'esterno del tubo catodico quindi molto piccola, piccole capacità sono facili da fare per alte tensioni.
Con quel doppio duplicatore occhio che la corrente si dimezza ogni volta che duplichi se non sbaglio o comunque diminuisce.
1
voti
Ciao
danielemateriale,
Sopra tutto vorrei dire, che sia meglio costruire un alimentatore risonante o quasi risonante. Così si evitano le perdite, dovute alla ricarica/scarica della capacita parassita del trasformatore ad alta tensione.
Condensatori x1 nF e 40 kV esistono, ma forse credo sia difficile trovarli. Puoi usare tranquillamente un moltiplicatore di tensione Cockcroft-Walton con più stadi di moltiplicazione.
Sopra tutto vorrei dire, che sia meglio costruire un alimentatore risonante o quasi risonante. Così si evitano le perdite, dovute alla ricarica/scarica della capacita parassita del trasformatore ad alta tensione.
danielemateriale ha scritto: ... elevo la tensione con un traformatore + un elevatore tipo cockcroft-walton ma mi sorge il problema che i condensatori mi devono lavorare a 40kV ciascuno, e devo avere 2 mA ...
Condensatori x1 nF e 40 kV esistono, ma forse credo sia difficile trovarli. Puoi usare tranquillamente un moltiplicatore di tensione Cockcroft-Walton con più stadi di moltiplicazione.
-

Sparafucile
4.361 4 8 - Master EY

- Messaggi: 649
- Iscritto il: 22 gen 2012, 19:57
0
voti
Una curiosità, per cosa lo utilizzeresti ?
Ognuno è un genio.
Ma se si giudica un pesce dalla sua abilità di arrampicarsi sugli alberi,
lui passerà tutta la sua vita a credersi stupido.
- Albert Einstein
0
voti
Mi spiace non posso dirtelo se no il mio amico avvocato esperto di brevetti ha detto che mi mena. ahahahah 
-

danielemateriale
26 3 - New entry

- Messaggi: 66
- Iscritto il: 8 dic 2010, 18:27
0
voti
Non fa differenza. In parte l' hai reso pubblico e tanto basta per far decadere il brevetto.
"La follia sta nel fare sempre la stessa cosa aspettandosi risultati diversi".
"Parla soltanto quando sei sicuro che quello che dirai è più bello del silenzio".
Rispondere è cortesia, ma lasciare l'ultima parola ai cretini è arte.
"Parla soltanto quando sei sicuro che quello che dirai è più bello del silenzio".
Rispondere è cortesia, ma lasciare l'ultima parola ai cretini è arte.
-

TardoFreak
73,9k 8 12 13 - -EY Legend-

- Messaggi: 15754
- Iscritto il: 16 dic 2009, 11:10
- Località: Torino - 3° pianeta del Sistema Solare
0
voti
non è l'alimentatore il macchinario e non ho postato foto o disegni tecnici della macchina.
-

danielemateriale
26 3 - New entry

- Messaggi: 66
- Iscritto il: 8 dic 2010, 18:27
43 messaggi
• Pagina 1 di 5 • 1, 2, 3, 4, 5
Chi c’è in linea
Visitano il forum: Nessuno e 6 ospiti

Elettrotecnica e non solo (admin)
Un gatto tra gli elettroni (IsidoroKZ)
Esperienza e simulazioni (g.schgor)
Moleskine di un idraulico (RenzoDF)
Il Blog di ElectroYou (webmaster)
Idee microcontrollate (TardoFreak)
PICcoli grandi PICMicro (Paolino)
Il blog elettrico di carloc (carloc)
DirtEYblooog (dirtydeeds)
Di tutto... un po' (jordan20)
AK47 (lillo)
Esperienze elettroniche (marco438)
Telecomunicazioni musicali (clavicordo)
Automazione ed Elettronica (gustavo)
Direttive per la sicurezza (ErnestoCappelletti)
EYnfo dall'Alaska (mir)
Apriamo il quadro! (attilio)
H7-25 (asdf)
Passione Elettrica (massimob)
Elettroni a spasso (guidob)
Bloguerra (guerra)

