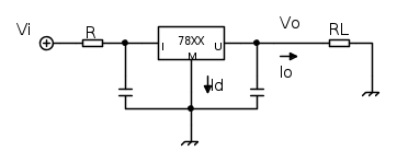
che permette di limitare la dissipazione del regolatore con il resistore il cui valore si calcola con la formula

il termine
si riferisce alla corrente di quiescenza tabellato nello stesso datasheet (6mA max) o si valuta matematicamente?grazie
Moderatori:
carloc,
g.schgor,
BrunoValente,
IsidoroKZ

si riferisce alla corrente di quiescenza tabellato nello stesso datasheet (6mA max) o si valuta matematicamente?
presa naturalmente al suo valore massimo sia come dispersione statistica sia come dipendenza da altre cose come temperatura, tensione di ingresso, carico etc. etc. (se riportato nel datasheet). Però direi che numericamente questa corrente sarà assolutamente trascurabile rispetto...




Visitano il forum: Nessuno e 41 ospiti