Cos'è ElectroYou | Login Iscriviti

ElectroYou - la comunità dei professionisti del mondo elettrico

Esercizio con transistori

Elettronica lineare e digitale: didattica ed applicazioni

Moderatori: Foto Utentecarloc, Foto Utenteg.schgor, Foto UtenteBrunoValente, Foto UtenteIsidoroKZ

-1
voti

[1] Esercizio con transistori

Messaggioda Foto UtenteNagashi » 5 lug 2013, 11:34

Buon giorno a tutti!
Ho un problema con il seguente esercizio

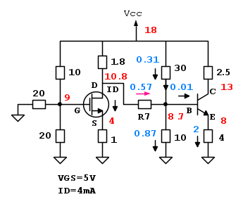
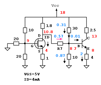
Immagine

Devo ricavare la resistenza R7. Partendo dalla destra del circuito, riesco facilmente a ricavare il punto di riposo del transistore Q2 (considerando il circuito in continua quindi con i condensatori aperti), fino a ricavare la corrente che scorre nella resistenza R7. Il problema è che non riesco a ricavare la corrente di drain del transistore Q1 perché mi sembra di avere troppe incognite.. Non conosco la tensione di drain, né quella di source e di conseguenza non posso calcolare né la corrente che scorre nella resistenza R4, né quella che scorre nella serie R5+R6. L'unica cosa che conosco è la tensione di gate che posso calcolarla come partizione della Vcc. Sicuramente mi sto perdendo in un bicchiere d'acqua, ma proprio non riesco ad uscirne..
Grazie!
Avatar utente
Foto UtenteNagashi
-1 3
 
Messaggi: 13
Iscritto il: 16 lug 2011, 16:26

5
voti

[2] Re: Esercizio con transistori

Messaggioda Foto UtenteRenzoDF » 6 lug 2013, 11:09

Io partirei a destra dai due milliampere di corrente di emettitore, risalirei al potenziale della base sommando 0.7V al potenziale di emettitore, ricaverei le correnti nei resistori di polarizzazione del BJT, che avendo un guadagno stimabile dalle parti dei 200, avrà una corrente di base intorno a 0.01 mA e valuterei quindi la corrente in R7 con una KCL al nodo di base in 0.57 mA.

A sinistra ricaverei la vGS dalla conoscenza della VG che si trova a 9 volt

{{V}_{GS}}={{V}_{G}}-{{I}_{D}}({{R}_{5}}+{{R}_{6}})={{V}_{G}}-k{{({{V}_{GS}}-{{V}_{T}})}^{2}}({{R}_{5}}+{{R}_{6}})\to {{V}_{GS}}=5\,\text{V}

per quindi ricavare ID=4mA, VS=4V e VD=9.8V e controllare che

{{V}_{DS}}>{{V}_{GS}}-{{V}_{T}}

ed infine

{{R}_{7}}=\frac{{{V}_{D}}-{{V}_{B}}}{0.57}=\frac{10.8-8.7}{0.57}\approx 3.7\,\text{k}\Omega

Indicando in rosso i potenziali in volt e in blu le correnti in milliampere e in nero le resistenze in kiloohm, sinteticamente

"Il circuito ha sempre ragione" (Luigi Malesani)
Avatar utente
Foto UtenteRenzoDF
55,9k 8 12 13
G.Master EY
G.Master EY
 
Messaggi: 13189
Iscritto il: 4 ott 2008, 9:55

-1
voti

[3] Re: Esercizio con transistori

Messaggioda Foto UtenteNagashi » 7 lug 2013, 11:43

Ok ho capito.
Però, quando ricavo la Vgs, viene fuori un'equazione di secondo grado.. in base a che criterio scelgo quale delle due soluzioni accettare?
Avatar utente
Foto UtenteNagashi
-1 3
 
Messaggi: 13
Iscritto il: 16 lug 2011, 16:26

4
voti

[4] Re: Esercizio con transistori

Messaggioda Foto UtenteRenzoDF » 7 lug 2013, 11:48

Nagashi ha scritto:... in base a che criterio scelgo quale delle due soluzioni accettare?

Bella domanda!... io ho fatto a testa o croce. :-)
"Il circuito ha sempre ragione" (Luigi Malesani)
Avatar utente
Foto UtenteRenzoDF
55,9k 8 12 13
G.Master EY
G.Master EY
 
Messaggi: 13189
Iscritto il: 4 ott 2008, 9:55

-1
voti

[5] Re: Esercizio con transistori

Messaggioda Foto UtenteNagashi » 7 lug 2013, 15:34

Ok, grazie lo stesso..
Avatar utente
Foto UtenteNagashi
-1 3
 
Messaggi: 13
Iscritto il: 16 lug 2011, 16:26

0
voti

[6] Re: Esercizio con transistori

Messaggioda Foto UtenteRenzoDF » 7 lug 2013, 15:40

Nagashi ha scritto:Ok, grazie lo stesso..

Secondo te la soluzione negativa per la tensione gate-source di quel NMOS (con VT=1) darebbe esito positivo alla verifica della saturazione di Q1?

Nagashi ha scritto:Ok, grazie lo stesso..

Grazie a te, ... per la riconoscenza. :?
"Il circuito ha sempre ragione" (Luigi Malesani)
Avatar utente
Foto UtenteRenzoDF
55,9k 8 12 13
G.Master EY
G.Master EY
 
Messaggi: 13189
Iscritto il: 4 ott 2008, 9:55

1
voti

[7] Re: Esercizio con transistori

Messaggioda Foto UtenteNagashi » 8 lug 2013, 11:03

Scusa.. è che pensavo ci fossero anche altre motivazioni..
ora è chiaro. Grazie mille!!
Avatar utente
Foto UtenteNagashi
-1 3
 
Messaggi: 13
Iscritto il: 16 lug 2011, 16:26


Torna a Elettronica generale

Chi c’è in linea

Visitano il forum: Nessuno e 167 ospiti