Buonasera a tutti, oltre ad essere l 'unico che lavora ancora (peraltro non pagato, anzi pagando) ad agosto, sto facendo anche qualcosa che non è nelle mie competenze (sono ing meccanico e mi sto occupando dell'elettronica del veicolo da corsa di formula sae a trazione elettrica della sapienza).
A causa di un guasto improvviso e non immediatamente ripristinabile ci troviamo a dover misurare la velocita delle ruote della vettura per via analogica. Ho scelto quindi un integrato monolitico, l'lm2907 e seguendo le linee guida della Texas Instruments ho iniziato a calcolare i componenti ausiliarii.
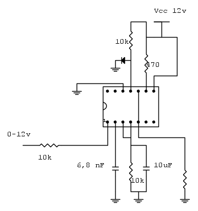
Ecco lo schema che ho implementato
Qualcuno puo darmi una mano sulle caratteristiche dinamiche del circuito? nel senso che vista l'applicazione ho bisogno sia di una risposta veloce che di un basso ripple. Ho creato un fogloio di calcolo seguendo le linee guida ed ho scelto R1 C1 e C2 .
come mai nel datasheet la tau (costante di tempo) è calcolata come R1*C1 ??? che c entra C1??? non è C2 il problema?
Applicazione particolare per LM2907 (convertitore f-v)
Moderatori:
carloc,
g.schgor,
BrunoValente,
IsidoroKZ
8 messaggi
• Pagina 1 di 1
0
voti
Nello schema l'integrato andrebbe rappresentato diversamente. Andrebbe rappresentato con simboli grafici che indichino la funzione dei vari piedini.
Usando il suo layout lo schema è illeggibile.
Parimenti le sigle componenti che mancano. Nel copo del messaggio ti riferisci ad R1, C1 e C2. Ma dove sono nello schema?
Usando il suo layout lo schema è illeggibile.
Parimenti le sigle componenti che mancano. Nel copo del messaggio ti riferisci ad R1, C1 e C2. Ma dove sono nello schema?
-

Candy
32,5k 7 10 13 - CRU - Account cancellato su Richiesta utente
- Messaggi: 10123
- Iscritto il: 14 giu 2010, 22:54
2
voti
Come recita il datasheet
In pratica il secondo stadio, ossia la pompa di carica, carica e scarica il condensatore
alla frequenza di input tra due tensioni distanti
linearmente.
La corrente media che si manifesta nel condensatore è specchiata sul resistore
, che quindi mostra ai suoi capi una tensione proporzionale a questa.
Il condensatore
è un filtro, senza di questo si presenterebbe un ripple consistente rendendo inutile il circuito. Il valore di questa capacità influenza la massima velocità con la quale può variare l'uscita, e non la tensione finale che verrà letta. Il problema è che prendendola molto piccola ritornerà il ripple indesiderato, a questo scopo il datsheet fornisce la seguente formula per il suo calcolo
Scegliendo una capacità troppo grande il sistema ci metterà più tempo a rendere l'output corretto, seguendo troppo lentamente l'ingresso.
The output circuit mirrors this current very accurately into the load resistor R1, connected to ground, such that if the pulses of current are integrated with a filter capacitor (...)
In pratica il secondo stadio, ossia la pompa di carica, carica e scarica il condensatore
alla frequenza di input tra due tensioni distanti
linearmente.La corrente media che si manifesta nel condensatore è specchiata sul resistore
, che quindi mostra ai suoi capi una tensione proporzionale a questa.Il condensatore
è un filtro, senza di questo si presenterebbe un ripple consistente rendendo inutile il circuito. Il valore di questa capacità influenza la massima velocità con la quale può variare l'uscita, e non la tensione finale che verrà letta. Il problema è che prendendola molto piccola ritornerà il ripple indesiderato, a questo scopo il datsheet fornisce la seguente formula per il suo calcoloScegliendo una capacità troppo grande il sistema ci metterà più tempo a rendere l'output corretto, seguendo troppo lentamente l'ingresso.
-

marioursino
5.687 3 9 13 - G.Master EY

- Messaggi: 1598
- Iscritto il: 5 dic 2009, 4:32
0
voti
ah si scusa alla fine ho optato per i numeri invece dei simboli. allora lo schema con i nomi è questo :
Ho visto ora che c è stata un'altra risposta, eventualmente aggiorno la discussione
Ho visto ora che c è stata un'altra risposta, eventualmente aggiorno la discussione
0
voti
[quote="marioursino"][/quote]
Grazie per l'interessamento, io so bene come funziona l'integrato, e infatti mi chiedevo come fosse possibile che il condensatore C2 non entrasse nella formula del calcolo della costante di tempo visto che agisce da filtro.
Se ho ben capito quindi la pompa di carica carica e scarica C1 (che è molto piccolo) , poi questa corrente viene specchiata su una resistenza dove produce una differenza di potenziale , ma come viene specchiata? e il condensatore c2 chi lo carica e scarica? a che velocita? cioè è vero che la costante di tempo dell'output dipende solo da C1??
grazie in anticipo per tutti dell'aiuto
Grazie per l'interessamento, io so bene come funziona l'integrato, e infatti mi chiedevo come fosse possibile che il condensatore C2 non entrasse nella formula del calcolo della costante di tempo visto che agisce da filtro.
Se ho ben capito quindi la pompa di carica carica e scarica C1 (che è molto piccolo) , poi questa corrente viene specchiata su una resistenza dove produce una differenza di potenziale , ma come viene specchiata? e il condensatore c2 chi lo carica e scarica? a che velocita? cioè è vero che la costante di tempo dell'output dipende solo da C1??
grazie in anticipo per tutti dell'aiuto
1
voti
Immagina di avere una ruota che gira a velocità costante e di utilizzare questo integrato per ottenere in uscita una tensione.
La ruota gira e il circuito carica e scarica C1 linearmente, e per farlo linearmente deve sfruttare un generatore di corrente sul chip (come sia fatto non ci interessa).
Detto questo, ci accorgiamo che più C1 è grande e più ci vorrà per caricarlo alla tensione finale, e quindi ci vorrà più corrente.
Fissato C1, la corrente media di carica e scarica verrà specchiata (attraverso un eventuale specchio di corrente, sempre su chip) sul resistore R1, che mostrerà ai suoi capi una tensione.
C2 non ha nulla a che fare con questo procedimento, l'unica cosa che fa è attenuare il ripple che si manifesta all'uscita. Essendo parte di un filtro (insieme ad R1), si può dire che C2 compaia nella costante di tempo di questo filtro RC, ma questa non è importante rispetto al lavoro svolto dalla pompa di carica.
C2 è caricato dalla corrente che viene specchiata su R1, e a fronte di rapide variazioni di quest'ultima si oppone alla variazione di tensione che comparirebbe su R1.
La ruota gira e il circuito carica e scarica C1 linearmente, e per farlo linearmente deve sfruttare un generatore di corrente sul chip (come sia fatto non ci interessa).
Detto questo, ci accorgiamo che più C1 è grande e più ci vorrà per caricarlo alla tensione finale, e quindi ci vorrà più corrente.
Fissato C1, la corrente media di carica e scarica verrà specchiata (attraverso un eventuale specchio di corrente, sempre su chip) sul resistore R1, che mostrerà ai suoi capi una tensione.
C2 non ha nulla a che fare con questo procedimento, l'unica cosa che fa è attenuare il ripple che si manifesta all'uscita. Essendo parte di un filtro (insieme ad R1), si può dire che C2 compaia nella costante di tempo di questo filtro RC, ma questa non è importante rispetto al lavoro svolto dalla pompa di carica.
C2 è caricato dalla corrente che viene specchiata su R1, e a fronte di rapide variazioni di quest'ultima si oppone alla variazione di tensione che comparirebbe su R1.
-

marioursino
5.687 3 9 13 - G.Master EY

- Messaggi: 1598
- Iscritto il: 5 dic 2009, 4:32
0
voti
chiarissimo, e concordo con te che piu grande è c2 e piu tempo ci vorrà per caricare C2. Ora, con le tue conoscenze sapresti dirmi come potrei calcolare la lentezza di caricamento/scaricamento ? mi pare importante su un sistema di controllo di trazione 
1
voti
Non ho ben capito la domanda. L'uscita segue tanto più velocemente l'ingresso tanto più piccolo è C2, ti interessa sapere quanto ci mette a raggiungere il valore corretto a fronte di un cambiamento dell'ingresso?
Se la domanda è questa, la riposta può essere approfondita a piacere.
Si potrebbe studiare il seguente circuito:
Immaginando che il sistema sia stato appena acceso, le condizioni iniziali sono quindi condensatore scarico e corrente del generatore nulla.
All'accensione, la corrente del generatore assume il valore
, questo valore è appunto la corrente media che carica C2 e che scorrerà lungo R1 alla fine del transitorio.
Da qui in poi, sul condensatore scorre una corrente pari a

dove
.
Il tempo di carica dal 10% al 90% del condensatore vale circa
, dopo questo tempo possiamo dichiarare terminato il transitorio e il valore finale di tensione raggiunto, in quanto adesso tutta la corrente percorrerà R1 mostrando al resto del circuito una tensione proporzionale alla frequenza d'ingresso, tutto questo grazie alla pompa di carica.
Se la domanda è questa, la riposta può essere approfondita a piacere.
Si potrebbe studiare il seguente circuito:
Immaginando che il sistema sia stato appena acceso, le condizioni iniziali sono quindi condensatore scarico e corrente del generatore nulla.
All'accensione, la corrente del generatore assume il valore
, questo valore è appunto la corrente media che carica C2 e che scorrerà lungo R1 alla fine del transitorio.Da qui in poi, sul condensatore scorre una corrente pari a

dove
.Il tempo di carica dal 10% al 90% del condensatore vale circa
, dopo questo tempo possiamo dichiarare terminato il transitorio e il valore finale di tensione raggiunto, in quanto adesso tutta la corrente percorrerà R1 mostrando al resto del circuito una tensione proporzionale alla frequenza d'ingresso, tutto questo grazie alla pompa di carica.-

marioursino
5.687 3 9 13 - G.Master EY

- Messaggi: 1598
- Iscritto il: 5 dic 2009, 4:32
8 messaggi
• Pagina 1 di 1
Chi c’è in linea
Visitano il forum: Nessuno e 100 ospiti

Elettrotecnica e non solo (admin)
Un gatto tra gli elettroni (IsidoroKZ)
Esperienza e simulazioni (g.schgor)
Moleskine di un idraulico (RenzoDF)
Il Blog di ElectroYou (webmaster)
Idee microcontrollate (TardoFreak)
PICcoli grandi PICMicro (Paolino)
Il blog elettrico di carloc (carloc)
DirtEYblooog (dirtydeeds)
Di tutto... un po' (jordan20)
AK47 (lillo)
Esperienze elettroniche (marco438)
Telecomunicazioni musicali (clavicordo)
Automazione ed Elettronica (gustavo)
Direttive per la sicurezza (ErnestoCappelletti)
EYnfo dall'Alaska (mir)
Apriamo il quadro! (attilio)
H7-25 (asdf)
Passione Elettrica (massimob)
Elettroni a spasso (guidob)
Bloguerra (guerra)



