Parte prima.
PREMESSA Prima del 2000, le nostre reti elettriche a Media Tensione venivano esercite a neutro isolato. Poi è stata introdotta la Petersen e l’esercizio è diventato a neutro compensato. In sostanza, prima del 2000, il centro stella del secondario dei trasformatori AT/MT era tenuto isolato da terra. Poi, collegato a terra tramite la bobina di Petersen. Con ciò si è ottenuto una notevole riduzione della corrente di guasto, più l’eliminazione del devastante fenomeno dei guasti intermittenti.
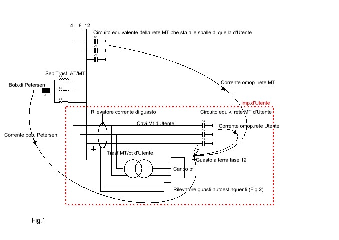
DESCRIZIONE Vista l’evoluzione della rete e lette le norme dell’Autority, ho messo a punto un dispositivo per il rilevamento dei guasti autoestinguenti presso gli impianti d’Utente. Come noto, il verificarsi di questi guasti, non comporta alcuna disalimentazione dell’impianto: il relè 51N si avvia e va subito a riposo, senza comandare l’apertura di alcun interruttore. Ma nel tempo (anche dopo giorni), quando il guasto diventa definitivo, l’impianto va in black-out con conseguente impossibilità di rimetterlo in servizio se non dopo aver individuato e riparato il guasto. Ciò per la perforazione permanente del dielettrico di cavi o di terminali o di giunti o per il danneggiamento di isolatori come i passanti MT dei trasformatori MT/BT. Detto dispositivo va posto sui cavi in arrivo presso la cabina d’Utente e rileva, con opportuno trasduttore, la corrente di guasto che in quel momento sta a valle del punto in cui è installato e il cui valore corrisponde a quello di tutta la rete elettrica che gli sta alle spalle. Vedi Fig.1
NOTA Questa corrente di natura capacitiva viene sommata (vettorialmente) a quella della Petersen che è di natura induttiva. In realtà a queste correnti se ne deve sommare anche un’altra di natura ohmica data dalla presenza di una resistenza che sta in parallelo alla Petersen e che serve per il corretto funzionamento delle protezioni di Cabina Primaria dove è installato il Trasformatore AT/MT. Per semplicità questa resistenza nel disegno non è stata riportata.
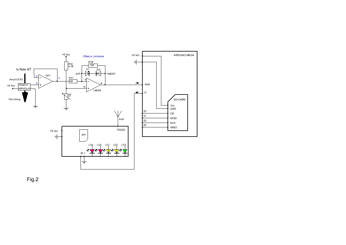
Normalmente una rete MT di media estensione, esercita a neutro compensato, fornisce una corrente di guasto di circa 70-80Amp. A neutro isolato questi valori possono anche triplicare. Il trasduttore utilizzato (10mV/Amp) permette di elaborare senza problemi tutte le correnti intercettate. Come si vede dallo schema di Fig.2, un’SD-CARD memorizza gli eventi e un dispositivo GSM informa
con un SMS della loro evoluzione. La gestione di tutte le operazioni è affidata ad una scheda Arduino opportunamente programmata.
CONCLUSIONE Credo che questo dispositivo sia molto utile per prevenire quell’improvviso black-out che, se si verificasse quando l’impianto è a pieno carico, diventerebbe deleterio, soprattutto economicamente. Infatti, se l’impianto è di un’Azienda che al momento del black-out sta in produzione, un’improvvisa fermata verrebbe a costare molti ma molti soldi.
ASPETTATIVA Mi auguro che questo scritto possa produrre commenti, anche contrastanti, rispetto a quanto sin qui sostenuto. Un grazie a tutti.
Come prevenire un black-out in un impianto MT d’Utente.
Moderatori:
sebago,
MASSIMO-G,
lillo,
Mike
5 messaggi
• Pagina 1 di 1
0
voti
Sarà aimè l' orario ma non capisco se la soluzione da te proposta ha scopo open source oppure prospetta una soluzione di tipo commerciale.
Chiedo scusa per il dubbio.
Saluti
Massimo
Chiedo scusa per il dubbio.
Saluti
Massimo

MCSA Windows Server 2012 R2
Cisco CCNA R&S - Cisco CCNA Security - Cisco CCNA Cyber Ops
CompTia A+ - CompTia Linux+ - CompTIA Systems Support Specialist CSSS
CompTia Pentest+ LPIC-1 - VCP VMware - Cisco CCNP Enterprise
Cisco CCNA R&S - Cisco CCNA Security - Cisco CCNA Cyber Ops
CompTia A+ - CompTia Linux+ - CompTIA Systems Support Specialist CSSS
CompTia Pentest+ LPIC-1 - VCP VMware - Cisco CCNP Enterprise
0
voti
C'è un dettaglio che non ho capito: tutti i guasti di difetto d'isolamento si preannunciano con cedimenti temporanei, fino alla foratura a lungo termine? E questo che dovrebbe segnalare il dispositivo?
Perché se così non fosse, non ne immagino l'utilità.
Perché se così non fosse, non ne immagino l'utilità.
-

Candy
32,5k 7 10 13 - CRU - Account cancellato su Richiesta utente
- Messaggi: 10123
- Iscritto il: 14 giu 2010, 22:54
0
voti
Scrivo questo post solo a titolo informativo perché non sono ancora in grado di poter sostenere una discussione approfondita sugli impianti elettrici.
Qui se non ho capito male, si parla di rilevamento del deterioramento dell'isolante per l'individuazione dei guasti. All'università di Palermo, il nostro insegnante di Materiali per l'Ingegneria Elettrica ci parlò di un sistema di individuazione delle scariche parziali atto proprio a prevenire guasti dovuti a perforazione di dielettrico. Tale sistema fu oggetto della sua tesi sperimentale e successivamente lo brevettò, fra l'altro era dotato anche di sistema telematico per informare il proprietario dell'impianto in caso di "guasto imminente" o una cosa del genere. Ad oggi però non so a che punto sia arrivato, ma ci disse che stava lavorando con una grossa azienda (di cui non volle dirci il nome) con ottimi risultati; sono passati 4 anni e non ho avuto modo di seguire l'evoluzione della cosa.
Saluti!
Qui se non ho capito male, si parla di rilevamento del deterioramento dell'isolante per l'individuazione dei guasti. All'università di Palermo, il nostro insegnante di Materiali per l'Ingegneria Elettrica ci parlò di un sistema di individuazione delle scariche parziali atto proprio a prevenire guasti dovuti a perforazione di dielettrico. Tale sistema fu oggetto della sua tesi sperimentale e successivamente lo brevettò, fra l'altro era dotato anche di sistema telematico per informare il proprietario dell'impianto in caso di "guasto imminente" o una cosa del genere. Ad oggi però non so a che punto sia arrivato, ma ci disse che stava lavorando con una grossa azienda (di cui non volle dirci il nome) con ottimi risultati; sono passati 4 anni e non ho avuto modo di seguire l'evoluzione della cosa.
Saluti!

-

marcoumegghiu
527 2 8 - Frequentatore

- Messaggi: 186
- Iscritto il: 2 ago 2010, 13:21
0
voti
Mah...non vorrei essere troppo negativo ma letto cosi mi sembra qualcosa che è già ampiamente previsto nei relè esistenti . Oltre alle soglie di scatto si possono impostare soglie con tempi di intervento minori o con tempi di ritardo intenzionali nulli (la soglia interverra solo dopo il tempo di start del relè). Tali interventi possono anche solo essere segnalati con led senza intervenire sui relè finali e rimangono memorizzati con tutti i parametri caratteristici del guasto estinto in un menu eventi o guasti . Forse un dispositivo del genere monitora costantemente la corrente di guasto ma questo viene fatto anche dai normali relè nei menu delle misure dove la corrente omopolare e la tensione omopolare (se prevista) viene costantemente visualizzata. I relè di protezione possono comunicare attraverso l'RS485 , Ethernet o sistemi proprietari che rendono disponibili su PC o su altri dispositivi questi parametri. Guasti presenti solo dopo il tempo di start della soglia dopo anni e anni non sono evoluti in nessun tipo di guasto permamente (ho innumerevoli esempi di questo tipo visti in questi anni). Ovviamente tale dispositivo se non ha anche una funzione direzionale di guasto a terra , in caso di sviluppo di cavi dell'utente importante, vedrà praticamente sempre una corrente di guasto omopolare
se la sua misura è particolarmente accurata vedrà costantemente una corrente di guasto anche con uno sviluppo dei cavi mt dell'utente contenuta.
se la sua misura è particolarmente accurata vedrà costantemente una corrente di guasto anche con uno sviluppo dei cavi mt dell'utente contenuta.
5 messaggi
• Pagina 1 di 1
Torna a Impianti, sicurezza e quadristica
Chi c’è in linea
Visitano il forum: Nessuno e 41 ospiti

Elettrotecnica e non solo (admin)
Un gatto tra gli elettroni (IsidoroKZ)
Esperienza e simulazioni (g.schgor)
Moleskine di un idraulico (RenzoDF)
Il Blog di ElectroYou (webmaster)
Idee microcontrollate (TardoFreak)
PICcoli grandi PICMicro (Paolino)
Il blog elettrico di carloc (carloc)
DirtEYblooog (dirtydeeds)
Di tutto... un po' (jordan20)
AK47 (lillo)
Esperienze elettroniche (marco438)
Telecomunicazioni musicali (clavicordo)
Automazione ed Elettronica (gustavo)
Direttive per la sicurezza (ErnestoCappelletti)
EYnfo dall'Alaska (mir)
Apriamo il quadro! (attilio)
H7-25 (asdf)
Passione Elettrica (massimob)
Elettroni a spasso (guidob)
Bloguerra (guerra)



