Cos'è ElectroYou | Login Iscriviti

ElectroYou - la comunità dei professionisti del mondo elettrico

Driver LED a corrente costante

Elettronica lineare e digitale: didattica ed applicazioni

Moderatori: Foto Utentecarloc, Foto Utenteg.schgor, Foto UtenteBrunoValente, Foto UtenteIsidoroKZ

0
voti

[1] Driver LED a corrente costante

Messaggioda Foto UtentematteoDL » 23 ago 2013, 17:48

Buongiorno a tutti, dovrei pilotare un LED a corrente costante. Lo schema che ho adattato è il seguente:

Quando il segnale PWM_LED sta alto (3V) abbiamo il MOS che lavora in regione attiva, la tensione sul gate sarebbe sufficiente a far passare una corrente superiore ad 1A ma quando questo accade la caduta su R_2 è abbastanza elevata da far passare una corrente nella base del BJT, portarlo in saturazione e scaricare a massa quindi la tensione di gate. In realtà la cosa non avviene così ciclicamente ma si raggiunge un punto di equilibrio in cui la corrente nel LED sta nell'intorno dell'ampere.
Quanto il segnale sta basso abbiamo invece che entrambi i diodi sono interdetti e nel LED la corrente è nulla.
Innanzitutto correggetemi se questa mia interpretazione è sbagliata. Andiamo avanti.
Lo scopo è pilotare il LED con un'onda quadra a 40kHz tra 0V e 3V. Quali parametri dovrei tenere in considerazione per capire se l'onda di corrente si riesca ad avvicinare abbastanza a un'onda quadra piuttosto che a una triangolare? Basta tener conto della capacità di ingresso del MOS(oltre che della resistenza R_1 ovviamente)?

Ho montato il circuito ed effettivamente funziona, nel senso che il ricevitore che accetta solo frequenze nell'intorno dei 40kHz riceve correttamente, però avendo spedito l'oscilloscopio a tarare non posso verificare la forma dell'onda. Inoltre questo circuito è un pezzo di uno più ampio che consiste nella mia tesi, dovrei quindi riuscire a motivare abbastanza bene il funzionamento del circuito (non serve entrare troppo nel dettaglio in quanto si parla di laurea triennale mentre il corso di elettronica alle altre frequenze lo farò alla specialistica).

Grazie in anticipo per le eventuali risposte
Avatar utente
Foto UtentematteoDL
704 3 7
Expert
Expert
 
Messaggi: 310
Iscritto il: 26 feb 2012, 20:49

3
voti

[2] Re: Driver LED a corrente costante

Messaggioda Foto UtenteIsidoroKZ » 24 ago 2013, 4:40

matteoDL ha scritto:ma quando questo accade la caduta su R_2 è abbastanza elevata da far passare una corrente nella base del BJT, portarlo in saturazione e scaricare a massa quindi la tensione di gate.

E` un sistema lineare con retroazione negativa. Spiegato come hai scritto sopra e` atroce, sembra che non abbia mai fatto un corso di controlli automatici :(
matteoDL ha scritto: Quali parametri dovrei tenere in considerazione per capire se l'onda di corrente si riesca ad avvicinare abbastanza a un'onda quadra piuttosto che a una triangolare?

Oltre alla capacita` di ingresso c'e` anche l'effetto Miller sulla Crss, che pero` e` piu` importante per il ritardo di commutazione piuttosto che per il tempo di salita e di discesa: infatti la salita e la discesa avvengono con tensione di drai non tanto variabili in quanto controllata dal led che ha una resistenza differenziale bassa.

Bisogna mettersi a fare i conti, inventandosi una transconduttanza del MOS a basse correnti... direi che stia sotto il mezzo microsecondo, ma ho guardato nella palla di cristallo. Tu invece vai in facolta` e guarda su un oscilloscopio!

C'era questo articolo che pur non essendo adatto al tuo caso andava nella direzione che ti serviva, specie quando fa vedere l'effetto delle capacita` parassite.
Per usare proficuamente un simulatore, bisogna sapere molta più elettronica di lui
Plug it in - it works better!
Il 555 sta all'elettronica come Arduino all'informatica! (entrambi loro malgrado)
Se volete risposte rispondete a tutte le mie domande
Avatar utente
Foto UtenteIsidoroKZ
121,2k 1 3 8
G.Master EY
G.Master EY
 
Messaggi: 21059
Iscritto il: 17 ott 2009, 0:00

2
voti

[3] Re: Driver LED a corrente costante

Messaggioda Foto UtenteCandy » 24 ago 2013, 8:17

Io invece mi faccio domande più semplici. Se l'accensione del LED è già controllata da un segnale PWM, perché non lo si alimenta con una banale resistenza? Quel circuito null'altro è che un limitatore di corrente retroazionato, utile se a monte ci fosse una tensione di alimentazione sconosciuta, (entro certi limiti). Ma leggo che la tensione è nota: 5V.
Poi, quel limitatore di corrente ha tra l'altro una deriva termica importante con effetti peggiori dell'uso di una resistenza limitatrice.

Non vedendo nello schema ne regolazione di corrente, ne tensione variabile, lo trovo inutile.
Avatar utente
Foto UtenteCandy
32,5k 7 10 13
CRU - Account cancellato su Richiesta utente
 
Messaggi: 10123
Iscritto il: 14 giu 2010, 22:54

0
voti

[4] Re: Driver LED a corrente costante

Messaggioda Foto UtentematteoDL » 24 ago 2013, 13:51

Hai ragione Foto UtenteIsidoroKZ, effettivamente mi sono espresso proprio male.
IsidoroKZ ha scritto:Tu invece vai in facolta` e guarda su un oscilloscopio!

Purtroppo ora mi trovo a 120km dalla facoltà ma appena possibile effettuerò le misure, il punto è che mi interessava anche capire come fare i calcoli giusto a fine didattico, non solo vedere se funziona o meno.
Quindi grazie per l'articolo ora me lo studio bene. :ok:

Per Foto UtenteCandy:
Il diodo lavora ben oltre le sue specifiche di sicurezza e questo lo porta in teoria a variare il suo comportamento fino a "morire". Questo è l'uso normale che se ne fa nel Laser Tag allo scopo di avere una gittata maggiore. Quindi pensavo che avendo una caratteristica tensione-corrente non del tutto nota non potessi usare la configurazione con una sola resistenza.
Ma se mi dici
Candy ha scritto:Poi, quel limitatore di corrente ha tra l'altro una deriva termica importante con effetti peggiori dell'uso di una resistenza limitatrice.
vorrà dire che dovrò studiarmi bene l'aspetto termico.
Avatar utente
Foto UtentematteoDL
704 3 7
Expert
Expert
 
Messaggi: 310
Iscritto il: 26 feb 2012, 20:49

0
voti

[5] Re: Driver LED a corrente costante

Messaggioda Foto UtentematteoDL » 24 ago 2013, 21:34

L'osservazione di Foto UtenteCandy mi ha fatto pensare seriamente a usare una semplice resistenza, al che sorgono nuove domande.
Nel datasheet è presente la caratteristica curva caratteristica tensione-corrente che riporto qui:
V_I_TSAL6100.png
V_I_TSAL6100.png (18.31 KiB) Osservato 13493 volte

in cui possiamo vedere che a una corrente di 1A corrisponde una tensione di 2,6V.
Ma se ora andiamo a vedere le caratteristiche troviamo:
Forward_voltage_TSAL6100.png
Forward_voltage_TSAL6100.png (28.34 KiB) Osservato 13493 volte

A cosa si riferisce quel MAX di 3V?
I LED non si comportano tutti uguali o semplicemente quel parametro è riferito a temperature diverse da 25^{\circ}\textrm{C} (anche se come da titolo dovrebbe essere specificato)?
Se la tensione è veramente così variabile non so quanto convenga affidarsi a una sola resistenza. Se assumo 2,6V di caduta ad 1A dovrei metterci una resistenza da 2,4\Omega, poi invece la caduta è 3V e ottengo solo 830mA.
Grazie in anticipo per le eventuali risposte.
Avatar utente
Foto UtentematteoDL
704 3 7
Expert
Expert
 
Messaggi: 310
Iscritto il: 26 feb 2012, 20:49

0
voti

[6] Re: Driver LED a corrente costante

Messaggioda Foto UtenteCandy » 24 ago 2013, 21:46

Mi sbaglierò, ma potrebbe essere riferito al possibile comportamento di una quantità limitata di LED non in media, oppure ad un limite nel sistema di collaudo per accettazione del LED. Riportando il valore peggiore misurato od accettato.
Avatar utente
Foto UtenteCandy
32,5k 7 10 13
CRU - Account cancellato su Richiesta utente
 
Messaggi: 10123
Iscritto il: 14 giu 2010, 22:54

0
voti

[7] Re: Driver LED a corrente costante

Messaggioda Foto UtenteIsidoroKZ » 24 ago 2013, 21:51

Quei 3V si riferiscono al fatto che i grafici e le curve dei datasheet non si usano MAI :-)

Se vuoi accendere il led "basta che si accenda con tanta corrente" resistnza piu` MOS va bene puoi avere errori dell'ordine di qualche decina di percento.

Se vuoi qualcosa di un po' piu` stabile, ma sempre con errori e derive varie, il tuo circuito va bene. Se infine vuoi una corrente di 1A stabile malgrado variazioni di temperatura, ripetibile da un circuito all'altro, perche' devi fare delle misure e non vuoi introdurre troppi errori, allora operazionale+resistenza di sense+MOS.
Per usare proficuamente un simulatore, bisogna sapere molta più elettronica di lui
Plug it in - it works better!
Il 555 sta all'elettronica come Arduino all'informatica! (entrambi loro malgrado)
Se volete risposte rispondete a tutte le mie domande
Avatar utente
Foto UtenteIsidoroKZ
121,2k 1 3 8
G.Master EY
G.Master EY
 
Messaggi: 21059
Iscritto il: 17 ott 2009, 0:00

0
voti

[8] Re: Driver LED a corrente costante

Messaggioda Foto UtentematteoDL » 24 ago 2013, 22:41

IsidoroKZ ha scritto:Se infine vuoi una corrente di 1A stabile malgrado variazioni di temperatura, ripetibile da un circuito all'altro

Questa :D .
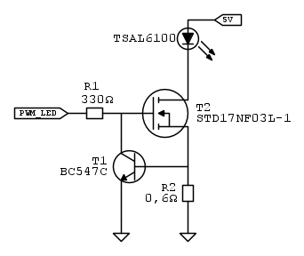
Quindi si tratta di qualcosa del genere, giusto?
Avatar utente
Foto UtentematteoDL
704 3 7
Expert
Expert
 
Messaggi: 310
Iscritto il: 26 feb 2012, 20:49

1
voti

[9] Re: Driver LED a corrente costante

Messaggioda Foto UtenteIsidoroKZ » 24 ago 2013, 23:40

Yes, verificando banda, stabilita` e che l'operazionale riesca ad andare su abbastanza di tensione di uscita (direi di si`).
Per usare proficuamente un simulatore, bisogna sapere molta più elettronica di lui
Plug it in - it works better!
Il 555 sta all'elettronica come Arduino all'informatica! (entrambi loro malgrado)
Se volete risposte rispondete a tutte le mie domande
Avatar utente
Foto UtenteIsidoroKZ
121,2k 1 3 8
G.Master EY
G.Master EY
 
Messaggi: 21059
Iscritto il: 17 ott 2009, 0:00

0
voti

[10] Re: Driver LED a corrente costante

Messaggioda Foto UtentematteoDL » 25 ago 2013, 0:49

La frequenza del PWM è 40kHz, direi che quindi l'MC33072P fa al caso mio dato lo slew rate di 13V/us, l'alimentazione singola a 5V con VOH minimo di 3,7V.
Avatar utente
Foto UtentematteoDL
704 3 7
Expert
Expert
 
Messaggi: 310
Iscritto il: 26 feb 2012, 20:49

Prossimo

Torna a Elettronica generale

Chi c’è in linea

Visitano il forum: Nessuno e 55 ospiti