Ciao, sono nuovo del forum e alle prime "armi"
Volevo chiedervi una informazione
Considerando un contatore a 6 kW
Vorrei utilizzare un relè di gestione carichi e mi è nato un dubbio guardando le caratteristiche dei relè.
Ho visto che, i relè che gestiscono i carichi non prioritari, supportano al massimo 16A
Ammettiamo che, come carico non prioritario, metta il climatizzatore, la lavatrice e la lavastoviglie...
nel caso in cui questi carichi non prioritari venissero accesi contemporaneamente e assorbissero più di 16A
come si comporterebbe il relè? Come va usato correttamente?
grazie a tutti
Relè Gestione Carichi
Moderatori:
sebago,
MASSIMO-G,
lillo,
Mike
5 messaggi
• Pagina 1 di 1
0
voti
Solitamente i sistemi di gestione carichi hanno delle uscite alle quali associ tu i relè che vuoi....
A che prodotto fai riferimento?
A che prodotto fai riferimento?
La saggezza non può essere trasmessa. La saggezza che un saggio tenta di trasmettere suona sempre simile alla follia.
Hermann Hesse - Siddharta
Hermann Hesse - Siddharta
0
voti
Faccio riferimento al relè P Comfort della Gewiss GW96916 che ha una sola uscita per carichi non prioritari e il relè supporta al massimo una corrente da 16A
http://pro.gewiss.com/irj/go/km/docs//F ... 287830.pdf
grazie
http://pro.gewiss.com/irj/go/km/docs//F ... 287830.pdf
grazie
0
voti
Il sistema che postato non fa altro che staccare direttamente il carico che alimenta.
(Non so poi quanto bene possa fare all'utenza sottesa eh eh
)
Se nel tuo caso i carichi sottesi superano la portata prevista non fai altro che alimentarli tramite un relè adeguato invece che direttamente dal sistema gestione carichi.
Quest'ultimo non farà altro che gestire il relè.
(Non so poi quanto bene possa fare all'utenza sottesa eh eh
Se nel tuo caso i carichi sottesi superano la portata prevista non fai altro che alimentarli tramite un relè adeguato invece che direttamente dal sistema gestione carichi.
Quest'ultimo non farà altro che gestire il relè.
La saggezza non può essere trasmessa. La saggezza che un saggio tenta di trasmettere suona sempre simile alla follia.
Hermann Hesse - Siddharta
Hermann Hesse - Siddharta
0
voti
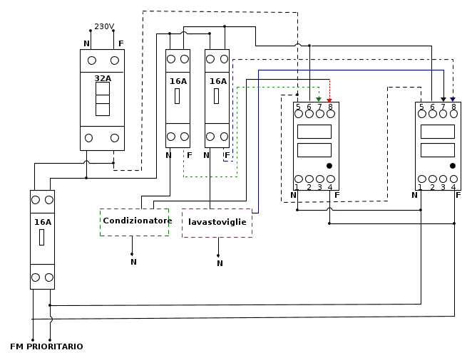
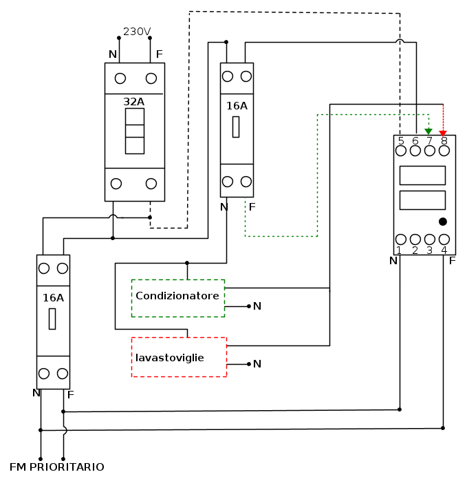
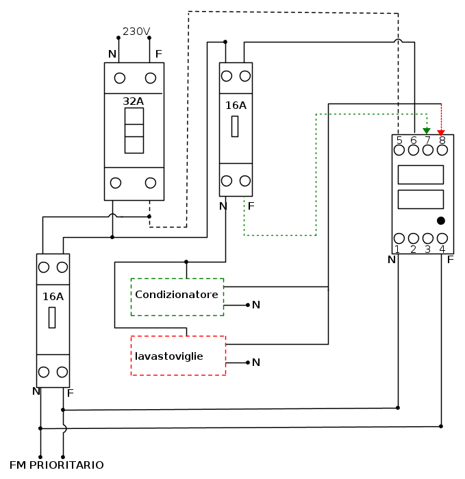
Ho dato uno sguardo alle caratteristiche del Rele' gestione carichi.
Essendo il contatto normalmente chiuso,significa che il carico sempre alimentato non puo' superare i 16A,ovvero stiamo intorno ai 3,6 kW.
Pero' se devi gestire ogni carico distintamente devi aumentare il numero dei Rele'.
Ti ho fatto uno schema al riguardo per alimentare un condizionatore ed una lavatrice separati,in modo da stabilire le priorita' tra i due.
Tenendo presente che puoi alimentare anche contemporaneamente anche due carichi con un solo rele',
purche' non superi la corrente di assorbimento di 16A.
Altrimenti usi un solo Rele' e colleghi i due carichi in parallelo ma la corrente Max Prelevabile rimane sempre 16A.
Essendo il contatto normalmente chiuso,significa che il carico sempre alimentato non puo' superare i 16A,ovvero stiamo intorno ai 3,6 kW.
Pero' se devi gestire ogni carico distintamente devi aumentare il numero dei Rele'.
Ti ho fatto uno schema al riguardo per alimentare un condizionatore ed una lavatrice separati,in modo da stabilire le priorita' tra i due.
Tenendo presente che puoi alimentare anche contemporaneamente anche due carichi con un solo rele',
purche' non superi la corrente di assorbimento di 16A.
Altrimenti usi un solo Rele' e colleghi i due carichi in parallelo ma la corrente Max Prelevabile rimane sempre 16A.
⋮ƎlectroYou
-

stefanob70
14,1k 5 11 13 - Master EY

- Messaggi: 3190
- Iscritto il: 14 lug 2012, 13:14
- Località: Roma
5 messaggi
• Pagina 1 di 1
Torna a Impianti, sicurezza e quadristica
Chi c’è in linea
Visitano il forum: Nessuno e 339 ospiti

Elettrotecnica e non solo (admin)
Un gatto tra gli elettroni (IsidoroKZ)
Esperienza e simulazioni (g.schgor)
Moleskine di un idraulico (RenzoDF)
Il Blog di ElectroYou (webmaster)
Idee microcontrollate (TardoFreak)
PICcoli grandi PICMicro (Paolino)
Il blog elettrico di carloc (carloc)
DirtEYblooog (dirtydeeds)
Di tutto... un po' (jordan20)
AK47 (lillo)
Esperienze elettroniche (marco438)
Telecomunicazioni musicali (clavicordo)
Automazione ed Elettronica (gustavo)
Direttive per la sicurezza (ErnestoCappelletti)
EYnfo dall'Alaska (mir)
Apriamo il quadro! (attilio)
H7-25 (asdf)
Passione Elettrica (massimob)
Elettroni a spasso (guidob)
Bloguerra (guerra)


