e
dI questo circuitoquando
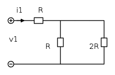
? Il circuito di riferimento è dunque questoIl risultato è
in entrambi i casi. Ps Il generatore del circuito è un generatore di corrente pilotato in corrente.
Grazie a tutti :)
Moderatori:
g.schgor,
IsidoroKZ
e
dI questo circuito
? Il circuito di riferimento è dunque questo
in entrambi i casi.
e dunque 




Arya89 ha scritto:... il parallelo tra un corto ed un generatore dipendente non mi elide il generatore dipendente perché esso non dipende da v2 bensi da v1 giusto? ... Se fosse dipeso da v2 avrei potuto eliminarlo?
Arya89 ha scritto:... non sono riuscita a vedere il parallelo tra le due resistenze perché mi bloccava il fatto che c'era il generatore dipendente.
Arya89 ha scritto:... Secondo quale criterio posso affermare che le due resistenze sono in parallelo? Non bisogna tener conto anche del generatore?
Torna a Elettrotecnica generale
Visitano il forum: Nessuno e 20 ospiti