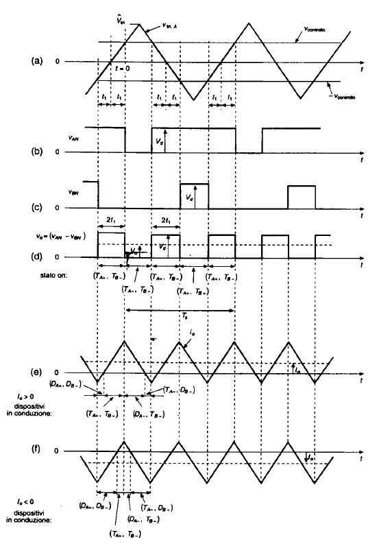
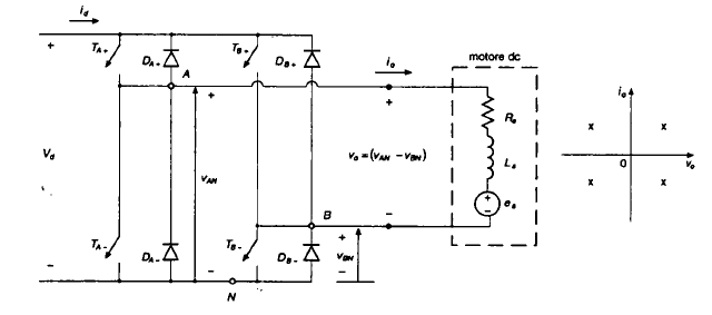
Nello studio del circuito Full Bridge in funzionamento Dc/Dc (di cui posto lo schema)
con modalità di controllo PWM unipolare il libro (Mohan, Convertitori e Applicazioni) mi riporta gli andamenti allegati.
Il mio dubbio riguarda sia la figura (e) che la figura (f). La figura (a) rappresenta lo schema di controllo. La(b) e la (c) mi indicano quando gli interruttori
e
rispettivamente sono chiusi.Le figure (d) ed (f) invece mostrano il percorso della corrente per valore medio positivo (e) e negativo (f).
Ora dalla figura vedo che quando
è chiuso e
aperto e la corrente è negativa, a condurre corrente sono i diodi
e
, ma essendo le rispettive valvole chiuse questi dovrebbero essere cortocircuitati e non capisco perché la corrente non scorre negli interruttori, che invece sono chiusi. Grazie per l'aiuto 
Elettrotecnica e non solo (admin)
Un gatto tra gli elettroni (IsidoroKZ)
Esperienza e simulazioni (g.schgor)
Moleskine di un idraulico (RenzoDF)
Il Blog di ElectroYou (webmaster)
Idee microcontrollate (TardoFreak)
PICcoli grandi PICMicro (Paolino)
Il blog elettrico di carloc (carloc)
DirtEYblooog (dirtydeeds)
Di tutto... un po' (jordan20)
AK47 (lillo)
Esperienze elettroniche (marco438)
Telecomunicazioni musicali (clavicordo)
Automazione ed Elettronica (gustavo)
Direttive per la sicurezza (ErnestoCappelletti)
EYnfo dall'Alaska (mir)
Apriamo il quadro! (attilio)
H7-25 (asdf)
Passione Elettrica (massimob)
Elettroni a spasso (guidob)
Bloguerra (guerra)

