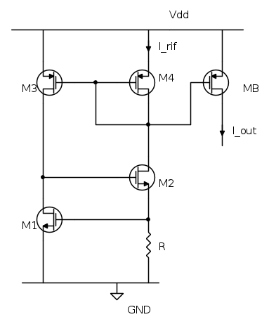
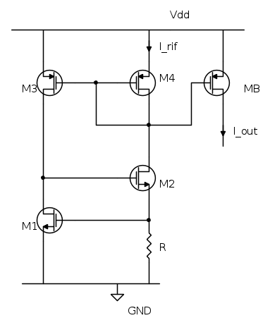
Dove i transistor M3 ed M4 si considerano uguali (uguale rapporto profondita su larghezza del canale), Vdd è l'alimentazione positiva, i_rif è la corrente di riferimento e I_out è la corrente specchiata. con alcune approssimazioni si giunge alla seguente relazione:

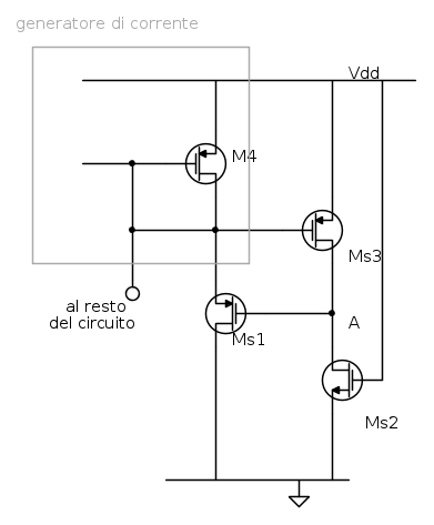
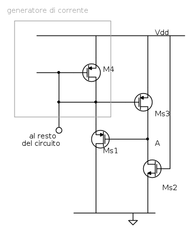
questo circuito però necessita di uno start-up per poter funzionare e portare la tensione tra gate e source del transistor M1 nel corretto punto di lavoro. Il circuito per lo start-up è il seguente:
Il transistor M4 è lo stesso dello schema precedente.
Vorrei, con il vostro aiuto, cercare di capire come funziona quest'ultimo circuito (non a livello di formule, ma in termini pratici). Da quello che ho capito dovrebbe fare in modo che cominci a scorrere corrente nel ramo dove c'è M4 e Ms1, da Vdd verso GND. Poi in qualche modo il transistor Ms1 si spegne, quando la corrente raggiunge un livello appropriato e il circuito di start up smette di funzionare, mentre la corrente continua a scorrere tra M4, M2 e quindi su R.
Non ho capito però la dinamica, quale sia il comportamento dei transistor del circuito di start-up che garantisce quel tipo di funzionamento.
Grazie a tutti in anticipo

Elettrotecnica e non solo (admin)
Un gatto tra gli elettroni (IsidoroKZ)
Esperienza e simulazioni (g.schgor)
Moleskine di un idraulico (RenzoDF)
Il Blog di ElectroYou (webmaster)
Idee microcontrollate (TardoFreak)
PICcoli grandi PICMicro (Paolino)
Il blog elettrico di carloc (carloc)
DirtEYblooog (dirtydeeds)
Di tutto... un po' (jordan20)
AK47 (lillo)
Esperienze elettroniche (marco438)
Telecomunicazioni musicali (clavicordo)
Automazione ed Elettronica (gustavo)
Direttive per la sicurezza (ErnestoCappelletti)
EYnfo dall'Alaska (mir)
Apriamo il quadro! (attilio)
H7-25 (asdf)
Passione Elettrica (massimob)
Elettroni a spasso (guidob)
Bloguerra (guerra)





