Cos'è ElectroYou | Login Iscriviti

ElectroYou - la comunità dei professionisti del mondo elettrico

Alimentatore 12 V/5 V per automobile

Elettronica lineare e digitale: didattica ed applicazioni

Moderatori: Foto Utentecarloc, Foto Utenteg.schgor, Foto UtenteBrunoValente, Foto UtenteIsidoroKZ

0
voti

[1] Alimentatore 12 V/5 V per automobile

Messaggioda Foto Utenteverlex » 17 ott 2013, 10:51

volevo rispondere a Foto Utentephylum,in questo thread.

Io ho lo stesso problema, vorrei costruire un alimentatore a 5volt partendo da una batteria al piombo di 12 volt. Ho visto costruito e provato l'alimentatore con LM2576-5 ed il tutto funziona.

In entrata ho 12 volt mentre in uscita ho 5 volt.
Il problema è la corrente.. per ottenere i promessi 3 ampere (a 5 volt )da parte dello switching devo mettere in ingresso un tensione di be 18 volt, molto lontani dai miei 12 volt attuali.

E' un bel problema perché non riesco a risolverlo e ci sto sbattendo da molto tempo...

Spero che qualcuno riesca ad aiutarmi nell'impresa..
Avatar utente
Foto Utenteverlex
40 4
 
Messaggi: 27
Iscritto il: 15 mar 2012, 11:52

0
voti

[2] Re: Alimentatore 12 V/5 V per automobile

Messaggioda Foto Utentestefanob70 » 17 ott 2013, 12:54

Per curiosita' che tipo di diodo e bobina "L1"hai messo?
Mi spiego meglio nel thread da te mensionato e' riportato lo schema con il diodo 1N5821:
Guardando le specifiche la corrente massima e' di 3A.
Dal datasheet LM2576 puoi mettere anche un MBR360
per "L1" sceglierei un'induttore di questo tipo come raccomandato dal datasheets:
PULSE ENGINEERING - PE92108KNL - INDUCTOR, 100UH

puoi vederloQui
ƎlectroYou
Avatar utente
Foto Utentestefanob70
14,1k 5 11 13
Master EY
Master EY
 
Messaggi: 3190
Iscritto il: 14 lug 2012, 13:14
Località: Roma

0
voti

[3] Re: Alimentatore 12 V/5 V per automobile

Messaggioda Foto Utentemarco438 » 17 ott 2013, 14:08

A me piacerebbe vedere lo schema in FidoCadJ della tua realizzazione, completa delle sigle di tutti i componenti.
marco
Avatar utente
Foto Utentemarco438
37,1k 7 11 13
-EY Legend-
-EY Legend-
 
Messaggi: 16323
Iscritto il: 24 mar 2010, 15:09
Località: Versilia

0
voti

[4] Re: Alimentatore 12 V/5 V per automobile

Messaggioda Foto UtenteFedericoSibona » 17 ott 2013, 17:17

verlex ha scritto: Il problema è la corrente.. per ottenere i promessi 3 ampere (a 5 volt )da parte dello switching devo mettere in ingresso un tensione di be 18 volt, molto lontani dai miei 12 volt attuali.

Visto che dici che devi salire a 18V penso che tu stia alimentando il circuito con un alimentatore a tensione variabile. La domanda è: che corrente è in grado di fornire l'alimentatore? Hai misurato con un tester la tensione all'ingresso del circuito switching mentre eroga 3A?
Hai verificato se qualche componente dello switching mentre eroga 3A scalda in modo anomalo?
Comunque mi associo alla richiesta di vedere il circuito dettagliato, specie le caratteristiche dell'induttore ;-)
Avatar utente
Foto UtenteFedericoSibona
5.022 3 5 8
Master
Master
 
Messaggi: 3951
Iscritto il: 19 mar 2013, 11:43

0
voti

[5] Re: Alimentatore 12 V/5 V per automobile

Messaggioda Foto Utenteverlex » 28 ott 2013, 16:04

Wow che velocità di risposte...
Ho scaricato da poco Jfidocad,
ho appurato che su questo forum
si usa questo software per gli schemi.
Mi metto all'opera e a breve pubblico lo schema dettagliato.
Avatar utente
Foto Utenteverlex
40 4
 
Messaggi: 27
Iscritto il: 15 mar 2012, 11:52

0
voti

[6] Re: Alimentatore 12 V/5 V per automobile

Messaggioda Foto Utentestefanob70 » 28 ott 2013, 16:06

Aspettiamo.... ;-)
ƎlectroYou
Avatar utente
Foto Utentestefanob70
14,1k 5 11 13
Master EY
Master EY
 
Messaggi: 3190
Iscritto il: 14 lug 2012, 13:14
Località: Roma

0
voti

[7] Re: Alimentatore 12 V/5 V per automobile

Messaggioda Foto Utenteverlex » 28 ott 2013, 17:55

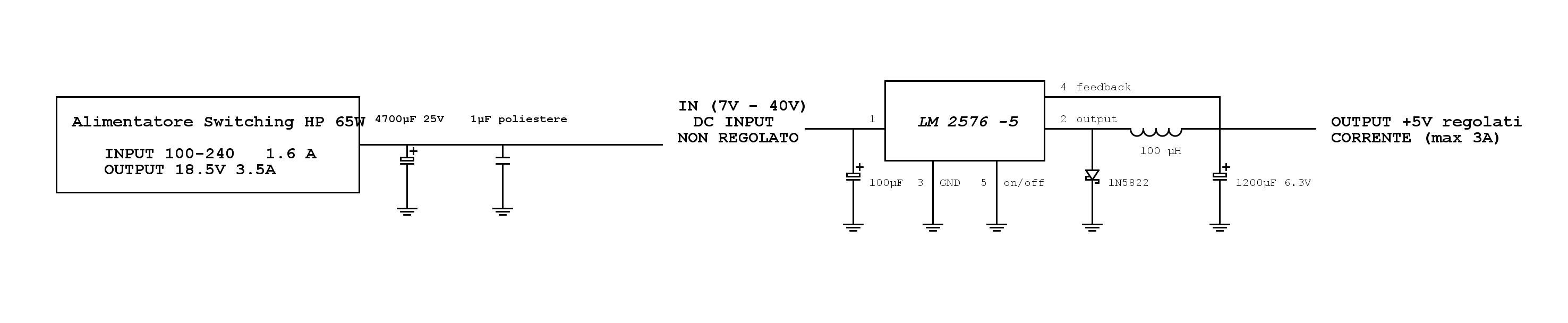
Dunque, lo schema fidocad dell'alimentatore che ho costruito io è questo:
Allegati
Alimentatore SWITCHING LM2576 5V 3A.jpg
Foto dello schema elettrico fatto con fidocad
Alimentatore SWITCHING LM2576 5V 3A.jpg (70.3 KiB) Osservato 6055 volte
Avatar utente
Foto Utenteverlex
40 4
 
Messaggi: 27
Iscritto il: 15 mar 2012, 11:52

0
voti

[8] Re: Alimentatore 12 V/5 V per automobile

Messaggioda Foto Utenteverlex » 28 ott 2013, 18:17

@ stefanob70
Ho provato ad aprire il link, ma è irraggiungibile.
Come induttanza ne ho usata una prelevata da un vecchio alimentatore PC. E' toroidale con diametro interno di 10mm diametro esterno di 20mm, spèssore di 7mm e 28 spire di 1 mm di diametro di filo smaltato. (Non posso misurarla, ma spero che vada bene e che si avvicini ai 100microHenry richiesti dal ciruito switching, sperando che a pieno carico l'induttanza non arrivi a saturazione).

Per Evitare che il problema fosse l'induttanza
su Ebay ho comprato la seguente induttanza (ancora da provare)
http://www.ebay.it/itm/290960076785?ssP ... 1439.l2649

Inoltre ho comprato anche il seguente convertitore DC-DC
http://www.ebay.it/itm/140832358304?ssP ... 1439.l2649

Gli oggetti sono in viaggio, spero soltanto che il convertitore DCDC sia migliore di quello che ho costruito io.



@ marco438
Schema fidocadj fatto e pubblicato.

@FedericoSibona
Dunque, l'alimentatore principale è uno switching di un portatile HP, in uscita (come si vede dallo schema che ho pubblicato) da 3,5 Ampere a 18,5Volt. Il mio problema principale è che non ho un carico "fittizio" tale da far assorbire 3 Ampere dall'alimentatore a 5 volt. Inoltre ho soltanto due tester analogici di cui uno misuro i 5 volt in uscita e con un altro voltmetro misuro la corrente in uscita. Le misurazioni le ho fatte collegando una lampadina per auto 12 volt 24Watt.
Avatar utente
Foto Utenteverlex
40 4
 
Messaggi: 27
Iscritto il: 15 mar 2012, 11:52

0
voti

[9] Re: Alimentatore 12 V/5 V per automobile

Messaggioda Foto Utentemarco438 » 28 ott 2013, 18:24

L'uso di Fidocadj per gli schemi, ha lo scopo di permettere agli altri intervenuti nel thread di rettificare o correggere lo schema stesso senza doverlo ridisegnare; in pratica, quando lo schema e' postato secondo le regole, e' sufficiente prelevarlo, copiarlo sul proprio software e quindi modificarlo e ripubblicarlo.
Facendo una foto, peraltro enorme ed in parte invisibile, la tua fatica risulta inutile; leggiti bene come si posta uno schema in FidocadJ. :mrgreen:
marco
Avatar utente
Foto Utentemarco438
37,1k 7 11 13
-EY Legend-
-EY Legend-
 
Messaggi: 16323
Iscritto il: 24 mar 2010, 15:09
Località: Versilia

0
voti

[10] Re: Alimentatore 12 V/5 V per automobile

Messaggioda Foto Utentestefanob70 » 28 ott 2013, 18:41

Scusa verlex ma sono d'accordo con Foto Utentemarco438.
Lo schema non e' modificabile,e poi lascia stare l'induttanza rimediata di valore non noto.
l'induttore da 100uH dovrebbe andare bene.
Ultima modifica di Foto Utentestefanob70 il 28 ott 2013, 18:46, modificato 2 volte in totale.
ƎlectroYou
Avatar utente
Foto Utentestefanob70
14,1k 5 11 13
Master EY
Master EY
 
Messaggi: 3190
Iscritto il: 14 lug 2012, 13:14
Località: Roma

Prossimo

Torna a Elettronica generale

Chi c’è in linea

Visitano il forum: Nessuno e 51 ospiti