Ciao
simo85.
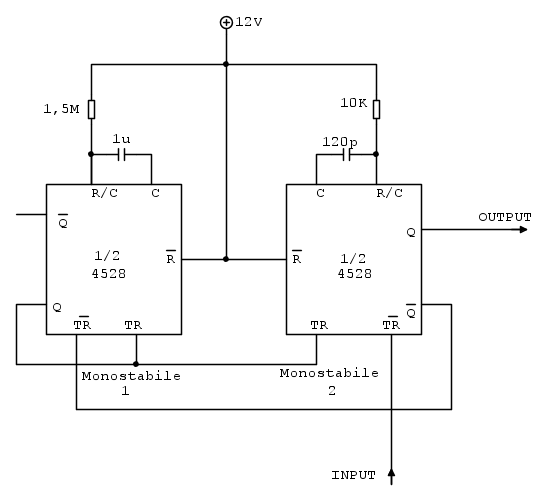
simo85 ha scritto:mrc ha scritto:Il tempo dell' impulso prodotto dal primo monostabile dovrebbe essere di circa

.
Il tempo dell' impulso prodotto dal secondo monostabile dovrebbe essere di circa

.
Se

non mi quadrano i conti.
Dal datasheet a pag. 6 è riportata la seguente indicazione:
per

si può applicare la seguente

dove io ho assunto, avendo una VDD=12 V, K=0,31
quindi ottengo con

ed R=1,5M

Invece con una capacità di

occorre ricavare il valore di

considerando il grafico presente a pag. 7, cioè il seguente:

- Grafico.JPG (58.34 KiB) Osservato 5017 volte
Da cui avendo una R=10K ottengo

Dove ho sbagliato
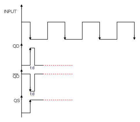
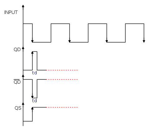
Scusa Simo85 ma non riesco a capire il tuo diagramma.
Seguendo le tue indicazioni:
simo85 ha scritto:Quando sull'input (negato) hai una transizione 1 >> 0 (THL), l'uscita Q di destra va su (o >> 1) mentre quella negata passa dallo stato logico alto a basso (1 >> 0). Di conseguenza si attiva il monostabile di sinistra essendo quest'ultima uscita collegata all'input attivo con THL.
L'output del monostabile di sinistra va su, e si ha una TLH (0 >> 1)...........
ho disegnato il seguente diagramma ( non in scala ):
Però proseguendo la lettura della tua spiegazione mi sono bloccato qui:
simo85 ha scritto:.......sullo stesso input attivo con una transizione da 0 a 1 dello stesso monostabile, così come l'input attivo con una TLH destra. Quindi il monostabile di sinistra viene retriggerato.
Infatti nel mio diagramma ho disegnato delle linee rosse tratteggiate perché non riesco a proseguire.
Avresti la possibilità, per favore, di indicarmi come proseguire
O di spiegarmi come leggere, in maniera corretta, il tuo diagramma
GRAZIE!