Cos'è ElectroYou | Login Iscriviti

ElectroYou - la comunità dei professionisti del mondo elettrico

ESERCIZIO 7 - altra casistica, controllate?

Circuiti, campi elettromagnetici e teoria delle linee di trasmissione e distribuzione dell’energia elettrica

Moderatori: Foto Utenteg.schgor, Foto UtenteIsidoroKZ

0
voti

[1] ESERCIZIO 7 - altra casistica, controllate?

Messaggioda Foto Utenteluciano87 » 17 dic 2013, 17:32

SE AVETE ALTRI METODI PER RISOLVERE L'ESERCIZIO O TROVATE ERRORI SEGNALATE. GRAZIE
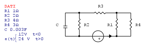
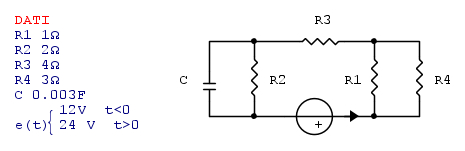
Il circuito in figura è in regime stazionario per t < 0. Il generatore cambia valore all’istante t = 0. Determinare la tensione ai capi del condensatore in ogni istante di tempo.


Semplifico dapprima il circuito


\[R_{14}=R_{1}//R_{4}=0.75\Omega\]

\[R_{143}=R_{14}+R_{3}=4.75\Omega\]

t<0



Ricavo immediatamente la tensione tramite partitore:

\[V_{C}=e\frac{R_{2}}{R_{2}+R_{143}}=3.55V\]


t=0

\[V_{C}(0)=3.55V\]

\[R_{eq}=G_{143}+G_{2}=0.71\]

\[\tau =-\frac{Req}{C}=-\frac{0.71}{0.003}\]

t>0


Ricavo immediatamente la tensione, esattamente come fatto per t<0 tramite partitore:
\[V_{C}(\infty )= e\frac{R_{2}}{R_{2}+R_{143}}=7.11V\]

la tensione ai capi del condensatore in ogni istante di tempo sarà:

\[{{V}_{C}}(t)=[{{V}_{C}}(0)-{{V}_{C}}(\infty )]{{e}^{-\frac{t}{\tau }}}+{{V}_{C}}(\infty )\]

\[{{V}_{C}}(t)=[3.55-7.11}]{{e}^{-236.84t}+7.11\]

\[{{V}_{C}}(t)=-3.55}{{e}^{-236.84t}+7.11\]
Ognuno è un genio. Ma se si giudica un pesce dalla sua abilità di arrampicarsi sugli alberi lui passerà tutta la sua vita a credersi stupido.
Avatar utente
Foto Utenteluciano87
174 3 7
Frequentatore
Frequentatore
 
Messaggi: 145
Iscritto il: 28 nov 2013, 20:50
Località: Roma

0
voti

[2] Re: ESERCIZIO 7 - altra casistica, controllate?

Messaggioda Foto Utenteadmin » 17 dic 2013, 17:45

luciano87 ha scritto:{R_{eq}} = {G_{143}} + {G_2} = 0.71

:shock:
luciano87 ha scritto:\tau  =  - \frac{{Req}}{C} =  - \frac{{0.71}}{{0.003}}
?% ?%
Avatar utente
Foto Utenteadmin
196,6k 9 12 17
Manager
Manager
 
Messaggi: 11950
Iscritto il: 6 ago 2004, 13:14

0
voti

[3] Re: ESERCIZIO 7 - altra casistica, controllate?

Messaggioda Foto UtenteRenzoDF » 17 dic 2013, 17:52

... vedo che Foto Utenteluciano87 ha cambiato idea, alcuni post fa scriveva

luciano87 ha scritto:... io ho applicato \[\tau = -\frac{C}{R_{eq}}\] intendiamo la stessa cosa?

:-)
"Il circuito ha sempre ragione" (Luigi Malesani)
Avatar utente
Foto UtenteRenzoDF
55,9k 8 12 13
G.Master EY
G.Master EY
 
Messaggi: 13189
Iscritto il: 4 ott 2008, 9:55

1
voti

[4] Re: ESERCIZIO 7 - altra casistica, controllate?

Messaggioda Foto Utenteluciano87 » 17 dic 2013, 17:54

Perdonatemi questo è stato un errore di battitura
luciano87 ha scritto:Immagine


Riguardo il calcolo di Req ho utilizzato le conduttanze dei due elementi resistivi...è sbagliato?
Ognuno è un genio. Ma se si giudica un pesce dalla sua abilità di arrampicarsi sugli alberi lui passerà tutta la sua vita a credersi stupido.
Avatar utente
Foto Utenteluciano87
174 3 7
Frequentatore
Frequentatore
 
Messaggi: 145
Iscritto il: 28 nov 2013, 20:50
Località: Roma

1
voti

[5] Re: ESERCIZIO 7 - altra casistica, controllate?

Messaggioda Foto Utenteluciano87 » 17 dic 2013, 18:03

Oltre al mio errore di battitura, il resto è ok?

Foto Utenteadmin è la simbologia che non convince per il calcolo di Req?

sorry
Ognuno è un genio. Ma se si giudica un pesce dalla sua abilità di arrampicarsi sugli alberi lui passerà tutta la sua vita a credersi stupido.
Avatar utente
Foto Utenteluciano87
174 3 7
Frequentatore
Frequentatore
 
Messaggi: 145
Iscritto il: 28 nov 2013, 20:50
Località: Roma

0
voti

[6] Re: ESERCIZIO 7 - altra casistica, controllate?

Messaggioda Foto Utenteadmin » 17 dic 2013, 18:10

luciano87 ha scritto:Perdonatemi questo è stato un errore di battitura
luciano87 ha scritto:Immagine

Quale sarebbe la battitura corretta?
Questa ||O ?

luciano87 ha scritto:è la simbologia che non convince per il calcolo di Req?


:-M Non avevo pensato a questa possibilità...

Ma non hai un libro su cui ci siano scritte le formule?
Avatar utente
Foto Utenteadmin
196,6k 9 12 17
Manager
Manager
 
Messaggi: 11950
Iscritto il: 6 ago 2004, 13:14

1
voti

[7] Re: ESERCIZIO 7 - altra casistica, controllate?

Messaggioda Foto Utenteluciano87 » 17 dic 2013, 18:14

Riguardo la tau mi sono auto citato, evidenziando che quanto scritto fosse errato. Causa battitura, ho scritto l'inverso nella Latex.
Questa è quella giusta! tau= C/ Req
Ognuno è un genio. Ma se si giudica un pesce dalla sua abilità di arrampicarsi sugli alberi lui passerà tutta la sua vita a credersi stupido.
Avatar utente
Foto Utenteluciano87
174 3 7
Frequentatore
Frequentatore
 
Messaggi: 145
Iscritto il: 28 nov 2013, 20:50
Località: Roma

1
voti

[8] Re: ESERCIZIO 7 - altra casistica, controllate?

Messaggioda Foto Utenteluciano87 » 17 dic 2013, 18:23

Oltre alla detrazione del punteggio non riesco a capire per riparare i miei errori. :(

Alcune simbologie le ho adottate anche nei precedenti esercizi, visto che non sono state segnalate pensavo fossero corrette ed ho proseguito lungo questa strada.
Alcuni testi confrontati con dispense adottano simboli differenti, sia per le formule che per i circuiti (è chiaro che hanno lo stesso significato) perciò visto che sono ai primissimi esercizi voglio imparare a eseguirli in modo giusto e pongo domande anche scontate.

Abbiate pazienza... sorry
Ognuno è un genio. Ma se si giudica un pesce dalla sua abilità di arrampicarsi sugli alberi lui passerà tutta la sua vita a credersi stupido.
Avatar utente
Foto Utenteluciano87
174 3 7
Frequentatore
Frequentatore
 
Messaggi: 145
Iscritto il: 28 nov 2013, 20:50
Località: Roma

1
voti

[9] Re: ESERCIZIO 7 - altra casistica, controllate?

Messaggioda Foto Utenteadmin » 17 dic 2013, 18:25

Sei sicuro che non ci sia un errore di battitura anche nell'inverso?

Ripeto la domanda: un libro con le formule scritte lo possiedi?
In alternativa: ti è mai venuto in mente di cercare con Google costante di tempo di un circuito RC
Avatar utente
Foto Utenteadmin
196,6k 9 12 17
Manager
Manager
 
Messaggi: 11950
Iscritto il: 6 ago 2004, 13:14

0
voti

[10] Re: ESERCIZIO 7 - altra casistica, controllate?

Messaggioda Foto Utenteluciano87 » 17 dic 2013, 18:46

Su questo errore credo di esserci, ho letto sul mio testo, ma utilizza \[\lambda\]:
dunque se ho un circuito con C per calcolare la costante di tempo impiego:

\[\tau =RC\]

mentre se ho L

\[\tau =\frac{L}{R}\]

possiamo passare al successivo errore.. :?
Ognuno è un genio. Ma se si giudica un pesce dalla sua abilità di arrampicarsi sugli alberi lui passerà tutta la sua vita a credersi stupido.
Avatar utente
Foto Utenteluciano87
174 3 7
Frequentatore
Frequentatore
 
Messaggi: 145
Iscritto il: 28 nov 2013, 20:50
Località: Roma

Prossimo

Torna a Elettrotecnica generale

Chi c’è in linea

Visitano il forum: Nessuno e 73 ospiti