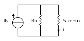
Sostanzialmente abbiamo questo circuito:
Dovrei, dovendo calcolare la i, ottenere un circuito del genere giusto?
O sbaglio?
Bene, se con Thevenin procedevo aprendo il circuito dove interessato e calcolando la vt tra i morsetti a b, suppongo che con Norton devo corto-circuitare il ramo che ci interessa, sostanzialmente il circuito è così:
Al quale, per calcolare la
mi basta applicare il metodo delle maglie, ovvero:(Non so bene come indicare le correnti con Fido!)
A quel punto ottengo intanto due principali soluzioni

Non mi resta che calcolare

Da cui ottengo come soluzione

Ovvero

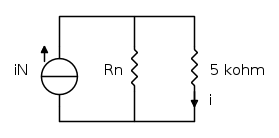
La Rn al solito la calcolo spegnendo tutto, ovvero:
Dove abbiamo
e quindi 
Mi resta quindi da calcolare la i, ma non mi viene giusto. Ho sbagliato qualcosa nel procedimento?

Elettrotecnica e non solo (admin)
Un gatto tra gli elettroni (IsidoroKZ)
Esperienza e simulazioni (g.schgor)
Moleskine di un idraulico (RenzoDF)
Il Blog di ElectroYou (webmaster)
Idee microcontrollate (TardoFreak)
PICcoli grandi PICMicro (Paolino)
Il blog elettrico di carloc (carloc)
DirtEYblooog (dirtydeeds)
Di tutto... un po' (jordan20)
AK47 (lillo)
Esperienze elettroniche (marco438)
Telecomunicazioni musicali (clavicordo)
Automazione ed Elettronica (gustavo)
Direttive per la sicurezza (ErnestoCappelletti)
EYnfo dall'Alaska (mir)
Apriamo il quadro! (attilio)
H7-25 (asdf)
Passione Elettrica (massimob)
Elettroni a spasso (guidob)
Bloguerra (guerra)








...Possibile che sia solo
??

=1,8 mA...quando il risultato è 1,6 mA :|
e che dobbiamo trovare.