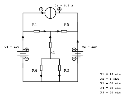
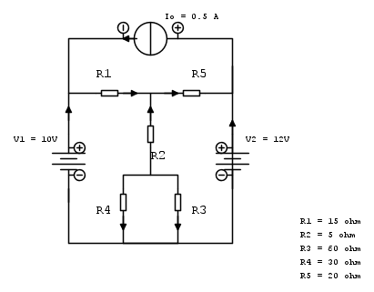
Vorrei un consiglio su un esercizio che sono sicuro mi sarà da modello per molti altri simili
La richiesta è: calcolare il valore delle correnti in ogni lato.
Ho provato il metodo delle correnti di maglia ma le correnti, di circa una decina di ampere, non sono, a mio parere, coerenti col tipo di circuito, ne tantomeno con le soluzioni proposte.
Un grazie anticipato a chi mi risponderà


Elettrotecnica e non solo (admin)
Un gatto tra gli elettroni (IsidoroKZ)
Esperienza e simulazioni (g.schgor)
Moleskine di un idraulico (RenzoDF)
Il Blog di ElectroYou (webmaster)
Idee microcontrollate (TardoFreak)
PICcoli grandi PICMicro (Paolino)
Il blog elettrico di carloc (carloc)
DirtEYblooog (dirtydeeds)
Di tutto... un po' (jordan20)
AK47 (lillo)
Esperienze elettroniche (marco438)
Telecomunicazioni musicali (clavicordo)
Automazione ed Elettronica (gustavo)
Direttive per la sicurezza (ErnestoCappelletti)
EYnfo dall'Alaska (mir)
Apriamo il quadro! (attilio)
H7-25 (asdf)
Passione Elettrica (massimob)
Elettroni a spasso (guidob)
Bloguerra (guerra)







