Salve ragazzi,
sto' cercando una soluzione .. vi spiego brevemente : volevo riportare l'uscita del decoder sull'impianto antenna di casa .
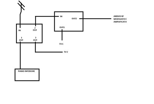
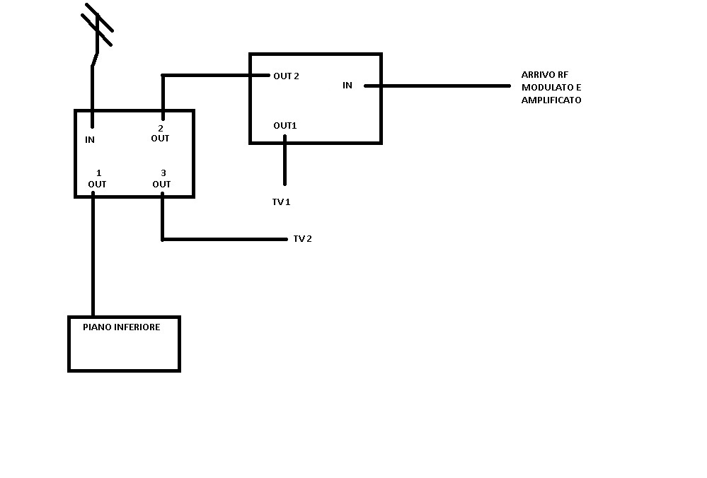
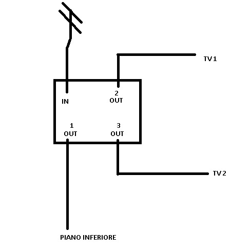
ho preso l'uscita scart del decoder , l'ho modulata e amplificata leggermente , poi tramite un cavo RF ( che mi ero fatto preventivamente passare dalla ditta dei lavori quando stavano facendo l'impianto ) , posso riportare il segnale sul primo derivatore RF ( 1 in 3 out ) . Premetto che non vorrei toccare l'ingresso antenna .. con un accoppiatore risolverei velocemente .... la mia attuale situazione ( spiegata dalle immagini , prevede che il derivatore ha 3 out , una al piano inferiore ( passante ) le altre 2 per 2 televisori sul medesimo piano . Ora , se ad una di queste due uscite collego un derivatore usato al contrario ? Ovvero 1 derivatore con 1 in e 2 out , dove su un out ricollego il televisore , sull'altro out faccio arrivare il segnale rf modulato del decoder , e l'in di questo deriv, lo collego sull'out del derivatore dell'impianto di casa, puo' funzionare ? Quali intoppi potrei trovare?
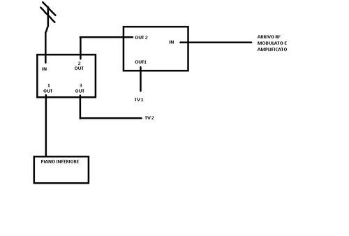
inserisco in allegato la spiegazione grafica: la pèrima immagine riguarda la situazione attuale, la seconda la configurazione che vorrei implementare.
Grazie a tutti!
Riportare segnale modulato su antenna di casa.
Moderatore:
jordan20
14 messaggi
• Pagina 1 di 2 • 1, 2
0
voti
Scusate , il secondo file immagine è leggermente sbagliato , questo è quello corretto ( quello che vorrei realizzare )
0
voti
Perché non fai i disegni con FidocadJ ?
No. Non va bene. Le uscite si chiamano uscite perché funzionano come uscite
Ma perché vuoi fare una cosa del genere?
Non è più logico accoppiare l'uscita RF del decoder con il segnale proveniente dall'antenna per poi seguire la distribuzione attuale?
foxin ha scritto:Ora , se ad una di queste due uscite collego un derivatore usato al contrario ?
No. Non va bene. Le uscite si chiamano uscite perché funzionano come uscite
Ma perché vuoi fare una cosa del genere?
Non è più logico accoppiare l'uscita RF del decoder con il segnale proveniente dall'antenna per poi seguire la distribuzione attuale?
in /dev/null no one can hear you scream
0
voti
anzitutto grazie per la risposta ...
accoppiando la discesa dell'antenna , ottengo attenuazione sulla stessa a valle dell'accoppiatore? il mio problema è quello di salire sul tetto ( causa vertigini ) per dover amplificare il segnale dell'antenna ( c'è un ampli da palo ) per questo cercavo una soluzione alternativa ...
quindi l'uscita del derivatore è, diciamo, " a senso unico " ?
accoppiando la discesa dell'antenna , ottengo attenuazione sulla stessa a valle dell'accoppiatore? il mio problema è quello di salire sul tetto ( causa vertigini ) per dover amplificare il segnale dell'antenna ( c'è un ampli da palo ) per questo cercavo una soluzione alternativa ...
0
voti
allora .. per completezza completo con quel che ho fatto : ho utilizzato un partitore al contrario : ho applicato lo schema che avevo fatto e .. FUNZIONA ! Ho dovuto amplificare leggermente l'uscita del mio modulatore RF ( ad occhio e croce sembrano circa 4 dB ( quindi potenza segnale piu' che raddoppiata ) . Il nuovo canale sky non dà problemi sugli altri canali ... ora devo inventarmi qualcosa per cambiare canale sul decoder da ogni posto di casa mia . Buona serata a tutti guys !
p.s.
Volevo usare il cad , ma c'è un problema : Ho scritto il post dal luogo di lavoro , ove mi è impossibile l'installazione ed utilizzo di qualsiasi programma non autorizzato .. e quindi mi sono dovuto adattare con il PAINT !!!! .. Spero che capìate...
p.s.
Volevo usare il cad , ma c'è un problema : Ho scritto il post dal luogo di lavoro , ove mi è impossibile l'installazione ed utilizzo di qualsiasi programma non autorizzato .. e quindi mi sono dovuto adattare con il PAINT !!!! .. Spero che capìate...
2
voti
foxin ha scritto:ho utilizzato un partitore al contrario : ho applicato lo schema che avevo fatto e .. FUNZIONA !
Il fatto che "funzioni" non vuol dire che sia una soluzione corretta.
Inoltre, attento ai termini che usi: prima parlavi di derivatore, adesso è diventato un partitore.
NON sono la stessa cosa.
foxin ha scritto:Ho dovuto amplificare leggermente l'uscita del mio modulatore RF ( ad occhio e croce sembrano circa 4 dB ( quindi potenza segnale piu' che raddoppiata ) .
Complimenti se riesci a vedere "ad occhio e croce" circa 4dB.
Pensa che io ho buttato un sacco di soldi per comprare un misuratore di campo per fare queste cose...
Saluti
in /dev/null no one can hear you scream
0
voti
angus ha scritto:Il fatto che "funzioni" non vuol dire che sia una soluzione corretta.![]()
eheh sicuramente non è la soluzione che adotterebbe chi fa questo mestiere .. ma io non faccio questo di mestiere .... di buono c'è sicuramente che sono riuscito a fare tutto con materiale che possedevo già.
Non disturbo nessun attuale canale e riesco a vedere quel che mi interessava .. quindi anche se per chi fa' questi mestieri puo' sembrare una soluzione un po' .. beh chiamiamola "rozza" , per quanto mi riguarda mi va piu' che bene . Al contrario , se quel che ho fatto può creare qualche problema diverso che non ho valutato , ti prego di farmelo notare .
angus ha scritto:Inoltre, attento ai termini che usi: prima parlavi di derivatore, adesso è diventato un partitore.
NON sono la stessa cosa.
hai ragione scusami , stiamo parlando sempre di derivatore
angus ha scritto:Complimenti se riesci a vedere "ad occhio e croce" circa 4dB.![]()
Pensa che io ho buttato un sacco di soldi per comprare un misuratore di campo per fare queste cose...![]()
Saluti
Beh , se l'amplificatore aumenta 12 dB totali, il potenziometro messo ad un terzo "credo" che amplifichi un valore avvicinabile ai 4 dB .. potrei cercare un analizzatore di spettro e vedere la portante quanto aumenta, settandolo alla giusta frequenza , con risoluzione di 1dB a divisione etgc... , ma poterlo valutare con una semplice considerazione logica, credo sia meno dispendioso, anche perché non prescinde il lavoretto fatto ...
Inoltre spero che quanto descritto possa aiutare qualcuno .. mi spiego meglio , tutte le persone fisiche alle quali ho chiesto se il derivatore poteva funzionare al contrario , mi hanno risposto con un secco "NO, NON TI FUNZIONA" , ed invece non è così : l'uscita funziona anche come ingresso anche se non si dovrebbe usare come mi hai fatto notare , ma per ben altri motivi ( che immagino siano quelli per cui mi hai suggerito l'accoppiatore ) e non perché non funziona come invece molte persone mi hanno detto .
Grazie comunque per le considerazioni che ti ho votato positivamente, credo che un discorso costruttivo sia sempre alla base del miglioramento di se stessi , della vita sociale , e di quel che si fa ;)
0
voti
Se ti interessa approfondire il forum è qui per questo.
La cosa certa è che hai un po' di confusione in testa, e non sei stato preciso nel descrivere componenti e installazione, cosa importante per chi vuole capire.
"La progettazione, il primo presidio della sicurezza" [Michele Guetta]
0
voti
ma torniamo al motivo vero del post :
la realizzazione di quel che ho fatto , puo' portare qualche problema ?
14 messaggi
• Pagina 1 di 2 • 1, 2
Chi c’è in linea
Visitano il forum: Nessuno e 9 ospiti

Elettrotecnica e non solo (admin)
Un gatto tra gli elettroni (IsidoroKZ)
Esperienza e simulazioni (g.schgor)
Moleskine di un idraulico (RenzoDF)
Il Blog di ElectroYou (webmaster)
Idee microcontrollate (TardoFreak)
PICcoli grandi PICMicro (Paolino)
Il blog elettrico di carloc (carloc)
DirtEYblooog (dirtydeeds)
Di tutto... un po' (jordan20)
AK47 (lillo)
Esperienze elettroniche (marco438)
Telecomunicazioni musicali (clavicordo)
Automazione ed Elettronica (gustavo)
Direttive per la sicurezza (ErnestoCappelletti)
EYnfo dall'Alaska (mir)
Apriamo il quadro! (attilio)
H7-25 (asdf)
Passione Elettrica (massimob)
Elettroni a spasso (guidob)
Bloguerra (guerra)





