Buongiorno a tutti, vi riporto di seguito una veloce bozza di un mio schema funzionale, nella quale dovrebbe esser simulata una teleinversione di marcia di un nastro trasportatore con fine corsa temporizzato...in realtà ho svolto diversi schemi con soli finecorsa nelle teleinversioni di marcia, ma è il primo schizzo che provo a fare di uno con anche temporizzatore. non sono molto pratico di fidocad, ho letto le regole del forum e ho provato ad abbozzare appunto questo schema, spero voi mi possiate aiutare a correggerlo, con un po di pazienza. grazie..:)
grazie di nuovo per qualunque aiuto, buoan giornata.
PS: le 2 bobine dei temporizzatori non hanno nome, in quanto non sapevo se erano corrette messe li e non sapevo come chiamarle a dir la verità...
Correzione schema funzionale nastro trasportatore temporizza
Moderatori:
sebago,
MASSIMO-G,
lillo,
Mike
16 messaggi
• Pagina 1 di 2 • 1, 2
0
voti
Senza una "specifica do funzionamento" non si può dire se lo schema è giusto o sbagliato.
Devi descrivere come vuoi che si muova il nastro e la funzione
di tutti gli ingressi (pulsanti, finecorsa, ecc.)ed uscite (motori,
lampade di segnalazione, ecc.) ,previsti nell'impianto.
Devi descrivere come vuoi che si muova il nastro e la funzione
di tutti gli ingressi (pulsanti, finecorsa, ecc.)ed uscite (motori,
lampade di segnalazione, ecc.) ,previsti nell'impianto.
0
voti
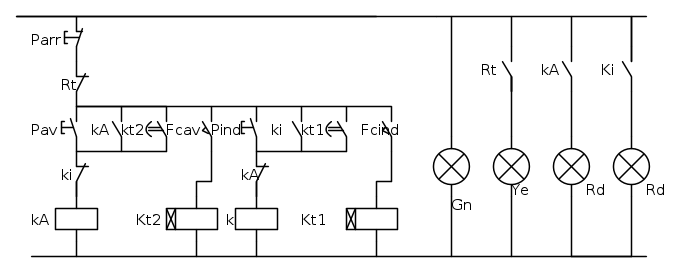
scusate l'imprecisione. questo schema dovrebbe rappresentare una teleinversione di marcia. supponiamo di far scorrere il nastro trasportatore da A a B. quando il nastro arriva a B tocca il fine corsa e allo stesso tempo dovrebbe attivarsi il temporizzatore,che dopo tot tempo fa ripartire la corsa da B verso A, e ricomincia il ciclo, nel senso opposto allo stesso modo, da B ad A, ad A viene toccato finecorsa, temporizzatore interviene contemporaneamente e dura tot secondi e riparte, ecc.
per quanto riguarda le lampade di segnalazione non sono indicate troppo bene quindi le tralascerei, son abbastanza convinto di quelle potete non considerarle.
scusate di nuovo imprecisione. spero il disegno sia + o - chiaro. è la prima volta che uso Fidocadj, ringrazio qualunque risposta o aiuto. buona giornata :)
per quanto riguarda le lampade di segnalazione non sono indicate troppo bene quindi le tralascerei, son abbastanza convinto di quelle potete non considerarle.
scusate di nuovo imprecisione. spero il disegno sia + o - chiaro. è la prima volta che uso Fidocadj, ringrazio qualunque risposta o aiuto. buona giornata :)
1
voti
Senza un nome preciso che indichi la funzione di ogni elemento
è difficile capirsi.
Provo ad esemplificarlo:
Pav (pulsante di comando marcia in avanti)
Pind (pulsante di comando marcia indietro)
Parr (pulsante di arresto)
FCav (finecorsa marcia avanti)
FCind (finecorsa marcia indietro)
Rt (relè protezione termica)
kt1, kt2 (relè temporizzati all'attrazione)
CMav (comando motore marcia avanti)
CMind (comando motore marcia indietro)
Se sei d'accordo puoi aggiornare in questo senso
descrizione e schema?
è difficile capirsi.
Provo ad esemplificarlo:
Pav (pulsante di comando marcia in avanti)
Pind (pulsante di comando marcia indietro)
Parr (pulsante di arresto)
FCav (finecorsa marcia avanti)
FCind (finecorsa marcia indietro)
Rt (relè protezione termica)
kt1, kt2 (relè temporizzati all'attrazione)
CMav (comando motore marcia avanti)
CMind (comando motore marcia indietro)
Se sei d'accordo puoi aggiornare in questo senso
descrizione e schema?
1
voti
Ti ringrazio nuovamente per la disponibilità. e mi riscuso per le mie imprecisioni, ma il mio interesse era proprio quello di capire se ci fosse qualcosa d'aggiustare al mio schema, a quanto pare sì. provo a sostituire le nomenclature da te indicate...spero di non sbagliare. magari dimentico proprio qualche contatto nello schema...e la prima volta che lo svolgo.
scusate non ho risposto velocemente, ci metto un sacco con il programma essendo la prima volta che lo uso per disegnare.
spero mi possiate capire e capiate quello che disegno/scrivo...anche se so che sicuraente vi risulta difficile.
grazie di nuovo.
scusate non ho risposto velocemente, ci metto un sacco con il programma essendo la prima volta che lo uso per disegnare.
spero mi possiate capire e capiate quello che disegno/scrivo...anche se so che sicuraente vi risulta difficile.
grazie di nuovo.
1
voti
Bene, allora vediamo.
Con Pav ecciti kA (CMav), che si automantiene con un suo contatto.
Quando rilascia? Con Parr oppure Rt (Ki è un interblocco e non può
essere utilizzato per l'arresto). Ma non dovrebbe fermarsi anche con FCav?
Dallo schema risulta che questo contatto fa partire un temporizzatore che,
dopo il tempo stabilito, chiude un contatto in parallelo all'automantenimento.
Che senso ha?
Cominciamo da qui (poi vedremo il resto).
Con Pav ecciti kA (CMav), che si automantiene con un suo contatto.
Quando rilascia? Con Parr oppure Rt (Ki è un interblocco e non può
essere utilizzato per l'arresto). Ma non dovrebbe fermarsi anche con FCav?
Dallo schema risulta che questo contatto fa partire un temporizzatore che,
dopo il tempo stabilito, chiude un contatto in parallelo all'automantenimento.
Che senso ha?
Cominciamo da qui (poi vedremo il resto).
0
voti
Cosa intendi per interblocco?
si, dovrebbe esserci la possibilità di fermarlo sia col fine corsa, che col pulsante d'arresto. devo inserire anche il contatto chiuso del finecorsa quindi vero?
temporizzatore: avevo difficoltà a inserirlo, credo che l'errore del mio schema sia proprio in quello?
si, dovrebbe esserci la possibilità di fermarlo sia col fine corsa, che col pulsante d'arresto. devo inserire anche il contatto chiuso del finecorsa quindi vero?
temporizzatore: avevo difficoltà a inserirlo, credo che l'errore del mio schema sia proprio in quello?
1
voti
...supponiamo di far scorrere il nastro trasportatore da A a B...
Comincio col dire che i nastri trasportatori non si muovono, se si muovono si chiamano nastri traslatori.
Supponendo che il tuo sia un nastro traslatore... ci sono diversi errori.
Il finecorsa che stai usando non "finecorsizza", "arrestizza" o "mettinmarcizza" un bel niente.
Una volta che il nastro arriva a finecorsa e attiva [fc1] il motore prosegue nel suo stato di marcia; si attiva il temporizzatore che dopo tot tempo chiude il contatto kt1... che non fa un bel niente in quanto è attivo il blocco di kA. (rumore di lamiere contorte in sottofondo)
Il finecorsa NON deve azionare il temporizzatore; il finecorsa DEVE bloccare il movimento del nastro.
Usa magari un contatto a scambio (per fermare la marcia e azionare il temporizzattore).
Se poi stiamo parlando di un caso reale e non di un esercizio didattico sarebbe bene usare 2 finecorsa. (sicurezza ridondante)
P.S.
Non entro nel merito della scelta dei colori delle lampade.
P.P.S.
Scusa se mi sovrappongo
Ultima modifica di
magoxax il 24 feb 2014, 21:31, modificato 2 volte in totale.
0
voti
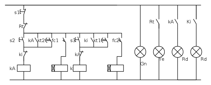
carlofs95 ha scritto:Cosa intendi per interblocco?
Che il comando avanti non può essere fermato dal comando indietro
(serve solo ad impedire che entrambi i comandi siano attivati).
carlofs95 ha scritto:devo inserire anche il contatto chiuso del finecorsa quindi vero?
Si, ma voglio vedere come lo inserisci.
PS vedo che
(sarebbe stato neglio che ci arrivassi da solo)
0
voti
Grazie davvero a entrambi per le risposte e il tempo che mi state dedicando.
Preciso che l'esercizio è solo a scopo didattico...mi scuso per i termini errati, faccio da 2 mesi impianti industriali..
i finecorsa dovrebbero esser 2...uno su un estremo e sull'altro.
ora il contatto chiuso del finecorsa dovrebbe trovarsi, se non ricordo male dopo la bobina ovvero un finecorsa sotto kA, l'altro sotto ki?
Preciso che l'esercizio è solo a scopo didattico...mi scuso per i termini errati, faccio da 2 mesi impianti industriali..
i finecorsa dovrebbero esser 2...uno su un estremo e sull'altro.
ora il contatto chiuso del finecorsa dovrebbe trovarsi, se non ricordo male dopo la bobina ovvero un finecorsa sotto kA, l'altro sotto ki?
16 messaggi
• Pagina 1 di 2 • 1, 2
Torna a Impianti, sicurezza e quadristica
Chi c’è in linea
Visitano il forum: Nessuno e 49 ospiti

Elettrotecnica e non solo (admin)
Un gatto tra gli elettroni (IsidoroKZ)
Esperienza e simulazioni (g.schgor)
Moleskine di un idraulico (RenzoDF)
Il Blog di ElectroYou (webmaster)
Idee microcontrollate (TardoFreak)
PICcoli grandi PICMicro (Paolino)
Il blog elettrico di carloc (carloc)
DirtEYblooog (dirtydeeds)
Di tutto... un po' (jordan20)
AK47 (lillo)
Esperienze elettroniche (marco438)
Telecomunicazioni musicali (clavicordo)
Automazione ed Elettronica (gustavo)
Direttive per la sicurezza (ErnestoCappelletti)
EYnfo dall'Alaska (mir)
Apriamo il quadro! (attilio)
H7-25 (asdf)
Passione Elettrica (massimob)
Elettroni a spasso (guidob)
Bloguerra (guerra)






