.Dove
,
,
,
,
,
.(Unità di misura di tutte le resistenze è l'ohm)
,
, u=2,
,
.
,
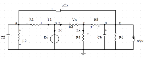
.Dove i rettangoli sono dei generatori pilotati (scusate ma non son riuscito a trovarli in fidocad
Nello specifico il generatore collegato tra i nodi AE è 1 generatore di tensione pilotato in corrente e quello in parallelo alla resistenza R6 è un generatore di corrente pilotato in tensione.
Essendo il circuito alimentato da 1 generatore di tensione in corrente continua ed essendoci condensatori, a regime devo considerarli come fossero dei circuiti aperti. Analizzo il circuito con il metodo delle sparse tableau (dopo vi posto i calcoli fatti).
Poi successivamente devo fare l'analisi per t=0 e quindi dato che la tensione in
non è nulla, ma ha un valore preciso, ho pensato di sostituire ogni condensatore con un generatore di tensione pari proprio al valore della tensione in
dei condensatori per poi risolvere tranquillamente la rete.E’ giusto? O devo fare altre considerazioni?

Elettrotecnica e non solo (admin)
Un gatto tra gli elettroni (IsidoroKZ)
Esperienza e simulazioni (g.schgor)
Moleskine di un idraulico (RenzoDF)
Il Blog di ElectroYou (webmaster)
Idee microcontrollate (TardoFreak)
PICcoli grandi PICMicro (Paolino)
Il blog elettrico di carloc (carloc)
DirtEYblooog (dirtydeeds)
Di tutto... un po' (jordan20)
AK47 (lillo)
Esperienze elettroniche (marco438)
Telecomunicazioni musicali (clavicordo)
Automazione ed Elettronica (gustavo)
Direttive per la sicurezza (ErnestoCappelletti)
EYnfo dall'Alaska (mir)
Apriamo il quadro! (attilio)
H7-25 (asdf)
Passione Elettrica (massimob)
Elettroni a spasso (guidob)
Bloguerra (guerra)





