Cos'è ElectroYou | Login Iscriviti

ElectroYou - la comunità dei professionisti del mondo elettrico

Come aumentare il guadagno di questo stadio mosfet?

Elettronica lineare e digitale: didattica ed applicazioni

Moderatori: Foto Utentecarloc, Foto Utenteg.schgor, Foto UtenteBrunoValente, Foto UtenteIsidoroKZ

0
voti

[1] Come aumentare il guadagno di questo stadio mosfet?

Messaggioda Foto Utenteauato » 10 mar 2014, 22:40

Ciao a tutti e ben ritrovati.
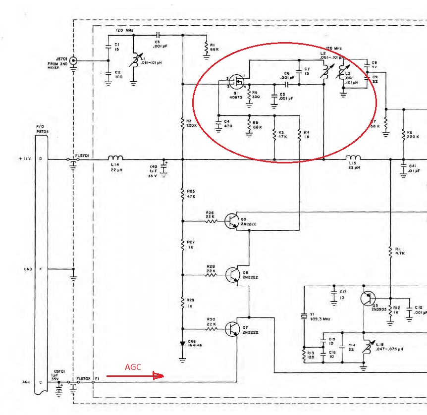
Vorrei fare una prova empirica apportando una modifica a questo stadio mosfet Q1 (cerchiato in rosso) per provare a "spingerlo un po' in più" aumentandone il guadagno, qualora fosse possibile farlo.

Si tratta di un sezione radio-ricevente di uno strumento un po' vetusto (IFR 1100S) ed in particolar modo è uno stadio preamplificatore di ingresso per la terza e quarta conversione in frequenza. Il mosfet, come anche gli altri stadi di amplificazione successivi, è pilotato da un segnale di AGC attraverso due transistor 2N2222 Q6 e Q7, come visibile dallo schema. Il segnale di ACG misurato è una tensione continua sempre stabile a 5V (forse potrebbe anche non funzionare a dovere il AGC ma al momento mi interessa fare questa prova empirica su Q1) e proviene da una seconda sezione che effettua la demodulazione e che riporto nella seconda immagine allegata.
Per chi volesse visionare tutto lo schema, può farlo qui http://www.repeater-builder.com/test-equipment/aeroflex/ifr1100/ifr1100a-ifr1100s-maint-manual.pdf e trovare questi schemi alle pagine 601 e 608.

Grazie a chiunque vorra aiutarmi.
Saluti O_/
Allegati
schem_1.JPG
schem_2.JPG
Avatar utente
Foto Utenteauato
61 5
Frequentatore
Frequentatore
 
Messaggi: 115
Iscritto il: 9 ott 2012, 9:17

0
voti

[2] Re: Come aumentare il guadagno di questo stadio mosfet?

Messaggioda Foto Utenteauato » 11 mar 2014, 9:50

ah... dimenticavo di aggiungere un particolare al post precedente che mi ha incuriosito: sul service manual viene specificato che quel mosfet è configurato come amplificatore "common drain" ed in effetti è palese che lo sia. Eppure io ricordo che questa configurazione è quella di "emitter follower"con guadagno unitario o equivalente ad un amplificatore di corrente infinito. Quindi, come è possibile che un segnale AGC possa modificarne il guadagno? mah...
Avatar utente
Foto Utenteauato
61 5
Frequentatore
Frequentatore
 
Messaggi: 115
Iscritto il: 9 ott 2012, 9:17

0
voti

[3] Re: Come aumentare il guadagno di questo stadio mosfet?

Messaggioda Foto Utenteobiuan » 11 mar 2014, 11:25

Ciao

Common drain? non mi pare proprio, sul drain c'è un impedenza di carico.

il 40673 è un dual gate MOS con il gate lato drain collegato ad un segnale stabile, quello lato source collegato al segnale di ingresso, che è la sua configurazione standard. La maglia di ACG è incompleta (dovresti ridisegnare il circuito con fidacad come da regolamento) ma in sostanza impone una tensione continua al gate di controllo. Dalle specifiche di un dual gate MOS (è un altro, ma tanto è il concetto che conta):

BF1105.png


Nel grafico a destra vedi come la Id dipende sia dalla Vgs1 che dalla Vgs2, e come la Vgs2 agisca in sostanza aumentando e diminuendo il guadagno totale. Se vuoi puoi immaginare il dual gate MOS come due resistenze in serie, una modulata da vgs1 e l'altra da vgs2. La variazione della R imposta dal segnale avrà tanto meno effetto sull'uscita quanto più alta sarà l'altra.

Per l'aumento del guadagno...l'unico punto in cui puoi agire è la maglia di AGC, ma non è detto che ci sia spazio. Hai qualche informazione sul segnale di controllo AGC? puoi fare delle misure?
_______________________________________________________
Gli oscillatori non oscillano mai, gli amplificatori invece sempre

Io HO i poteri della supermucca, e ne vado fiero!
Avatar utente
Foto Utenteobiuan
5.894 3 10 13
Master
Master
 
Messaggi: 980
Iscritto il: 23 set 2013, 23:45

0
voti

[4] Re: Come aumentare il guadagno di questo stadio mosfet?

Messaggioda Foto Utentegiorgio25760 » 11 mar 2014, 12:52

Io toglierei tutto il mosfet e varie e ci metterei un INA10386

Ciao
Giorgio
Avatar utente
Foto Utentegiorgio25760
2.310 1 3 5
G.Master EY
G.Master EY
 
Messaggi: 1700
Iscritto il: 6 dic 2009, 17:02
Località: Brescia

0
voti

[5] Re: Come aumentare il guadagno di questo stadio mosfet?

Messaggioda Foto Utenteauato » 11 mar 2014, 17:03

Grazie

@obiuan, qualche misura l'avevo fatta un po' di giorni fa, prima che combinassi un guaio bruciando il mosfet (ed ora devo aspettare i ricambi per tentare la riparazione). Comunque, avevo notato una tensione fissa a poco più di 5V sul controllo ACG. Questa tensione non variava minimamente, il che mi fece dubitare che il controllo ACG non funzionasse proprio. Provai, così, ad escluderlo ma il ricevitore non divenne ne' più sensibile, ne' più sordo... come se questo ACG a 5V non servisse a nulla.

@Giorgio, interessante la tua soluzione. Tu pensi che sia molto meglio dell'attuale configurazione con lo stadio mosfet preamp?
Avatar utente
Foto Utenteauato
61 5
Frequentatore
Frequentatore
 
Messaggi: 115
Iscritto il: 9 ott 2012, 9:17

0
voti

[6] Re: Come aumentare il guadagno di questo stadio mosfet?

Messaggioda Foto Utentegiorgio25760 » 11 mar 2014, 17:21

auato ha scritto:Tu pensi che sia molto meglio dell'attuale configurazione con lo stadio mosfet preamp?


Purtroppo non vi sono abbastanza dati per stabilire cosa vada meglio.

Io posso solo dirti che quel componente quadagna circa 26 db.
Non so quanto guadagni lo stadio a mosfet.

Bisognerebbe vedere la figura di rumore....

Ciao
Giorgio
Avatar utente
Foto Utentegiorgio25760
2.310 1 3 5
G.Master EY
G.Master EY
 
Messaggi: 1700
Iscritto il: 6 dic 2009, 17:02
Località: Brescia


Torna a Elettronica generale

Chi c’è in linea

Visitano il forum: Nessuno e 53 ospiti