Cos'è ElectroYou | Login Iscriviti

ElectroYou - la comunità dei professionisti del mondo elettrico

Regolazione in PWM per motori passo-passo

Elettronica lineare e digitale: didattica ed applicazioni

Moderatori: Foto Utentecarloc, Foto Utenteg.schgor, Foto UtenteBrunoValente, Foto UtenteIsidoroKZ

2
voti

[1] Regolazione in PWM per motori passo-passo

Messaggioda Foto UtenteTardoFreak » 29 mar 2014, 23:09

Un saluto a tutti i partecipanti,
Fra non molto dovrò realizzare un prodotto che fa uso di motori stepper. Il problema sta nel fatto che mi potranno capitare diversi tipi di motori stepper con diverse tensioni e correnti.
Il driver lo realizzerò con componenti discreti perché uso gia mosfet N e P che compro a bobine. Per me è più conveniente spendere del tempo e spazio sul PCB per farci stare i discreti piuttosto che approvvigionarmi di altri componenti. I quattro (anzi 8) gates dei mosfet saranno pilotati da un micro.
Fin qui tutto bene.

Come si vede dal circuito ho pensato di inserire un mosfet per regolare la tensione in PWM. Questo perché il micro mi potrebbe generare il segnale di pilotaggio gratuitamente e ad una frequenza elevata(quasi) a piacere. Eviterei così (entro certi limiti) un regolatore di tensione per ogni tipo di stepper che mi sarà passato dal cliente.
So benissimo che potrei inserire il PWM direttamente nel pilotaggio dei mosfet ma vorrei evitalo.

Pensate che questa soluzione potrebbe funzionare :?:
"La follia sta nel fare sempre la stessa cosa aspettandosi risultati diversi".
"Parla soltanto quando sei sicuro che quello che dirai è più bello del silenzio".
Rispondere è cortesia, ma lasciare l'ultima parola ai cretini è arte.
Avatar utente
Foto UtenteTardoFreak
73,9k 8 12 13
-EY Legend-
-EY Legend-
 
Messaggi: 15754
Iscritto il: 16 dic 2009, 11:10
Località: Torino - 3° pianeta del Sistema Solare

0
voti

[2] Re: Regolazione in PWM per motori passo-passo

Messaggioda Foto Utentestefanob70 » 29 mar 2014, 23:47

Ciao tardofreak ma il motore che intendi utilizzare e' bipolare?
perché la configurazione a ponte generalmente e' utilizzata per questi motori..
ƎlectroYou
Avatar utente
Foto Utentestefanob70
14,1k 5 11 13
Master EY
Master EY
 
Messaggi: 3190
Iscritto il: 14 lug 2012, 13:14
Località: Roma

0
voti

[3] Re: Regolazione in PWM per motori passo-passo

Messaggioda Foto UtenteTardoFreak » 29 mar 2014, 23:47

Si sono bipolari e, nel caso non lo fossero ... li userei come tali. :mrgreen:
"La follia sta nel fare sempre la stessa cosa aspettandosi risultati diversi".
"Parla soltanto quando sei sicuro che quello che dirai è più bello del silenzio".
Rispondere è cortesia, ma lasciare l'ultima parola ai cretini è arte.
Avatar utente
Foto UtenteTardoFreak
73,9k 8 12 13
-EY Legend-
-EY Legend-
 
Messaggi: 15754
Iscritto il: 16 dic 2009, 11:10
Località: Torino - 3° pianeta del Sistema Solare

0
voti

[4] Re: Regolazione in PWM per motori passo-passo

Messaggioda Foto UtenteDirtyDeeds » 29 mar 2014, 23:50

Ma perché aggiungere un mosfet apposta per il PWM quando ne hai già altri quattro che possono essere pilotati come ti pare? :-M
It's a sin to write sin instead of \sin (Anonimo).
...'cos you know that cos ain't \cos, right?
You won't get a sexy tan if you write tan in lieu of \tan.
Take a log for a fireplace, but don't take log for \logarithm.
Avatar utente
Foto UtenteDirtyDeeds
55,9k 7 11 13
G.Master EY
G.Master EY
 
Messaggi: 7012
Iscritto il: 13 apr 2010, 16:13
Località: Somewhere in nowhere

0
voti

[5] Re: Regolazione in PWM per motori passo-passo

Messaggioda Foto UtenteDarwinNE » 29 mar 2014, 23:55

Quoto Foto UtenteDirtyDeeds. Oltre a ciò, credo che i pmos siano messi al contrario...
Follow me on Mastodon: @davbucci@mastodon.sdf.org
Avatar utente
Foto UtenteDarwinNE
31,0k 7 11 13
G.Master EY
G.Master EY
 
Messaggi: 4420
Iscritto il: 18 apr 2010, 9:32
Località: Grenoble - France

1
voti

[6] Re: Regolazione in PWM per motori passo-passo

Messaggioda Foto UtenteTardoFreak » 29 mar 2014, 23:55

Perché il mosfet mi costa 10 centesimi, un timer con l' uscita PWM mi costa 4 linee di programma ed io non mi devo incasinare infilandoci il PWM negli azionamenti.
Faccio andare il PWM a 100 kHz ed ho risolto tutto con una risoluzione di 16 bit.
"La follia sta nel fare sempre la stessa cosa aspettandosi risultati diversi".
"Parla soltanto quando sei sicuro che quello che dirai è più bello del silenzio".
Rispondere è cortesia, ma lasciare l'ultima parola ai cretini è arte.
Avatar utente
Foto UtenteTardoFreak
73,9k 8 12 13
-EY Legend-
-EY Legend-
 
Messaggi: 15754
Iscritto il: 16 dic 2009, 11:10
Località: Torino - 3° pianeta del Sistema Solare

0
voti

[7] Re: Regolazione in PWM per motori passo-passo

Messaggioda Foto UtenteTardoFreak » 29 mar 2014, 23:58

Si, sono al contrario.
Provvedo a correggere
"La follia sta nel fare sempre la stessa cosa aspettandosi risultati diversi".
"Parla soltanto quando sei sicuro che quello che dirai è più bello del silenzio".
Rispondere è cortesia, ma lasciare l'ultima parola ai cretini è arte.
Avatar utente
Foto UtenteTardoFreak
73,9k 8 12 13
-EY Legend-
-EY Legend-
 
Messaggi: 15754
Iscritto il: 16 dic 2009, 11:10
Località: Torino - 3° pianeta del Sistema Solare

0
voti

[8] Re: Regolazione in PWM per motori passo-passo

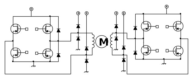
Messaggioda Foto Utentestefanob70 » 30 mar 2014, 0:02

Per pilotare i motori stepper bipolari potresti utilizzare questa configurazione:



senza diodi:


Qui trovi anche un progetto bello pronto con tanto di firmware:
Sito
ƎlectroYou
Avatar utente
Foto Utentestefanob70
14,1k 5 11 13
Master EY
Master EY
 
Messaggi: 3190
Iscritto il: 14 lug 2012, 13:14
Località: Roma

0
voti

[9] Re: Regolazione in PWM per motori passo-passo

Messaggioda Foto UtenteDirtyDeeds » 30 mar 2014, 10:06

TardoFreak ha scritto:Perché il mosfet mi costa 10 centesimi


Più il driver....

TardoFreak ha scritto:Faccio andare il PWM a 100 kHz ed ho risolto tutto con una risoluzione di 16 bit.


Quali sono le possibili tensioni di lavoro dei motori? Quant'è la massima frequenza di rotazione richiesta?
It's a sin to write sin instead of \sin (Anonimo).
...'cos you know that cos ain't \cos, right?
You won't get a sexy tan if you write tan in lieu of \tan.
Take a log for a fireplace, but don't take log for \logarithm.
Avatar utente
Foto UtenteDirtyDeeds
55,9k 7 11 13
G.Master EY
G.Master EY
 
Messaggi: 7012
Iscritto il: 13 apr 2010, 16:13
Località: Somewhere in nowhere

0
voti

[10] Re: Regolazione in PWM per motori passo-passo

Messaggioda Foto UtenteTardoFreak » 30 mar 2014, 12:50

Abbiamo previsto l' utilizzo di diversi alimentatori a seconda del motore.
L' idea era quella di utilizzare, ad esempio, un alimentatore da 5V per i motori che funzionano da 2 a 5V (che sono la maggior parte) ed uno altro da 12V per il range da 5 a 12.
Al massimo dovranno fare 1000 step al secondo, esagerando.
"La follia sta nel fare sempre la stessa cosa aspettandosi risultati diversi".
"Parla soltanto quando sei sicuro che quello che dirai è più bello del silenzio".
Rispondere è cortesia, ma lasciare l'ultima parola ai cretini è arte.
Avatar utente
Foto UtenteTardoFreak
73,9k 8 12 13
-EY Legend-
-EY Legend-
 
Messaggi: 15754
Iscritto il: 16 dic 2009, 11:10
Località: Torino - 3° pianeta del Sistema Solare

Prossimo

Torna a Elettronica generale

Chi c’è in linea

Visitano il forum: Nessuno e 39 ospiti