eccomi con un altro dubbio riguardo un circuito di cui devo trovare l'equivalente di Thevenin.
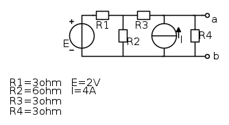
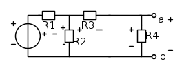
Questo è il circuito:
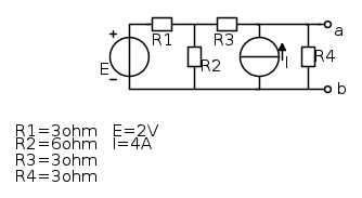
Quando vado a considerare la resistenza di Thevenin devo passivare il circuito.
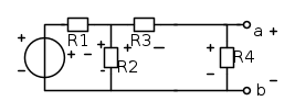
Andando a passivare il circuito mi ritrovo:
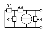
Svolgendo le equivalenze ottengo:




Ora per calcolare Vab applico il principio di sovrapposizione al circuito passivando per primo il generatore di corrente indipendente:
Abbiamo:

dove:




Quindi:

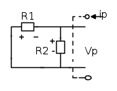
Ora passivo il generatore di tensione e ottengo:

Applico le equivalenze gia fatte in precedenza e ottengo:


Partitore di corrente:


Infine:

E' giusto tale svolgimento?
Penso di aver fatto troppi passaggi inutili che hanno delungato il mio esercizio.
Credo di poter contare sui vostri giudizi o chiarimenti.
Grazie in anticipo.

Elettrotecnica e non solo (admin)
Un gatto tra gli elettroni (IsidoroKZ)
Esperienza e simulazioni (g.schgor)
Moleskine di un idraulico (RenzoDF)
Il Blog di ElectroYou (webmaster)
Idee microcontrollate (TardoFreak)
PICcoli grandi PICMicro (Paolino)
Il blog elettrico di carloc (carloc)
DirtEYblooog (dirtydeeds)
Di tutto... un po' (jordan20)
AK47 (lillo)
Esperienze elettroniche (marco438)
Telecomunicazioni musicali (clavicordo)
Automazione ed Elettronica (gustavo)
Direttive per la sicurezza (ErnestoCappelletti)
EYnfo dall'Alaska (mir)
Apriamo il quadro! (attilio)
H7-25 (asdf)
Passione Elettrica (massimob)
Elettroni a spasso (guidob)
Bloguerra (guerra)






![R_{eq} = [(R1//R2)+R3]//R4 R_{eq} = [(R1//R2)+R3]//R4](/forum/latexrender/pictures/1115482c2b2039b20fee55a31ba4c5c6.png)
lectroYou








) allora sono in parallelo.Se invede due resistori hanno la stessa corrente (
) allora sono in serie.



