Ciao a tutti,
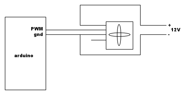
uso una ventola nuova da PC da controllare con arduino mediante PWM.
perché con PWM = 0 la ventola continua a girare al minimo?
ho provato a mettere il filo, che porta il PWM alla ventola, a massa, ma continua girare o stesso.
dove sto sbagliando?
Ventola con PWM
Moderatori:
carloc,
g.schgor,
BrunoValente,
IsidoroKZ
25 messaggi
• Pagina 1 di 3 • 1, 2, 3
0
voti
carmen976 ha scritto:
No, evidentemente non hai capito.
O disegni lo schema con fidocad oppure non riceverai aiuto.
http://www.electroyou.it/darwinne/wiki/fidocadj-e-electroyou
-

Giovepluvio
5.978 3 6 10 - G.Master EY

- Messaggi: 2947
- Iscritto il: 21 dic 2010, 1:10
- Località: Mantova
0
voti
[10] Re: ventola con PWM
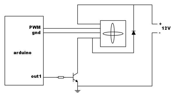
credo convenga:
tenere acceso il BJT quando PWM >0;
spegnere l'alimentazione con un BJT quando PWM deve essere =0.
Mi date conferma?
Che diodo scegliere, che BJT che resistenza?
tenere acceso il BJT quando PWM >0;
spegnere l'alimentazione con un BJT quando PWM deve essere =0.
Mi date conferma?
Che diodo scegliere, che BJT che resistenza?
25 messaggi
• Pagina 1 di 3 • 1, 2, 3
Chi c’è in linea
Visitano il forum: Nessuno e 148 ospiti

Elettrotecnica e non solo (admin)
Un gatto tra gli elettroni (IsidoroKZ)
Esperienza e simulazioni (g.schgor)
Moleskine di un idraulico (RenzoDF)
Il Blog di ElectroYou (webmaster)
Idee microcontrollate (TardoFreak)
PICcoli grandi PICMicro (Paolino)
Il blog elettrico di carloc (carloc)
DirtEYblooog (dirtydeeds)
Di tutto... un po' (jordan20)
AK47 (lillo)
Esperienze elettroniche (marco438)
Telecomunicazioni musicali (clavicordo)
Automazione ed Elettronica (gustavo)
Direttive per la sicurezza (ErnestoCappelletti)
EYnfo dall'Alaska (mir)
Apriamo il quadro! (attilio)
H7-25 (asdf)
Passione Elettrica (massimob)
Elettroni a spasso (guidob)
Bloguerra (guerra)




