Salve a tutti.
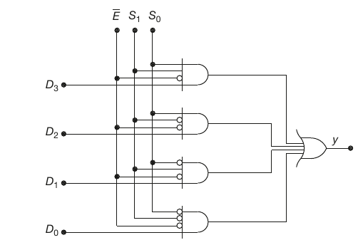
Mi sono imbattuta nel circuito logico che indico in allegato e non riesco a capire di che porte si tratta. Le quattro porte con i pallini riportati immediatamente prima degli ingressi (e quelli sono porte NOT e lo so) sono "normali" porte AND? E, quella immediatamente prima dell'uscita, è una "normale" porta OR?
Ho fatto una ricerca in rete ma non sono riuscita a trovar nulla.
Grazie a chi vorrà delucidarmi.
Simboli porte logiche
Moderatori:
carloc,
g.schgor,
BrunoValente,
IsidoroKZ
6 messaggi
• Pagina 1 di 1
0
voti
Ciao.
Se possono essere utili:
http://www.google.it/url?sa=t&rct=j&q=& ... 7613,d.Yms
http://it.wikipedia.org/wiki/Porta_logica
Se possono essere utili:
http://www.google.it/url?sa=t&rct=j&q=& ... 7613,d.Yms
http://it.wikipedia.org/wiki/Porta_logica
0
voti
Quindi sono normali porte AND e OR. Non capisco, però, perché la simbologia grafica viene alterata.
Comunque, grazie a tutti per le tempestive risposte.

Comunque, grazie a tutti per le tempestive risposte.
1
voti
danseuse ha scritto:... Non capisco, però, perché la simbologia grafica viene alterata.
Non viene alterata, viene solo "estesa", replicando solo la linea di base, per non essere costretti ad usare un simbolo esageratamente grande e sproporzionato rispetto ai restanti, ovvero si "allarga" la base per permettere il collegamento di un numero più elevato ingressi
ad ogni modo, per il multiplexer da te postato, questo allargamento poteva essere tranquillamente evitato, visto l'esiguo numero di connessioni, sia per le porte AND sia per la OR.
"Il circuito ha sempre ragione" (Luigi Malesani)
0
voti
Oh, finalmente una spiegazione che si capisce e che cerca di dare senso.
Grazie Renzo.
P.S.: ma la scuola e i manuali scolastici, non potrebbero essere maggiormente popolati da persone come te?
Grazie Renzo.
P.S.: ma la scuola e i manuali scolastici, non potrebbero essere maggiormente popolati da persone come te?
6 messaggi
• Pagina 1 di 1
Chi c’è in linea
Visitano il forum: Nessuno e 50 ospiti

Elettrotecnica e non solo (admin)
Un gatto tra gli elettroni (IsidoroKZ)
Esperienza e simulazioni (g.schgor)
Moleskine di un idraulico (RenzoDF)
Il Blog di ElectroYou (webmaster)
Idee microcontrollate (TardoFreak)
PICcoli grandi PICMicro (Paolino)
Il blog elettrico di carloc (carloc)
DirtEYblooog (dirtydeeds)
Di tutto... un po' (jordan20)
AK47 (lillo)
Esperienze elettroniche (marco438)
Telecomunicazioni musicali (clavicordo)
Automazione ed Elettronica (gustavo)
Direttive per la sicurezza (ErnestoCappelletti)
EYnfo dall'Alaska (mir)
Apriamo il quadro! (attilio)
H7-25 (asdf)
Passione Elettrica (massimob)
Elettroni a spasso (guidob)
Bloguerra (guerra)




