Ciao, ho difficoltà nel determinare la resistenza d'ingresso di questo BJT:
Stacco il generatore Vin e la resistenza Rs e collego un generatore di tensione di valore arbitrario Vx su cui scorre una corrente Ix. A questo, non so come procedere, ovverosia intuitivamente sono portato a determinare quale percorso compie la corrente Ix prima di rientrare nel generatore dal terminale posto a massa.
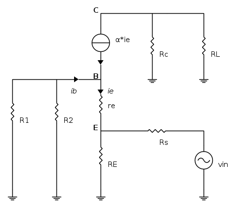
Pertanto io direi che la resistenza di ingresso é: [(R1//R2)+re]//RE.
Il problema è che non capisco se e perché il generatore controllato è ininfluente (???).
Inoltre non mi è chiaro se devo usare la regola della riflessione della resistenza, dato che su R1 ed R2 scorre Ib e non Ie.
Grazie.
Resistenza d'ingresso BJT
Moderatori:
carloc,
g.schgor,
BrunoValente,
IsidoroKZ
15 messaggi
• Pagina 1 di 2 • 1, 2
0
voti
Forse ho capito l'errore, nel modello AC del BJT a base comune la base è posta a massa, pertanto la resistenza di ingresso è re//RE 
0
voti
Intendi il fatto che la Base non è posta a massa? Se intendi quello ne sono consapevole, me ne sono accorto dopo.
0
voti
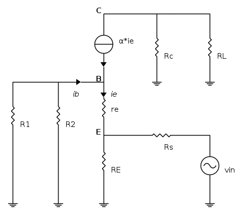
Disegna il circuito equivalente a tre terminali del BJT, ed etichetta i terminali B, C, E. Solo il circuitino equivalente, giusto per schiarirti le idee.
Poi confrontalo con il tuo schema. Osserva come hai collegato il circuito equivalente del BJT dentro il tuo schema.
Poi confrontalo con il tuo schema. Osserva come hai collegato il circuito equivalente del BJT dentro il tuo schema.
Se funziona quasi bene, è tutto sbagliato. A.Savatteri/M.Mazza
0
voti
Non ho capito. Forse sarebbe stato meglio utilizzare il modello a pigrego invece di quello a T, dato che abbiamo la base come terminale in comune, ma comunque anche quello a T dovrebbe essere corretto. Non capisco cosa cerchi di dirmi 
0
voti
Scusami, son dovuto andare a pranzare
Comunque ecco a te:
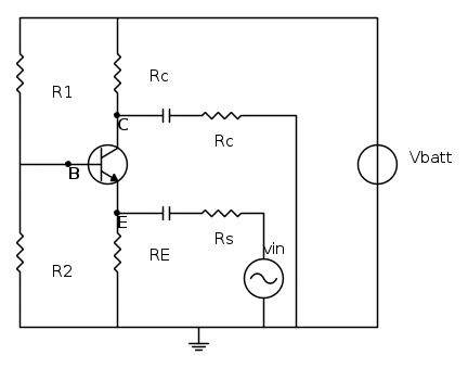
Questo invece è lo schema del circuito dell'esercizio d'esame:
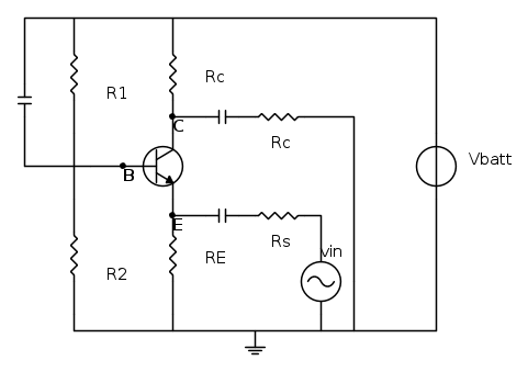
nel quale non è specificato ma suppongo sia sottintesa la presenza di un condensatore di bypass tra B e Vbatt che porti la Base a massa per il segnale. Cioè così:
Questo invece è lo schema del circuito dell'esercizio d'esame:
nel quale non è specificato ma suppongo sia sottintesa la presenza di un condensatore di bypass tra B e Vbatt che porti la Base a massa per il segnale. Cioè così:
15 messaggi
• Pagina 1 di 2 • 1, 2
Chi c’è in linea
Visitano il forum: Nessuno e 104 ospiti

Elettrotecnica e non solo (admin)
Un gatto tra gli elettroni (IsidoroKZ)
Esperienza e simulazioni (g.schgor)
Moleskine di un idraulico (RenzoDF)
Il Blog di ElectroYou (webmaster)
Idee microcontrollate (TardoFreak)
PICcoli grandi PICMicro (Paolino)
Il blog elettrico di carloc (carloc)
DirtEYblooog (dirtydeeds)
Di tutto... un po' (jordan20)
AK47 (lillo)
Esperienze elettroniche (marco438)
Telecomunicazioni musicali (clavicordo)
Automazione ed Elettronica (gustavo)
Direttive per la sicurezza (ErnestoCappelletti)
EYnfo dall'Alaska (mir)
Apriamo il quadro! (attilio)
H7-25 (asdf)
Passione Elettrica (massimob)
Elettroni a spasso (guidob)
Bloguerra (guerra)





