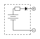
Ho comprato delle batterie primarie al Litio cloruro di tionile (hanno la fantastica proprietà di non congelarsi fino a -60°) e leggo nella descrizione che "Le batterie contengono resistenze interne e diodi anti carica". Quindi posso collegarle in parallelo senza mettere alcun circuito di protezione, per evitare che si scarichino a vicenda o, peggio ancora, esplodano?
Anche se non fosse necessario, mi sapreste indicare come dovrei fare tale circuito di protezione? Basta una resistenza di limitazione della corrente massima e un diodo per evitare correnti in entrata?
Grazie a tutti


Elettrotecnica e non solo (admin)
Un gatto tra gli elettroni (IsidoroKZ)
Esperienza e simulazioni (g.schgor)
Moleskine di un idraulico (RenzoDF)
Il Blog di ElectroYou (webmaster)
Idee microcontrollate (TardoFreak)
PICcoli grandi PICMicro (Paolino)
Il blog elettrico di carloc (carloc)
DirtEYblooog (dirtydeeds)
Di tutto... un po' (jordan20)
AK47 (lillo)
Esperienze elettroniche (marco438)
Telecomunicazioni musicali (clavicordo)
Automazione ed Elettronica (gustavo)
Direttive per la sicurezza (ErnestoCappelletti)
EYnfo dall'Alaska (mir)
Apriamo il quadro! (attilio)
H7-25 (asdf)
Passione Elettrica (massimob)
Elettroni a spasso (guidob)
Bloguerra (guerra)

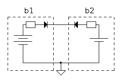
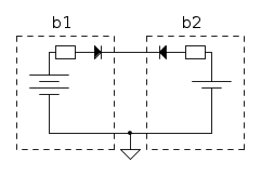
, si ha che la batteria
si scarica sulla batteria
(come mostrato nella rappresentazione). E ciò non è bello, e se non sbaglio può anche essere pericoloso.




