Sto seguendo un corso di circuiti elettronici che tratta di modelli dei BJT/MOS, e amplificatori retroazionati (con esempi a BJT/MOS).
Ispirato dal corso stesso ho cercato di progettare un modesto amplificatore audio da "un paio di Watt". Vi propongo il progetto e ne approfitto per chiedervi come mai fa schifo (e se fa davvero schifo oppure sono solamente ignorante, ma secondo me fa proprio schifo
Mi sono posto sei specifiche, rimanendo sul vago:
1) Banda dalla ventina di Hz alla ventina di kHz
2) Segnale in ingresso intorno al mV, sotto la decina di mV (per tenere in linearità lo stadio di ingresso).
3) Altoparlante da 8 Ohm (che possiedo)
4) Cercare di superare 1 W sull'altoparlante, rimanendo sotto i 5 W massimi dell'altoparlante che possiedo.
5) Supponendo che l'impedenza d'uscita di uno smartphone sia minore di 10 Ohm (per alimentare le cuffie?) la prendo come impedenza della sorgente in ingresso. Ho pensato ad uno smartphone perché volevo provare il circuito col mio. All'oscilloscopio ho visto che a volume massimo escono circa 3-400 mV dal jack delle cuffie del mio smartphone, pensavo poi di ridurli con un partitore (o alla peggio attenuarli con un paio di operazionali) per usarlo come sorgente.
6) Classe A. Non possiedo dei PNP di potenza.
Ho deliberatamente scelto di usare solo dei BJT, senza impiegare operazionali, per esercitarmi e per provare.
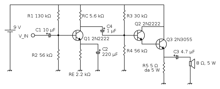
Nell'armadio ho tutti i componenti per montarlo (ecco perché uso un 2N3055, ad esempio). Non l'ho ancora montato, ci ho lavorato in questi due giorni nelle pause dallo studio.
Scusate se ho usato il simbolo della massa anzichè quello del riferimento, non l'ho trovato nella libreria standard.
Diagramma di Bode (in nero: puntale sul collettore di Q1, in rosso: puntale su R5)
Tensioni, simulando in ingresso un'onda sinusoidale a 10 kHz di ampiezza 2 mV
(in nero: puntale sul collettore di Q1, in rosso: puntale su R5)
Tensione e corrente sull'altoparlante, simulando in ingresso un'onda sinusoidale a 10 kHz di ampiezza 2 mV
(scala della corrente a destra).
Cos'ho pensato mentre buttavo giù il progetto (quando parlo di beta mi riferisco ad hfe):
Sono partito col polarizzare Q1; è uno stadio a emettitore comune. Circa il 20% di Val su RE per stabilizzare il guadagno (retroazionando), C2 messo lì per alzare il guadagno in banda, con un valore di 220 uF ottenuto in un paio di tentativi al simulatore (qualche calcolo prima me l'ero fatto). I ~42 dB di guadagno sono più o meno quanto mi aspettavo e V_CE va da un minimo di circa -2.8 V a più di 4 V. L'impedenza di ingresso, a spanne, dovrebbe essere sufficientemente alta (mi spingerei a dire parecchio più alta del minimo sindacale), avendo in parallelo R1, R2 e qualcosa sul kohm moltiplicato per il beta del transistor.
Il valore di C1 l'ho scelto al simulatore per tentativi.
Fin qui più o meno sono "sicuro" (prendetemi con le pinze), ora inizia il mal di denti
L'idea alla base del secondo stadio è la seguente: voglio uno stadio a collettore comune, che guadagni poco meno di 1 in tensione e molto in corrente, aumentando così la potenza in uscita da tutta la baracca. Al contempo il collettore comune dovrebbe abbassare di molto l'impedenza d'uscita, avendo R5 in parallelo a (valori sul kohm divisi per il beta dello stadio). Comunque R5 è già piccolissima, 5 Ohm, la speranza è che l'impedenza d'uscita sia dell'ordine dell'Ohm, confrontabile con l'altoparlante da 8 Ohm.
Il 2N3055 dovrebbe sopravvivere a mostruose correnti in uscita (decine di A, dissipando il calore con un bel dissipatore). Però ha un beta molto basso, e se non erro il guadagno in corrente di un collettore comune è circa pari a beta; per cui ci ho messo un 2N2222 andando a formare uno stadio Darlington, ottenendo un beta complessivo molto più alto. Al contempo ho variato R3 ed R4 per fornire circa 1.2 V alla "base equivalente" (2*Vbe) ed una tensione decente (circa 3 V) alla R5.
Ok, passo alle domande, sempre se qualcuno è sopravvissuto al casino soprastante.
1) Ho cercato un poco in rete, ma non ho trovato spiegazioni semplici: come piloto gli altoparlanti? Devono "vedere" piccole tensioni e grandi correnti? O viceversa?
2) C'è modo di aumentare la tensione del segnale, con l'obiettivo di aumentare la potenza sull'altoparlante? Pensavo di mettere un altro stadio a emettitore comune (tra i due stadi), ma ho paura di andare fuori linearità in un amen.
3) Immagino che lo stadio a collettore comune non sia granché, come lo fareste? Cambiereste anche quello a emettitore comune? La potenza in uscita mi sembra bassa
4) C3 dovrebbe formare un passa-basso. Chiedo siccome è attaccato direttamente all'altoparlante: c'è qualche regola particolare per cui lo si sceglie? Al di là di "voglio l'effetto di un polo alla frequenza x".
Ringrazio anticipatamente chiunque si prenda la briga di rispondere / abbia voglia di fare due chiacchiere.
Scrivo qui APPOSTA per beccarmi brutali critiche al progetto, sto cercando di imparare.

Elettrotecnica e non solo (admin)
Un gatto tra gli elettroni (IsidoroKZ)
Esperienza e simulazioni (g.schgor)
Moleskine di un idraulico (RenzoDF)
Il Blog di ElectroYou (webmaster)
Idee microcontrollate (TardoFreak)
PICcoli grandi PICMicro (Paolino)
Il blog elettrico di carloc (carloc)
DirtEYblooog (dirtydeeds)
Di tutto... un po' (jordan20)
AK47 (lillo)
Esperienze elettroniche (marco438)
Telecomunicazioni musicali (clavicordo)
Automazione ed Elettronica (gustavo)
Direttive per la sicurezza (ErnestoCappelletti)
EYnfo dall'Alaska (mir)
Apriamo il quadro! (attilio)
H7-25 (asdf)
Passione Elettrica (massimob)
Elettroni a spasso (guidob)
Bloguerra (guerra)












