Cos'è ElectroYou | Login Iscriviti

ElectroYou - la comunità dei professionisti del mondo elettrico

Circuito del II ordine

Circuiti, campi elettromagnetici e teoria delle linee di trasmissione e distribuzione dell’energia elettrica

Moderatori: Foto Utenteg.schgor, Foto UtenteIsidoroKZ

1
voti

[1] Circuito del II ordine

Messaggioda Foto UtenteAsimov » 27 mag 2014, 20:11

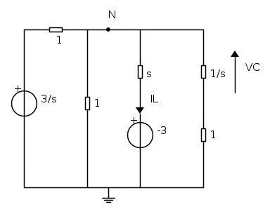
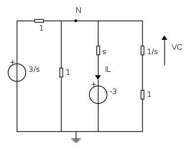
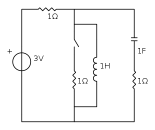
Buonasera, ho qualche piccola difficoltà con questo esercizio d'esame. La traccia dice:

L'interruttore rimane aperto per molto tempo quindi si chiude in t = 0. Ricavare v_C per t > 0.




Ciò che faccio in prima istanza è ricavare le condizioni iniziali dal circuito a regime in un intorno sinistro di t = 0. Mi vengon fuori v_C(0)=0V e i_L(0)=3A.

Passando alla rappresentazione del dominio di Laplace per t > 0, le caratteristiche dell'induttore e del condensatore sono:

V_C = \frac {1}{s} \cdot I_C

V_L = s \cdot I_L - 3


ed ottengo il seguente circuito:



Uso Millman per ottenere il potenziale al nodo N per poi, attraverso un partitore di tensione, ricavare V_C. Essendo però la somma delle correnti di corto circuito nulla, ottengo un potenziale al nodo N nullo e quindi una V_C nulla.

Poiché si tratta di un esercizio d'esame non credo possa essere questa la soluzione. Dovrei invece ottenre una funzione razionale fratta propria in s, da scomporre in fratti semplici e poi antitrasformare secondo Laplace.

Dove ho sbagliato? :?
Avatar utente
Foto UtenteAsimov
13 2
 
Messaggi: 28
Iscritto il: 19 mar 2014, 19:09

2
voti

[2] Re: Circuito del II ordine

Messaggioda Foto Utenteg.schgor » 28 mag 2014, 7:07

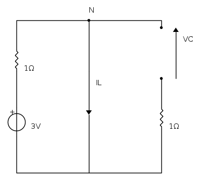
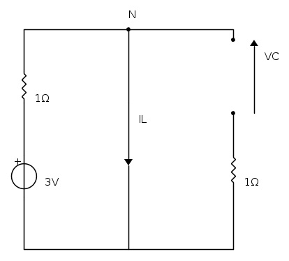
Ragioniamo intuitivamente:
alla chiusura dell'interruttore, l'induttore L
ha una condizione iniziale di 3A, dunque
questa si scaricherà sulle 3 resistenze
portando a 2V il potenziale di N.
Ovviamente questo transitoriamente.
poiché a regime tornerà a zero.
La simulazione (con Microcap) mostra
l'andamento del potenziale di N (traccia blu)
e del potenziale di C (traccia rossa)
Forum08a.GIF
Forum08a.GIF (3.98 KiB) Osservato 5437 volte

Lascio a te ricavare la soluzione con Laplace.
Avatar utente
Foto Utenteg.schgor
57,8k 9 12 13
G.Master EY
G.Master EY
 
Messaggi: 16971
Iscritto il: 25 ott 2005, 9:58
Località: MILANO

0
voti

[3] Re: Circuito del II ordine

Messaggioda Foto UtenteAsimov » 28 mag 2014, 10:04

Ciao, scusa ma non ti seguo.

Per ipotesi di continuità le grandezze in un intorno sinistro di t = 0 non dovrebbero essere uguali alle stesse in un intorno destro di t = 0?

Allora, in un intorno sinistro la situazione è questa:



essendo il circuito a regime, l'induttore è equivalente ad un c.c. pertanto su di esso scorre una corrente da 3A che si riversa sul ramo di sinistra e quindi il potenziale del nodo N è 0 V.

Quindi per ipotesi di continuità lo stesso vale in un intorno destro. Come fai ad ottenere 2 V?

Dove ho sbagliato?
Avatar utente
Foto UtenteAsimov
13 2
 
Messaggi: 28
Iscritto il: 19 mar 2014, 19:09

2
voti

[4] Re: Circuito del II ordine

Messaggioda Foto Utenteg.schgor » 28 mag 2014, 10:33

Come continuità?
Se chiudi l'interruttore, la corrente che passava tutta
nella resistenza in serie al generatore.si ripartisce
nelle 3 resistenze...
Avatar utente
Foto Utenteg.schgor
57,8k 9 12 13
G.Master EY
G.Master EY
 
Messaggi: 16971
Iscritto il: 25 ott 2005, 9:58
Località: MILANO

0
voti

[5] Re: Circuito del II ordine

Messaggioda Foto UtenteAsimov » 28 mag 2014, 10:58

Scusa, io sapevo che quando non sono presenti
- insiemi di taglio costituiti esclusivamente da induttori ed eventualmente generatori indipendenti di corrente
- maglie contenenti solo condensatori ed eventualmente generatori indipendenti di tensione
allora non viene violata l'ipotesi di continuità.

Ma anche se così non fosse, non capisco da cosa deduci che la corrente da 3 A si ripartisce equamente sulle tre resistenze. Ad esempio la resistenza a destra si trova in serie con un condensatore.

Inoltre dov'è l'errore nel procedimento che ho seguito nel primo post? L'ho riletto più e più volte e mi sembra corretto :cry:
Avatar utente
Foto UtenteAsimov
13 2
 
Messaggi: 28
Iscritto il: 19 mar 2014, 19:09

0
voti

[6] Re: Circuito del II ordine

Messaggioda Foto Utenteg.schgor » 28 mag 2014, 11:17

Secondo te, chiudendo l'interruttore< non cambia nulla?
Avatar utente
Foto Utenteg.schgor
57,8k 9 12 13
G.Master EY
G.Master EY
 
Messaggi: 16971
Iscritto il: 25 ott 2005, 9:58
Località: MILANO

0
voti

[7] Re: Circuito del II ordine

Messaggioda Foto UtenteAsimov » 28 mag 2014, 11:23

Secondo me cambia, ma non credo in maniera discontinua.

Comunque, siccome fra due settimane ho l'esame, potresti dirmi dove ho sbagliato?
Avatar utente
Foto UtenteAsimov
13 2
 
Messaggi: 28
Iscritto il: 19 mar 2014, 19:09

2
voti

[8] Re: Circuito del II ordine

Messaggioda Foto Utenteg.schgor » 28 mag 2014, 13:58

Ho riveduto la simulazione ed in effetti la chiusura del contatto
non provoca variazioni (aggiunge in parallelo una resistenza ad un cortocircuito).
(spiacente, avevo invertito il valore della condizione iniziale...)
Avatar utente
Foto Utenteg.schgor
57,8k 9 12 13
G.Master EY
G.Master EY
 
Messaggi: 16971
Iscritto il: 25 ott 2005, 9:58
Località: MILANO

2
voti

[9] Re: Circuito del II ordine

Messaggioda Foto Utentegill90 » 28 mag 2014, 14:32

Questo problema aveva incuriosito anche me effettivamente... Non mi tornava che la chiusura di quel contatto potesse creare una variazione così marcata, anche perché la corrente che scorre a regime nell'induttore non si accorge dell'introduzione di una resistenza in parallelo, che si ritrova una caduta di 0V e quindi è corretto che non venga attraversata da corrente. Magari è un quesito trabocchetto! Ci sono errori nello schema o è effettiamente così?
Avatar utente
Foto Utentegill90
4.146 3 7 12
G.Master EY
G.Master EY
 
Messaggi: 1134
Iscritto il: 1 set 2011, 16:18

0
voti

[10] Re: Circuito del II ordine

Messaggioda Foto UtenteAsimov » 28 mag 2014, 14:56

Lo schema è effettivamente questo, puoi vederlo qui (esercizio 2):

http://www.studentiunirc.it/contenuti/compito%20elettrotecnica.pdf

Comunque almeno ora sono più tranquillo, cominciavo a temere di essere impazzito :D

A proposito: il "metodo sistematico mediante la formulazione nello spazio degli stati" è fondamentalmente Laplace, giusto?
Avatar utente
Foto UtenteAsimov
13 2
 
Messaggi: 28
Iscritto il: 19 mar 2014, 19:09

Prossimo

Torna a Elettrotecnica generale

Chi c’è in linea

Visitano il forum: Nessuno e 50 ospiti