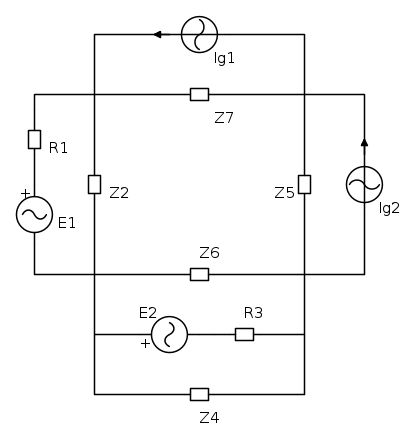
Calcolare la potenza attiva, reattiva, e apparente erogata dal generatore reale di tensione E1 R1.










Quale approccio adottereste voi?
Io credo che come prima cosa credo convenga ricavare l'equivalente di Thevenin della rete a valle del bipolo E1 R1, così il circuito perde una maglia e diviene più semplice da analizzare.
Il punto è che ciò che mi resta è compunque molto complesso da risolvere con il metodo delle maglie o quello dei potenziali ai nodi in un ora.
Ho provato ad applicare il principio di sovrapposizione degli effetti, ma dopo aver operato qualche riduzione serie o parallelo vengon fuori comunque numeri enormi.
Possibile che non esista un approccio rapido?

Elettrotecnica e non solo (admin)
Un gatto tra gli elettroni (IsidoroKZ)
Esperienza e simulazioni (g.schgor)
Moleskine di un idraulico (RenzoDF)
Il Blog di ElectroYou (webmaster)
Idee microcontrollate (TardoFreak)
PICcoli grandi PICMicro (Paolino)
Il blog elettrico di carloc (carloc)
DirtEYblooog (dirtydeeds)
Di tutto... un po' (jordan20)
AK47 (lillo)
Esperienze elettroniche (marco438)
Telecomunicazioni musicali (clavicordo)
Automazione ed Elettronica (gustavo)
Direttive per la sicurezza (ErnestoCappelletti)
EYnfo dall'Alaska (mir)
Apriamo il quadro! (attilio)
H7-25 (asdf)
Passione Elettrica (massimob)
Elettroni a spasso (guidob)
Bloguerra (guerra)




