Ciao a tutti,
ho provato a fare questo esercizio con i diodi ma la transcaratteristica (grafico Vo=f(Vi)) mi sembra alquanto strana.
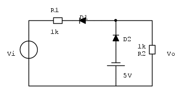
I diodi iniziano a condurre quando la tensione ai loro capi è 0,7 v.
L'ingresso Vi ha ampiezza che varia tra -25 V e +25 V
Per me:
quando Vi > 0.7 D1 si accende quindi Vo è pari alla caduta sul diodo cioè 0,7 V.
Quando Vi < -5,7 V D2 si accende per cui Vo è pari a -5,7 V.
Se -5,7 < Vi < 0,7 i rami che contengono D1 e D2 sono staccati quindi Vo è la tensione Vi ripartita sulla resistenza R2 quindi Vo = 1/3 Vi
Se dovessi tracciare una retta tra il punto (-5,7;-5,7) e (0,7;0,7) avrei una retta con pendenza 1 cosa che contrattice le ipotesi che ho fatto prima (cioè la pendenza è di 1/3)
Cosa sto sbagliando ?
Grazie !
Esercizio con diodi PN
Moderatori:
carloc,
g.schgor,
BrunoValente,
IsidoroKZ
10 messaggi
• Pagina 1 di 1
0
voti
Netfrog ha scritto:... quando Vi > 0.7 D1 si accende quindi Vo è pari alla caduta sul diodo cioè 0,7 V.
Direi che ti sei dimenticato qualcosa, non basta che Vi sia maggiore di 0.7V per far condurre D1.
Netfrog ha scritto:.....Quando Vi < -5,7 V D2 si accende per cui Vo è pari a -5,7 V.
... stesso discorso per questa soglia della Vi.
"Il circuito ha sempre ragione" (Luigi Malesani)
0
voti
Scusami ma non capisco dove vuoi arrivare, intendi che devo aggiungere anche la caduta di tensione sulla R1 ?
0
voti
Netfrog ha scritto:... intendi che devo aggiungere anche la caduta di tensione sulla R1 ?
Certo, la tensione ai capi dei due rami derivati contenenti D1 e D2, arriva alla soglia sempre nella proporzione imposta dal partitore resistivo ovvero, come hai osservato tu, quando arriviamo ai 0.7 volt ai capi dei due rami centrali, nel resistore destro sta circolando una corrente pari a 0.7/R2 che porterà ad avere una caduta di tensione 0.7*R1/R2 nel resistore R1 (supponendo la corrente in D1 inizialmente trascurabile); quando poi Vi supera detta soglia, la corrente in R2 rimane costante (a 0.7/R2) e va invece ad aumentare quella in D1 che risulterà pari a (Vi-0.7)/R1.
"Il circuito ha sempre ragione" (Luigi Malesani)
1
voti
Perfetto, quindi quando Vi è pari a 2,1 V la tensione Vo è 0,7 V.
Viceversa se Vi è pari a -17,1 la tensione Vo è -5.7 giusto ?
Tra -17,1 e 2,1 Vo=1/3 Vi come dicevo.
Grazie mille, ci ho perso un'ora oggi pomeriggio =(
Viceversa se Vi è pari a -17,1 la tensione Vo è -5.7 giusto ?
Tra -17,1 e 2,1 Vo=1/3 Vi come dicevo.
Grazie mille, ci ho perso un'ora oggi pomeriggio =(
1
voti
E se invece avessi un circuito del genere:
Se Vi meno la caduta sulla R1 è minore di -0,7 il diodo D1 entra in conduzione quindi Vo= Vi+0,7 dato che nella resistenza R1 non scorre corrente. Questa condizione si verifica se Vi < -1,4 V.
Se invece Vi meno la caduta su R1 è maggiore di -0,7 allora Vo=Vi
Se inceve Vi è minore della caduta sulla R1 e della tensione che c'è nel ramo di D2 e della batteria da 5V la Vo è -5,7 V. Condizione che si verifica per Vi < -12,8 V
Spero che sia giusto, nel caso correggimi =)
Con questo ho risolto tutti i miei dubbi
Se Vi meno la caduta sulla R1 è minore di -0,7 il diodo D1 entra in conduzione quindi Vo= Vi+0,7 dato che nella resistenza R1 non scorre corrente. Questa condizione si verifica se Vi < -1,4 V.
Se invece Vi meno la caduta su R1 è maggiore di -0,7 allora Vo=Vi
Se inceve Vi è minore della caduta sulla R1 e della tensione che c'è nel ramo di D2 e della batteria da 5V la Vo è -5,7 V. Condizione che si verifica per Vi < -12,8 V
Spero che sia giusto, nel caso correggimi =)
Con questo ho risolto tutti i miei dubbi
Ultima modifica di
Netfrog il 5 giu 2014, 20:15, modificato 1 volta in totale.
0
voti
Non riesco ben a capire la tua analisi; io direi che se Vi > 0 allora D1 è interdetto e abbiamo Vo=0, se invece Vi < -0.7 volt allora D1 è conduttivo e avremo una Vo=(Vi+0.7)/2, per il rapporto di partizione fra R1 e R2 di pari valore.
Quando detta Vo arriva poi a superare (in valore assoluto) la tensione di innesco del ramo centrale, ovvero Vo < -5.7 volt, (e di conseguenza Vi < -12.1 volt), allora avremo la saturazione su detto valore.
Quando detta Vo arriva poi a superare (in valore assoluto) la tensione di innesco del ramo centrale, ovvero Vo < -5.7 volt, (e di conseguenza Vi < -12.1 volt), allora avremo la saturazione su detto valore.
"Il circuito ha sempre ragione" (Luigi Malesani)
1
voti
Se avessi avuto te come professore credo che avrei capito i diodi molto meglio !
Credo che ti sia dimenticato che se la Vi è tra -0.7 e 0 V la tensione Vo è comunque 0 V per il resto ho capito perfettamente.
Grazie mille
Buona serata
Credo che ti sia dimenticato che se la Vi è tra -0.7 e 0 V la tensione Vo è comunque 0 V per il resto ho capito perfettamente.
Grazie mille
Buona serata
0
voti
Netfrog ha scritto:Credo che ti sia dimenticato che se la Vi è tra -0.7 e 0 V la tensione Vo è comunque 0 V
Mi sembra di averlo detto, anche se solo implicitamente.
Prego,
Saluti
"Il circuito ha sempre ragione" (Luigi Malesani)
10 messaggi
• Pagina 1 di 1
Chi c’è in linea
Visitano il forum: Nessuno e 50 ospiti

Elettrotecnica e non solo (admin)
Un gatto tra gli elettroni (IsidoroKZ)
Esperienza e simulazioni (g.schgor)
Moleskine di un idraulico (RenzoDF)
Il Blog di ElectroYou (webmaster)
Idee microcontrollate (TardoFreak)
PICcoli grandi PICMicro (Paolino)
Il blog elettrico di carloc (carloc)
DirtEYblooog (dirtydeeds)
Di tutto... un po' (jordan20)
AK47 (lillo)
Esperienze elettroniche (marco438)
Telecomunicazioni musicali (clavicordo)
Automazione ed Elettronica (gustavo)
Direttive per la sicurezza (ErnestoCappelletti)
EYnfo dall'Alaska (mir)
Apriamo il quadro! (attilio)
H7-25 (asdf)
Passione Elettrica (massimob)
Elettroni a spasso (guidob)
Bloguerra (guerra)



