salve a tutti, dovendo cambiare casa mi trovo con la necessità di "rimontare" la mia camera e di cambiare strumentazione PC, casse, cuffie amplificatore ecc. allora volevo "divertirmi" nel migliorare e implementare qualcosa di mio nella mia camera.
volevo creare appunto uno switch audio che potesse, tramite microcontrollore, farmi cambiare sia l'entrata audio (che può provenire dal PC o dalla tv) sia l'usita dell'audio (che potrà essere cuffie o casse).
ho familiarità con i micro e non ho problemi a programmarli ma il mio problema sta sul come switchare l'audio fra varie entrate ed uscite.
Meglio relè doppio scambio che come interruttori cambiano il percorso del segnale o magari (forse la dico grossa) una cosa tipo uno stadio a transistor a guadagno unitario (quindi che non cambia il segnale) che posso "accendere e spegnere" polarizzando la base del transistor? scusate l'imprecisione nel linguaggio, spero di aver reso il concetto =) fatemi sapere che ne pensate se volete posso buttare giù uno schemino di come l'avevo pensato io a relè
switch audio
Moderatori:
carloc,
g.schgor,
BrunoValente,
IsidoroKZ
8 messaggi
• Pagina 1 di 1
0
voti
[2] Re: switch audio
non mi vogliate male per questo schema terribile che ho fatto, non ha la pretesa di essere un circuito, diciamo che è uno schema a blocchi per meglio spiegare quello che intendevo a parole con l'applicazione a relè
0
voti
[5] Re: switch audio
dadduni ha scritto:... ma il mio problema sta sul come switchare l'audio fra varie entrate ed uscite...
beh anche con l'italiano non sei messo benissimo...
a parte gli scherzi, quello che hai postato che non vuole essere un circuito ma uno schema a blocchi in realtà è un circuito, ed è pure giusto :) devi solo scegliere il relè e il transistor e poi dimensionare la resistenza in base.
_______________________________________________________
Gli oscillatori non oscillano mai, gli amplificatori invece sempre
Io HO i poteri della supermucca, e ne vado fiero!
Gli oscillatori non oscillano mai, gli amplificatori invece sempre
Io HO i poteri della supermucca, e ne vado fiero!
0
voti
[6] Re: switch audio
hahahha è bello sapere che è guisto =) più che altro mi chiedevo se fosse la soluzione più efficace.
il relè presenta un carico induttivo e io ne dovrei montare 2 per ogni canale (stereo) se ho 3 canali in entrata e due in uscita avrei un numero considerevole di relè che a parte il rumore (proprio fisico dello scatto) mi danno quasi sicuramente di sturbi sull' amplificatore.
Ho visto altri metodi come un transistor con emettitore a massa che quando è in saturazione porta il segnale a massa e quindi lo scollega dall'uscita.
Quale metodo mi consigliate?
il relè presenta un carico induttivo e io ne dovrei montare 2 per ogni canale (stereo) se ho 3 canali in entrata e due in uscita avrei un numero considerevole di relè che a parte il rumore (proprio fisico dello scatto) mi danno quasi sicuramente di sturbi sull' amplificatore.
Ho visto altri metodi come un transistor con emettitore a massa che quando è in saturazione porta il segnale a massa e quindi lo scollega dall'uscita.
Quale metodo mi consigliate?
0
voti
[7] Re: switch audio
Il carico induttivo lo senti solo al momento della commutazione, poi le induttanze saturano e quello che resta è resistivo. E' possibile uno "stick" in commutazione ma poi niente più.
qualunque altra soluzione con interruttori allo stato solido, oltre ad essere decisamente più complessa, sarebbe peggio per l'iniezione di frequenze spurie da parte degli integrati. Se vuoi affrontare un progetto più complesso per imparare, allora può avere senso, se lo scopo è avere qualcosa che funziona bene, piazza i relè e vai tranquillo.
qualunque altra soluzione con interruttori allo stato solido, oltre ad essere decisamente più complessa, sarebbe peggio per l'iniezione di frequenze spurie da parte degli integrati. Se vuoi affrontare un progetto più complesso per imparare, allora può avere senso, se lo scopo è avere qualcosa che funziona bene, piazza i relè e vai tranquillo.
_______________________________________________________
Gli oscillatori non oscillano mai, gli amplificatori invece sempre
Io HO i poteri della supermucca, e ne vado fiero!
Gli oscillatori non oscillano mai, gli amplificatori invece sempre
Io HO i poteri della supermucca, e ne vado fiero!
0
voti
[8] Re: switch audio
ok grazie mille, sul pratico vada per i relè facili e funzionali.
invece se volessi approfondire il discrso dello stato solido per cultura personale ho visto alcuni schemi del genere.
dove il transistor funge da interruttore e porta a massa il segnale mettendolo su "mute".
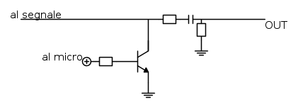
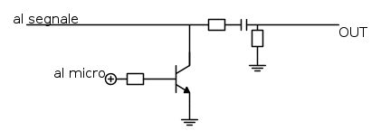
se invece operassi in questo modo? (obi ora mi hai insegnato questa configurazione e la voglio sfruttare
)
i resistori di base e di emettitore sono uguali cosi da avere un guadagno unitario e riprodurre "fedelmente" il segnale. se l'uscita del micro va bassa il transistor si interdice e non porta la corrente di polarizzazione al transisotr collegato all uscita audio che verrà messo su "mute".
RIpeto, la soluzione pratica al problema l'abbiamo già trovata ora sto solo buttando giù idee per imparare quindi si accettano idee, commeti critiche ecc =) grazie mille a tutti =)
invece se volessi approfondire il discrso dello stato solido per cultura personale ho visto alcuni schemi del genere.
dove il transistor funge da interruttore e porta a massa il segnale mettendolo su "mute".
se invece operassi in questo modo? (obi ora mi hai insegnato questa configurazione e la voglio sfruttare
i resistori di base e di emettitore sono uguali cosi da avere un guadagno unitario e riprodurre "fedelmente" il segnale. se l'uscita del micro va bassa il transistor si interdice e non porta la corrente di polarizzazione al transisotr collegato all uscita audio che verrà messo su "mute".
RIpeto, la soluzione pratica al problema l'abbiamo già trovata ora sto solo buttando giù idee per imparare quindi si accettano idee, commeti critiche ecc =) grazie mille a tutti =)
8 messaggi
• Pagina 1 di 1
Chi c’è in linea
Visitano il forum: Google [Bot] e 280 ospiti

Elettrotecnica e non solo (admin)
Un gatto tra gli elettroni (IsidoroKZ)
Esperienza e simulazioni (g.schgor)
Moleskine di un idraulico (RenzoDF)
Il Blog di ElectroYou (webmaster)
Idee microcontrollate (TardoFreak)
PICcoli grandi PICMicro (Paolino)
Il blog elettrico di carloc (carloc)
DirtEYblooog (dirtydeeds)
Di tutto... un po' (jordan20)
AK47 (lillo)
Esperienze elettroniche (marco438)
Telecomunicazioni musicali (clavicordo)
Automazione ed Elettronica (gustavo)
Direttive per la sicurezza (ErnestoCappelletti)
EYnfo dall'Alaska (mir)
Apriamo il quadro! (attilio)
H7-25 (asdf)
Passione Elettrica (massimob)
Elettroni a spasso (guidob)
Bloguerra (guerra)









