Salve,
ho bisogno di stabilire il numero delle relazioni necessarie per risolvere i seguenti circuiti con il metodo di Kirchhoff (o delle correnti di ramo), e per fare questo devo stabilire quanti nodi ci sono:
EX1)
EX2)
Potete scommettere che il numero dei nodi che ho trovato, secondo la definizione, è ben maggiore di quello giusto... Chi mi aiuta indicandomi quali punti sono un nodo nei circuiti 1 e 2? perché applicare la definizione- "si ha un nodo nel punto in cui confluiscono 3 o più rami"- non è sufficiente? Chi mi sa suggerire, quindi, la definizione più completa e corretta di nodo? Inoltre, ma solo per i più preparati, quale formula si può usare per stabilire quanto deve essere il numero delle relazioni necessarie e sufficienti per risolvere il problema con il metodo sopra citato? Grazie!!!!!!
Sui nodi
Moderatori:
g.schgor,
IsidoroKZ
17 messaggi
• Pagina 1 di 2 • 1, 2
0
voti
[3] Re: Sui nodi
abj79 ha scritto:perché applicare la definizione- "si ha un nodo nel punto in cui confluiscono 3 o più rami"- non è sufficiente?
Perche' non ti convince cio'?
O forse mi sono assentato troppo a lungo e nel frattempo le regole dell'elettrotecnica sono cambiate?
Se funziona quasi bene, è tutto sbagliato. A.Savatteri/M.Mazza
0
voti
[4] Re: Sui nodi
Grazie! Purtroppo sto affrontando l'esame di elettrotecnica con un libro di testo (imposto) pietoso, in cui non esiste nemmeno un cenno alla topologia dei circuiti, e mi rendo conto di avere dei dubbi su concetti che molti considereranno invece elementari. Grazie di nuovo! 

0
voti
[5] Re: Sui nodi
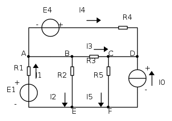
Un ramo e' un "qualcosa" costituito da un nodo di ingresso e un nodo di uscita. Immaginalo come una scatola nera contenente al suo interno uno o piu' componenti, attivi o passivi che siano. Un bipolo.
Nel caso del tuo Ex.2, il collegamento tra tra i nodi A e B non e' un ramo, perche' quei due nodi sono connessi assieme da un cortocircuito (un filo). Quindi in realta' i nodi A e B non esistono, sono un unico nodo. Lo stesso dicasi per C e D.
Ragionando in tal modo, si arriva alla corretta conclusione illustrata da
admin: i nodi sono tre in tutto.
Nel caso del tuo Ex.2, il collegamento tra tra i nodi A e B non e' un ramo, perche' quei due nodi sono connessi assieme da un cortocircuito (un filo). Quindi in realta' i nodi A e B non esistono, sono un unico nodo. Lo stesso dicasi per C e D.
Ragionando in tal modo, si arriva alla corretta conclusione illustrata da
Se funziona quasi bene, è tutto sbagliato. A.Savatteri/M.Mazza
0
voti
[6] Re: Sui nodi
E riguardo una formula per stabilire il numero delle relazioni da trovare per risolvere il problema con il metodo di Kirchhoff?
5
voti
[7] Re: Sui nodi
abj79 ha scritto: Potete scommettere che il numero dei nodi che ho trovato, secondo la definizione, è ben maggiore di quello giusto... Chi mi aiuta indicandomi quali punti sono un nodo nei circuiti 1 e 2? perché applicare la definizione- "si ha un nodo nel punto in cui confluiscono 3 o più rami"- non è sufficiente?
Diciamo che, nella topologia circuitale (diversamente da quello che avviene nella topologia dei grafi) il numero di nodi non è univocamente determinabile, dipende da come intendi scomporre la rete, ovvero da quali siano i bipoli che intendi considerare come elementari.
Nella tua prima rete per esempio, nulla vieta di considerare A come nodo e così pure nella seconda rete considerare sia A sia B come nodi distinti; nel primo caso, considerando A come nodo, avrai che il bipolo R1 in serie a C1, così come il bipolo E1 saranno da considerarsi due distinti lati della rete, ma volendo potresti anche considerare un nodo H intermedio fra i due e in questo caso avresti suddiviso il ramo ohmico capacitivo in due rami: uno costituito dalla sola R1 ed uno dalla sola C1 .
E' chiaro però che da un punto di vista risolutivo, andare a moltiplicare i nodi di una rete è sempre poco conveniente e di conseguenza si cerca di ridurli al minimo numero possibile;
Dipende sostanzialmente dalle grandezze che desideri andare a determinare; se per esempio nella tua seconda rete ti interessasse andare a ricavare la corrente che circola nel ramo A B, potresti considerare A e B distinti e di conseguenza ritenere il cortocircuito fra i due come un particolare bipolo (GIT a tensione nulla).
Non è quindi errato considerare "nodo" un punto nel quale convergono almeno due rami (ovvero dove vengono ad essere collegati i morsetti di due diversi bipoli), ma non sarà nemmeno errato affermare che in un nodo potrebbero andare a collegarsi anche i soli due morsetti di un singolo bipolo.
"Il circuito ha sempre ragione" (Luigi Malesani)
0
voti
[8] Re: Sui nodi
"Non farei mai parte di un club che accettasse la mia iscrizione" (G. Marx)
-

claudiocedrone
21,3k 4 7 9 - Master EY

- Messaggi: 15299
- Iscritto il: 18 gen 2012, 13:36
2
voti
[9] Re: Sui nodi
Ok, ok, la questione era DAVVERO elementare, l'ho già ammesso, per cui vi ringrazio tutti ma non c'è bisogno che rispondiate in 1000 alla prima parte della domanda mentre nessuno alla seconda parte sulla relazione per individuare il numero di equazioni per risolvere la rete.
PS: io non ho detto che il docente è incompetente né lo penso affatto.
PPS: il docente stesso è dell'opinione che il testo è "sbrigativo" e "essenziale".

PS: io non ho detto che il docente è incompetente né lo penso affatto.
PPS: il docente stesso è dell'opinione che il testo è "sbrigativo" e "essenziale".
0
voti
[10] Re: Sui nodi
Ai miei tempi, quello che tu chiami metodo delle correnti di ramo si chiamava metodo dei potenziali ai nodi e queste questioni non nascevano. I nodi sono 2 indipendenti + uno di riferimento a cui possiamo assegnare potenziale zero e le equazioni sono due in due incognite (i potenziali ai nodi, appunto). Ricordo le parole del Prof.Puglisi, questo metodo presenta qualche complicazione quando ci sono mutue induzioni fra i rami.
17 messaggi
• Pagina 1 di 2 • 1, 2
Torna a Elettrotecnica generale
Chi c’è in linea
Visitano il forum: Nessuno e 31 ospiti

Elettrotecnica e non solo (admin)
Un gatto tra gli elettroni (IsidoroKZ)
Esperienza e simulazioni (g.schgor)
Moleskine di un idraulico (RenzoDF)
Il Blog di ElectroYou (webmaster)
Idee microcontrollate (TardoFreak)
PICcoli grandi PICMicro (Paolino)
Il blog elettrico di carloc (carloc)
DirtEYblooog (dirtydeeds)
Di tutto... un po' (jordan20)
AK47 (lillo)
Esperienze elettroniche (marco438)
Telecomunicazioni musicali (clavicordo)
Automazione ed Elettronica (gustavo)
Direttive per la sicurezza (ErnestoCappelletti)
EYnfo dall'Alaska (mir)
Apriamo il quadro! (attilio)
H7-25 (asdf)
Passione Elettrica (massimob)
Elettroni a spasso (guidob)
Bloguerra (guerra)











