Ciao a tutti,
recentemente ho acquistato alcuni regolatori LM1084 (datasheet) da un venditore cinese per circa 0,5 $ l'uno.
Notando che l'incisione del numero di serie sembra essere differente dagli altri regolatori acquistati in precedenza, ho deciso di testarne uno.
Il regolatore sembra funzionare correttamente; tuttavia, ponendo i terminali di uscita in cortocircuito, sembra non fornire alcuna limitazione della corrente o protezione termica, dal momento che il chip si surriscalda al punto da far scoppiare il package, che quindi si infiamma.
Ritenete che si tratti di una contraffazione? Esiste un modo per verificarne l'autenticità?
Ciao,
Niki
Questo regolatore è contraffatto?
Moderatori:
carloc,
g.schgor,
BrunoValente,
IsidoroKZ
13 messaggi
• Pagina 1 di 2 • 1, 2
-4
voti
be a prescindere , l'hai comprato da un cinese , l'hai pagato quasi niente e ti lamenti pure ?
non si puo pensare di avere tutto e gratis. è come la marea di ricetrasmettitori palmari cinesi che imperversano in tutto il mondo e che costano pochissimo, funzionicchiano , ma hanno parecchie limitazioni rispetto ai blasonati che costano da 10 a 20 volte tanto.
non si puo pensare di avere tutto e gratis. è come la marea di ricetrasmettitori palmari cinesi che imperversano in tutto il mondo e che costano pochissimo, funzionicchiano , ma hanno parecchie limitazioni rispetto ai blasonati che costano da 10 a 20 volte tanto.
5
voti
TITAN ha scritto:e ti lamenti pure ?
Non mi sembra di essermi lamentato di qualcosa. Ho soltanto posto una domanda.
Potrei lamentarmi, piuttosto, dei potenziometri della grande distribuzione italiana, pagati fior di quattrini, il cui contatto strisciante tipicamente si guasta dopo pochi mesi, o di certi jack (sempre Italiani d.o.c.) il cui contatto più esterno si distacca puntualmente rimanendo vergognosamente incastrato dentro la rispettiva presa.
Per queste esperienze, ho iniziato a fare acquisti all'estero e, ad oggi, ritengo di aver pagato commisuratamente (né più, né meno) alla qualità attesa, spesso acquistando direttamente dai produttori degli stessi componenti che arrivano in Italia (rincarati di un ordine di grandezza). E attenzione, qui si parla di componenti, non di apparati.
Ma per evitare di andare OT, dopo aver dato le necessarie spiegazioni, torno rapidamente alla mia domanda.
Ritenete che il comportamento in corto circuito dell'LM1084 in mio possesso possa far sospettare una contraffazione? La protezione termica di cui si parla del datasheet, non dovrebbe evitare un danno simile?
Grazie!
Niki
0
voti
ciao
nikiT
Di gabole ne ho avute anch'io, molte, troppe, dalla Cina e anche dagli USA. Prezzi allettanti ma con la sorpresa dietro
. Da allora ho deciso di mettermi le mutande di ferro zincato = testare tutto ciò che mi arriva dalla "distribuzione" su demo-board fatte in casa 
Di gabole ne ho avute anch'io, molte, troppe, dalla Cina e anche dagli USA. Prezzi allettanti ma con la sorpresa dietro
0
voti

"Non farei mai parte di un club che accettasse la mia iscrizione" (G. Marx)
-

claudiocedrone
21,3k 4 7 9 - Master EY

- Messaggi: 15300
- Iscritto il: 18 gen 2012, 13:36
0
voti
nikiT ha scritto:Ritenete che si tratti di una contraffazione? Esiste un modo per verificarne l'autenticità?
Secondo me è più che possibile, visto che pare (ho scorso rapidamente il datasheet, ma sembra abbastanza standard) che l'originale integri delle protezioni da sovracorrenti e sovrariscaldamento.
Come si può avere la certezza? Bisognerebbe aprire (in maniera non distruttiva) il package, in alcuni casi rimuovere gli strati di passivazione dal die ed esaminare il circuito al microscopio ottico. Di solito è sufficiente leggere la sigla del produttore e dell'IC.
Vedere ad esempio:
http://www.righto.com/2014/09/reverse-e ... -7805.html
http://zeptobars.ru/en/read/OPA627-AD74 ... china-ebay
3
voti
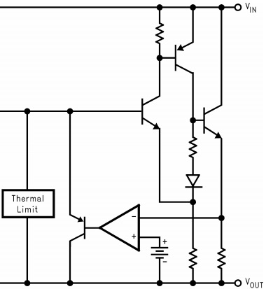
Ho dato una rapida occhiata al datasheet e in effetti in prima pagina c'è scritto che il regolatore è protetto termicamente "The LM1084 circuit includes a zener trimmed bandgap reference, current limiting and thermal shutdown" che lascerebbe intendere una interruzione completa del funzionamento con azzeramento della corrente in uscita al superamento di una certa temperatura. Però, correggetemi se sbaglio, da nessuna parte è specificato il valore di quella temperatura di intervento ed inoltre, se davvero fosse presente un protezione di questo tipo, il circuito di limitazione della corrente di uscita in funzione della differenza Vin-Vout descritto a pag. 10 in "OVERLOAD RECOVERY" e in fig 7 pag.6, lascerebbe intendere che quel valore sia superiore a 125°C..che mi sembra eccessivo.
Non vorrei che l'unica protezione presente sia quella limitazione di corrente in funzione della differenza Vin-Vout: se così fosse si giustificherebbe quello che riferisce
nikiT.
Niki, se hai la possibilità potresti ripetere la prova sacrificando un altro LM1084 di provenienza meno sospetta.
Non vorrei che l'unica protezione presente sia quella limitazione di corrente in funzione della differenza Vin-Vout: se così fosse si giustificherebbe quello che riferisce
Niki, se hai la possibilità potresti ripetere la prova sacrificando un altro LM1084 di provenienza meno sospetta.
-

BrunoValente
39,6k 7 11 13 - G.Master EY

- Messaggi: 7796
- Iscritto il: 8 mag 2007, 14:48
0
voti
BrunoValente ha scritto:Non vorrei che l'unica protezione presente sia quella limitazione di corrente in funzione della differenza Vin-Vout: se così fosse si giustificherebbe quello che riferiscenikiT.
Nel circuito del datasheet sono chiaramente rappresentate entrambe le protezioni (quella termica solo a livello di schema a blocchi). Dato che non credo che TI menta così spudoratamente, sono abbastanza convinto (o almeno spero
0
voti
Sì, è vero, però la protezione da sovracorrente, se fosse davvero solo quella rappresentata nello schema, sarebbe a soglia fissa: voglio dire che in quello schema mi pare non vi sia nulla che faccia ridurre la soglia di intervento in funzione della differenza Vin-Vout:.
Da questo mi era venuto il sospetto che quella nel riquadro, che chiama "Thermal Limit", in realta non fosse la vera protezione termica (termostato) ma che invece fosse il circuito che si occupa di abbassare la soglia di corrente massima all'aumentare della differenza Vin-Vout.
Da questo mi era venuto il sospetto che quella nel riquadro, che chiama "Thermal Limit", in realta non fosse la vera protezione termica (termostato) ma che invece fosse il circuito che si occupa di abbassare la soglia di corrente massima all'aumentare della differenza Vin-Vout.
-

BrunoValente
39,6k 7 11 13 - G.Master EY

- Messaggi: 7796
- Iscritto il: 8 mag 2007, 14:48
13 messaggi
• Pagina 1 di 2 • 1, 2
Chi c’è in linea
Visitano il forum: Nessuno e 55 ospiti

Elettrotecnica e non solo (admin)
Un gatto tra gli elettroni (IsidoroKZ)
Esperienza e simulazioni (g.schgor)
Moleskine di un idraulico (RenzoDF)
Il Blog di ElectroYou (webmaster)
Idee microcontrollate (TardoFreak)
PICcoli grandi PICMicro (Paolino)
Il blog elettrico di carloc (carloc)
DirtEYblooog (dirtydeeds)
Di tutto... un po' (jordan20)
AK47 (lillo)
Esperienze elettroniche (marco438)
Telecomunicazioni musicali (clavicordo)
Automazione ed Elettronica (gustavo)
Direttive per la sicurezza (ErnestoCappelletti)
EYnfo dall'Alaska (mir)
Apriamo il quadro! (attilio)
H7-25 (asdf)
Passione Elettrica (massimob)
Elettroni a spasso (guidob)
Bloguerra (guerra)







