Ciao a tutti!!
Ho installato da poco una caldaia a pellet a cui oltre la pompa interna ha anche una seconda pompa colegata ad un relè in modo tale che funzionino simultanemante.
Nella mia zona ci sono spesso sbalzi di corrente pensavo di mettere la caldaia sotto UPS.
dovrei però anche collegare il relè che aziona la seconda pompa all'UPS.
Come faccio?
Grazie a tutti!!
dove collegare UPS alla caldaia e al relè
Moderatori:
sebago,
MASSIMO-G,
lillo,
Mike
6 messaggi
• Pagina 1 di 1
0
voti
0
voti
Da quanto scrivi sembra (anche se uno schema scioglierebbe ogni dubbio) che il relè sia alimentato da una linea separata da quella che alimenta la caldaia, seppure sinceramente mi sembra strano visto che dici che il suo scopo è di attivare una seconda pompa all'avvio della pompa interna alla caldaia stessa
Forse l'alimentazione della seconda pompa è prelevata a monte della caldaia stessa, in questo caso basterà far si che sia la linea caldaia che quella di alimentazione della pompa aggiuntiva facciano capo all'uscita dell'UPS (occhio alle potenze e agli spunti!)
Forse l'alimentazione della seconda pompa è prelevata a monte della caldaia stessa, in questo caso basterà far si che sia la linea caldaia che quella di alimentazione della pompa aggiuntiva facciano capo all'uscita dell'UPS (occhio alle potenze e agli spunti!)
Ognuno sta solo sul cuor della terra
trafitto da un raggio di sole:
ed è subito sera
Salvatore Quasimodo
trafitto da un raggio di sole:
ed è subito sera
Salvatore Quasimodo
0
voti
innanzitutto grazie
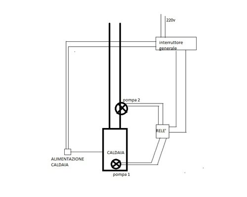
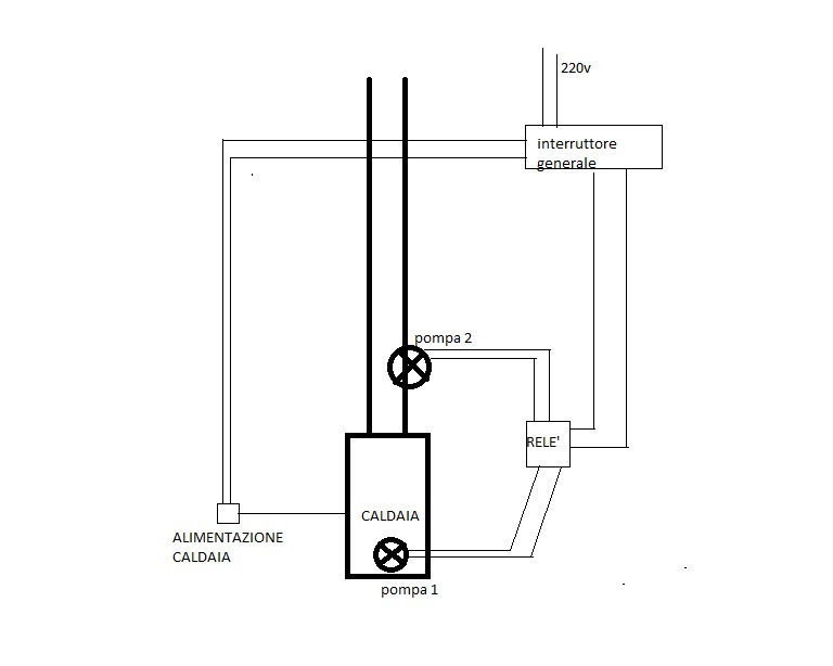
allego sia lo schema del relè che il mio rudimentale schema dell'impianto.
potresti gentilmente dirmi in che punto e come collegare l'uscita dell'UPS?
grazie ancora!
allego sia lo schema del relè che il mio rudimentale schema dell'impianto.
potresti gentilmente dirmi in che punto e come collegare l'uscita dell'UPS?
grazie ancora!
0
voti
questo è lo schema semplificato, noterai che mancano le protezioni ed altre cose (es: conduttore di protezione) che presumo già esistenti
c'è però una discordanza tra il primo e il secondo schema che hai postato
nella prima figura vedo che il relè riceve la sola fase dall'impianto,
mentre nel tuo disegno (seconda figura) vedo due fili provenire dall'interruttore generale
a questo punto bisogna capire se il relé ha bisogno di alimentazione (230 V) permanente, dovresti indicare la sigla completa del dispositivo o vedere tu stesso
se così fosse, il mio schema è incompleto, dovendo derivare in uscita all'UPS anche in neutro per il relé
chiariscimi (per curiosità) anche come mandi il consenso al relè, che tensione eccita la bobina A1/A2?
saluti
c'è però una discordanza tra il primo e il secondo schema che hai postato
nella prima figura vedo che il relè riceve la sola fase dall'impianto,
mentre nel tuo disegno (seconda figura) vedo due fili provenire dall'interruttore generale
a questo punto bisogna capire se il relé ha bisogno di alimentazione (230 V) permanente, dovresti indicare la sigla completa del dispositivo o vedere tu stesso
se così fosse, il mio schema è incompleto, dovendo derivare in uscita all'UPS anche in neutro per il relé
chiariscimi (per curiosità) anche come mandi il consenso al relè, che tensione eccita la bobina A1/A2?
saluti
Ognuno sta solo sul cuor della terra
trafitto da un raggio di sole:
ed è subito sera
Salvatore Quasimodo
trafitto da un raggio di sole:
ed è subito sera
Salvatore Quasimodo
1
voti
si il secondo disegno è sbagliato: il relè riceve solo la fase dall'impianto.
la pompa interna lavora a 220 V quindi penso il consenso sia a quella tensione!
grazie davvero!
la pompa interna lavora a 220 V quindi penso il consenso sia a quella tensione!
grazie davvero!
0
voti
se io tagliassi la linea prima dell'interruttore generale della caldaia e inserissi da una parte una spina femmina e dall'altra una maschio inserendo nella femmina l'alimentazione dell'UPS e il maschio nell'uscita dell'UPS commetterei qualche errore?
questo in modo tale che se avessi problemi con l'UPS o lo utilizzassi solo nel periodo invernale potrei ripristinare la line com'era unendo le due spine.
grazie a tutti
questo in modo tale che se avessi problemi con l'UPS o lo utilizzassi solo nel periodo invernale potrei ripristinare la line com'era unendo le due spine.
grazie a tutti
6 messaggi
• Pagina 1 di 1
Torna a Impianti, sicurezza e quadristica
Chi c’è in linea
Visitano il forum: Nessuno e 66 ospiti

Elettrotecnica e non solo (admin)
Un gatto tra gli elettroni (IsidoroKZ)
Esperienza e simulazioni (g.schgor)
Moleskine di un idraulico (RenzoDF)
Il Blog di ElectroYou (webmaster)
Idee microcontrollate (TardoFreak)
PICcoli grandi PICMicro (Paolino)
Il blog elettrico di carloc (carloc)
DirtEYblooog (dirtydeeds)
Di tutto... un po' (jordan20)
AK47 (lillo)
Esperienze elettroniche (marco438)
Telecomunicazioni musicali (clavicordo)
Automazione ed Elettronica (gustavo)
Direttive per la sicurezza (ErnestoCappelletti)
EYnfo dall'Alaska (mir)
Apriamo il quadro! (attilio)
H7-25 (asdf)
Passione Elettrica (massimob)
Elettroni a spasso (guidob)
Bloguerra (guerra)

